Journal of Textile Research ›› 2020, Vol. 41 ›› Issue (03): 84-90.doi: 10.13475/j.fzxb.20190601907

• Dyeing and Finishing & Chemicals • Previous Articles     Next Articles

Layout optimization of dip dyeing workshop based on system layout planning-genetic algorithm

HUANG Qi1, ZHOU Qihong1(), ZHANG Qian2, WANG Shaozong2, FAN Wei3, SUN Huifeng3   

  1. 1. College of Mechanical Engineering, Donghua University, Shanghai 201620, China
    2. Beijing National Innovation Institute of Lightweight Ltd., Beijing 100083, China
    3. Taian Companion Machinery Co., Ltd., Taian, Shandong 271000, China
  • Received:2019-06-08 Revised:2019-11-27 Online:2020-03-15 Published:2020-03-27
  • Contact: ZHOU Qihong E-mail:zhouqihong@dhu.edu.cn

Abstract:

Unreasonable workshop layout and low automation level are primary factors affecting the efficiency of dip dyeing yarns, leading to increased material handling, shipping back of transportation routes, and inefficient production. In this study, a new automatic dyeing process was developed on the basis of the analysis of traditional dyeing process and logistics intensity. A new method based on improved genetic algorithm (GA) and system layout planning (SLP) was presented to solve the layout of dip dyeing workshop with the intensity of logistics and workshop area for establishing the objective function. The layout simulation was carried out using a plant simulation platform, which performed the dynamic planning and calculation of logistics intensity of the production line layout. Simulation results show that SLP-GA rapidly converged and is more effective than SLP. However, SLP-GA is approximately 10% lower than SLP on average in terms of logistics intensity. By implementing a dyeing and finishing enterprise under the constraints of process, this study provides a reasonable layout plan for developing intelligent dyeing and finishing demonstration production line that can achieve the lowest logistics cost and the smallest floor area.

Key words: dip dyeing, workshop layout, system layout planning, genetic algorithm

CLC Number: 

  • TH181

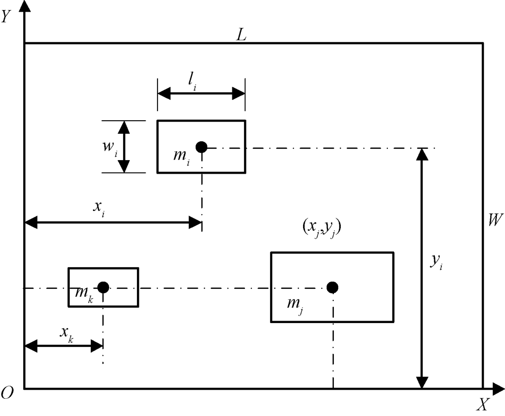
Fig.1

Parametric, decision variable and reference line diagram"

Tab.1

Full process automation production process"

作业区域 工艺 实现功能 作业设备
前络区 前络 原料纱进行络筒 络纱机
输送A 输送络筒后的纱筒 上筒机器人、传送系统
装笼区 集筒 将多个纱筒整理成串纱 下筒机器人
装笼 将整理后的串纱装入纱笼 装纱机器人
调湿缓存区 调湿 进筒纱进行调湿 调湿机
解/扣锁扣 对纱笼进行染前加锁,染后解锁 锁扣机器人
染色区 吊运 将纱笼吊运至染色机 天车
配剂 进行染色剂、助剂的称量 染化料系统
染色 对纱笼筒纱进行染色 染色机
脱水区 装脱机 将染后的纱筒装载至脱水机中 装筒机器人
脱水 筒纱进行脱水 脱水机
分装 脱水后将纱笼中筒纱分装至托盘 分盘装载机器人
烘干区 烘干 烘干机进行烘干 烘干机
卸载 卸载烘干后的纱筒 卸载机器人
后络区 输送B 输送烘干后的纱筒 上筒机器人、传送系统
后络 对染后筒纱进行络筒 络纱机

Fig.2

Logistics status diagram of operating units in dyeing workshop"

Fig.3

Flow chart of improved SLP layout for dyeing workshop"

Fig.4

SLP and GA combination method flow"

Tab.2

Area of each functional area"

编码序号 布置区域 主要设备 设备数量 必要面积/m2
1 前络区 输送系统 2 20×37.5
2 装笼区 装载机器人 2 22.5×15
3 调湿缓存区 锁扣机器人 3 37.5×15
4 染色区 染色机 16 40×37.5
5 脱水区 脱水机 8 60×22.5
6 烘干区 烘干机 6 35×15
7 后络区 卸载机器人 2 25×15
M0 总面积 60×90

Fig.5

Algorithmic implementation interface"

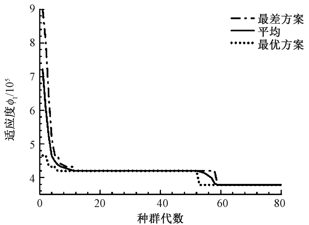
Fig.6

Fitness convergence performance"

Tab.3

Comparative analysis of SLP-GA and SLP"

布局方法 序号 布局序列 物流强度 适应度
SLP-GA 1 7,6,5,2,3,1,4 94 500 378 090
2 6,7,5,4,3,2,1 105 000 419 690
3 7,6,5,3,4,1,2 105 000 420 090
SLP 4 7,6,1,2,4,3,5 104 900 419 620
5 3,4,2,1,5,6,7 106 500 426 090
6 2,1,3,4,7,6,5 106 500 426 090

Fig.7

Workshop layout plan"

Fig.8

Actual layout of workshop. (a) Pre-spinning area, loading area and humidifying area; (b) Dyeing area; (c) Dewatering area; (d) Drying area and back spinning area"

[1] BRAGLIA M, ZANON S, ZAVANELLA L. Layout design in dynamic environments: strategies and quantitative indices[J]. International Journal of Production Research, 2003,41(5):995-1016.
[2] 陈友玲, 刘文科, 严键. 基于RMC的可重构制造系统设备布局优化研究[J]. 计算机应用研究, 2011,28(12):4550-4553,4571.
CHEN Youling, LIU Wenke, YAN Jian. Research on equipment layout optimization of reconfigurable manufacturing system based on RMC[J]. Computer Application Research, 2011,28(12):4550-4553,4571.
[3] 周亚勤, 汪俊亮, 鲍劲松, 等. 纺织智能制造标准体系架构研究与实现[J]. 纺织学报, 2019,40(4):145-151.
ZHOU Yaqin, WANG Junliang, BAO Jinsong, et al. Research and implementation of textile intelligent manufacturing standard architecture[J]. Journal of Textile Research, 2019,40(4):145-151.
[4] 冯芬玲, 景莉, 杨柳文. 基于改进SLP的铁路物流中心功能区布局方法[J]. 中国铁道科学, 2012,33(2):121-128.
FENG Fenling, JING Li, YANG Liuwen. Functional zone layout method of railway logistics center based on improved SLP[J]. China Railway Science, 2012,33(2):121-128.
[5] ZHAO R H, HE W Q, LOU Z K, et al. Synchronization optimization of pipeline layout and pipe diameter selection in a self-pressurized drip irrigation network system based on the genetic algorithm[J]. Water, 2019,11(3):489.
[6] MOEINI R, AFSHAR M H. Extension of the hybrid ant colony optimization algorithm for layout and size optimization of sewer networks[J]. Journal of Environmental Informatics, 2018,33(2):68-81.
[7] 闫亦农, 刘立枝, 雒彬钰, 等. 基于粒子群算法的服装生产流水线编制[J]. 纺织学报, 2018,39(10):120-124.
YAN Yinong, LIU Lizhi, LUO Binyu, et al. Clothing production line compilation based on particle swarm optimization[J]. Journal of Textile Research, 2018,39(10):120-124.
[8] CAO P, FAN Z, GAO R X, et al. Hamessing muliti-objective simulated annealing toward configuration optimization within compact space for additive manufacturing[J]. Robotics and Computer-Integrated Manufacturing, 2019,57:29-45.
[9] 陈建能, 赵雄, 张国凤, 等. 基于改进NSGA-Π算法的新型引纬机构的参数优化[J]. 纺织学报, 2008,29(1):110-113.
CHEN Jianneng, ZHAO Xiong, ZHANG Guofeng, et al. Parameter optimization of a new weft insertion mechanism based on improved NSGA-algorithm[J]. Journal of Textile Research, 2008,29(1):110-113.
[10] DUNKER T, RADONS G, WESTKÄMPER E. Combining evolutionary computation and dynamic programming for solving a dynamic facility layout problem[J]. European Journal of Operational Research, 2005,165(1):55-69.
[11] OZTURK E, KOSEOGLU H, KARABOYACI M, et al. Minimization of water and chemical use in a cotton/polyester fabric dyeing textile mill[J]. Journal of Cleaner Production, 2016,130:92-102.
[12] 何寒娜, 方芳, 王伟, 等. 改进模拟退火遗传算法的3D NoC低功耗映射[J]. 计算机辅助设计与图形学学报, 2019,31(4):681-688.
HE Hanna, FANG Fang, WANG Wei, et al. Improved simulated annealing genetic algorithm for low power mapping of 3D NoC[J]. Journal of Computer Aided Design and Graphics, 2019,31(4):681-688.
[13] 曲志坚, 陈宇航, 李盘靖, 等. 基于多算子协同进化的自适应并行量子遗传算法[J]. 电子学报, 2019,47(2):266-273.
QU Zhijian, CHEN Yuhang, LI Panjing, et al. Adaptive parallel quantum genetic algorithms based on multi-operator co-evolution[J]. Journal of Electronics, 2019,47(2):266-273.
[1] ZHANG Zhuo, CONG Honglian, JIANG Gaoming, DONG Zhijia. Polo shirt rapid style recommendation system based on interactive genetic algorithm [J]. Journal of Textile Research, 2021, 42(01): 138-144.
[2] LI Liang, NI Junfang. Automatic generation algorithm for pattern processing codes of quilting machines [J]. Journal of Textile Research, 2020, 41(11): 162-167.
[3] XIE Ziang, DU Jinsong, ZHAO Guohua. Adaptive dynamic scheduling of garment hanging production line [J]. Journal of Textile Research, 2020, 41(10): 144-149.
[4] ZHANG Xiaoxia, LIU Fengkun, MAI Wei, MA Chongqi. Prediction of loom efficiency based on BP neural network and its improved algorithm [J]. Journal of Textile Research, 2020, 41(08): 121-127.
[5] HUANG Zhenzhen, MOK Pikyin, WEN Lihong. Garment production line balance based on genetic algorithm and simulation [J]. Journal of Textile Research, 2020, 41(07): 154-159.
[6] ZHENG Xiaohu, BAO Jinsong, MA Qingwen, ZHOU Heng, ZHANG Liangshan. Spinning workshop collaborative scheduling method based on simulated annealing genetic algorithm [J]. Journal of Textile Research, 2020, 41(06): 36-41.
[7] MO Shuai, FENG Zhanyong, TANG Wenjie, DANG Heyu, ZOU Zhenxing. Performance optimization of elastic spindle pipe based on neural network and genetic algorithm [J]. Journal of Textile Research, 2020, 41(04): 161-166.
[8] ZHANG Xujing, WANG Lichuan, CHEN Yan. Balancing optimization of garment sewing assembly line based on genetic algorithm [J]. Journal of Textile Research, 2020, 41(02): 125-129.
[9] WANG Xiaohui, LIU Yuegang, MENG Zhuo, SUN Yize. Optimization of process parameters for 3D additive screen printing based on genetic algorithm and neural network [J]. Journal of Textile Research, 2019, 40(11): 168-174.
[10] MENG Shuo, PAN Ruru, GAO Weidong, WANG Jing'an, ZHOU Lijun. Research on weaving scheduling using main objective evolutionary genetic algorithm [J]. Journal of Textile Research, 2019, 40(08): 169-174.
[11] . Optimum and application of automatic cotton blending based on high volume instrument data by improved genetic algorithm [J]. JOURNAL OF TEXTILE RESEARCH, 2016, 37(09): 151-155.
[12] . Worsted spinning process parameters inversion model using mixed population genetic neural network [J]. JOURNAL OF TEXTILE RESEARCH, 2016, 37(07): 149-154.
[13] LIU Gui;YU Weidong. Worsted roving forecast based on genetic algorithm and BP neural network [J]. JOURNAL OF TEXTILE RESEARCH, 2009, 30(05): 28-33.
[14] CHEN Jianneng;ZHAO Xiong;ZHANG Guofeng;ZHAO Yun. Parameter optimization of a new weft insertion mechanism based on improved NSGA-Π [J]. JOURNAL OF TEXTILE RESEARCH, 2008, 29(1): 110-113.
[15] SUN Ying;LI Jialu;KANG Yilan;CHEN Li. Stiffness optimization of 3-D braided composites with micromechanical method [J]. JOURNAL OF TEXTILE RESEARCH, 2007, 28(5): 70-73.
Viewed
Full text


Abstract

Cited

  Shared   
  Discussed   
No Suggested Reading articles found!