Journal of Textile Research ›› 2022, Vol. 43 ›› Issue (03): 160-167.doi: 10.13475/j.fzxb.20210402708

• Machinery & Accessories • Previous Articles     Next Articles

Research on integrated design method of robot intelligent joint drive and control structure

MO Shuai1,2(), ZHOU Changpeng1, LI Xu1, YANG Zhenning1, LIU Huihua3, GAO Hanjun4   

  1. 1. School of Mechanical Engineering, Tiangong University, Tianjin 300387, China
    2. Tianjin Key Laboratory of Modern Electromechanical Equipment Technology, Tianjin 300387, China
    3. Dongguan Desheng Intelligent Technology Co., Ltd., Dongguan, Guangdong 523000, China
    4. State Key Laboratory of Virtual Reality Technology and Systems, Beihang University, Beijing 100191, China
  • Received:2021-04-09 Revised:2021-10-11 Online:2022-03-15 Published:2022-03-29

Abstract:

In order to reduce the space occupied by textile robot and to improve its control performance, a new type of textile robot waist joint used for doffing management was designed, which used a brushed DC motor as the power source, STM32F103T8U6 as the main control chip, and L9110S as the driving chip. The magnetic encoder AS5600 and a magnet installed at the end of the output shaft was used together to generate the Hall effect to facilitate the speed and position detection of the robot joint. By comparing the corresponding speed and current of the single-speed closed-loop control with that of the double closed-loop control, this research adopted the speed and current double closed-loop proportional integral (PI) control system for speed regulation in the control algorithm, and the controller area network (CAN) bus method was used to achieve signal transmission so as to reduce the complexity of multi-joint wiring. The experimental results show that the designed robot can effectively reduce the joint volume with the miniaturization design, and has a wider range of use. Compared with the single closed-loop control system, the double closed-loop control system shortens the steady-state time by 30%.

Key words: textile robot, robot waist joint, brushed DC motor, double closed-loop control, CAN bus

CLC Number: 

  • TP242

Fig.1

Flow chart of design of waist joint of robot"

Fig.2

Block diagram of hardware system"

Fig.3

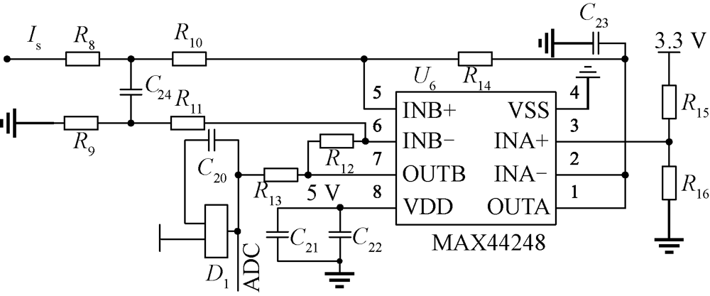
Circuit diagram of current acquisition module"

Fig.4

Control program flow chart. (a) Control board flow chart; (b) Drive board flow chart"

Tab.1

Motor parameter"

参数 数值 参数 数值
额定电压/V 7.4 反电动势系数/
(V·s·rad-1)
0.019 3
额定电流/mA 400 电磁时间常数/ms 2.516
额定转速/
(r·min-1)
17 600 机电时间常数/ms 15.1
电枢电阻/Ω 0.368

Fig.5

Robot waist drive joint. (a) Front view;(b) Rear view"

Fig.6

Driver board integrated circuit diagram. (a) Front view; (b) Rear view"

Fig.7

Physical map of waist joint of robot. (a) Transmission system; (b) Drive board; (c) Entity"

Fig.8

Experimental hardware connection diagram"

Fig.9

Motor response of different control schemes under rated conditions. (a) Single speed loop control speed;(b) Single speed loop control current; (c) Speed control with cut-off current speed loop; (d) Speed and current double closed loop control speed; (e) Speed and current double closed loop control current; (f) Speed comparison between speed loop with cut-off and double closed loop"

Fig.10

Motor response at different speeds. (a) Motor speed; (b) Motor current"

[1] 谭民, 王硕. 机器人技术研究进展[J]. 自动化学报, 2013,39(7):963-972.
TAN Min, WANG Shuo. Research progress in robotics[J]. Acta Automatica Sinica, 2013,39(7):963-972.
doi: 10.3724/SP.J.1004.2013.00963
[2] 高峰, 郭为忠. 中国机器人的发展战略思考[J]. 机械工程学报, 2016,52(7):1-5.
GAO Feng, GUO Weizhong. Thinking of the development strategy of robots in china[J]. Journal of Mechanical Engineering, 2016,52(7):1-5.
[3] OUYANG P R, ACOB J, PANO V. PD with sliding mode control for trajectory tracking of robotic system[J]. Robotics and Computer-Integrated Manufacturing, 2014,30(2):189-200.
doi: 10.1016/j.rcim.2013.09.009
[4] XIAO B, YIN S, KAYNAK O. Exponential tracking control of robotic manipulators with uncertain dynamics and kinematics[J]. IEEE Transactions on Industrial Informatics, 2016,63(10):6439-6449.
[5] GALICKI M. Finite-time trajectory tracking control in a task space of robotic manipulators[J]. Automatica, 2016,67:165-170.
doi: 10.1016/j.automatica.2016.01.025
[6] 杨思成, 张文增, 曹立国, 新型鼠笼式落纱机器人的研制[J]. 机械传动, 2017,41(12):138-145.
YANG Sicheng, ZHANG Wenzeng, CAO Liguo. Development of a novel squirrel-cage doffing robot[J]. Mechanical Drive, 2017,41(12):138-145.
[7] 顾万里, 胡云峰, 张森, 等. 有刷直流电动机自适应滑膜控制器设计与实验[J]. 西安交通大学学报, 2017,51(9):112-117.
GU Wanli, HU Yunfeng, ZHANG Sen, et al. Design and experiments on the adaptive sliding mode controller of brushed DC motor[J]. Journal of Xi'an Jiaotong University, 2017,51(9):112-117.
[8] 李宗俐, 许芳, 梁頔男, 等. 有刷直流电动机约束预测控制器设计及实现[J]. 吉林大学学报(信息科学版), 2017,35(4):363-369.
LI Zongli, XU Fang, LIANG Dinan, et al. Design and implementation of constraint predictive controller for brushed DC motor[J]. Journal of Jilin Univer-sity (Information Science), 2017,35(4):363-369.
[9] CHEN Z Y, LIU Y, HE W, et al. Adaptive-neural-network-based trajectory tracking control for a nonholonomic wheeled mobile robot with velocity constraints[J]. IEEE Transactions on Industrial Electronics, 2021,68(6):5057-5067.
doi: 10.1109/TIE.41
[10] ZHAO X W, TAO B, QIAN L, et al. Model-based actor-critic learning for optimal tracking control of robots with input saturation[J]. IEEE Transactions on Industrial Electronics, 2021,68(6):5046-5056.
doi: 10.1109/TIE.41
[11] ZHANG Lin, TIAN Wei, ZHENG Faying, et al. Accuracy compensation technology of closed-loop feedback of industrial robot joints[J]. Transactions of Nanjing University of Aeronautics and Astronautics, 2020,37(6):858-871.
[12] ZHOU J Y, HE R X, WANG Y, et al. Autonomous driving trajectory optimization with dual-loop iterative anchoring path smoothing and piecewise-jerk speed optimization[J]. IEEE Robotics and Automation Letters, 2021,6(2):439-446.
doi: 10.1109/LSP.2016.
[13] 陈光荣, 郭盛, 侯博文, 等. 基于扩展雅可比矩阵的冗余液压驱动四足机器人运动控制[J]. 控制理论与应用, 2021,38(2):213-223.
CHEN Guangrong, GUO Sheng, HOU Bowen, et al. Motion control of a redundant hydraulically actuated quadruped robot based on extended Jacobian matrix[J]. Control Theory and Applications, 2021,38(2):213-223.
[14] 吴柳波, 李欣荣, 杜金丽. 基于轮廓提取的缝纫机器人运动轨迹规划研究进展[J]. 纺织学报, 2021,42(4):191-200.
WU Liubo, LI Xinrong, DU Jinli. Research progress of motion trajectory planning of sewing robot based on contour extraction[J]. Journal of Textile Research, 2021,42(4):191-200.
[15] 周虎, 刘涛, 高金杰, 等. 手工地毯植绒机轨迹规划及其速度控制优化[J]. 纺织学报, 2019,40(10):177-182.
ZHOU Hu, LIU Tao, GAO Jinjie, et al. Planning of trajectory and optimization of speed control of hand-made tufting machine[J]. Journal of Textile Research, 2019,40(10):177-182.
[16] 孟瑶, 李晓娟, 关永, 等. 机器人关节通信总线系统的建模与验证[J]. 软件学报, 2018,29(6):1699-1715.
MENG Yao, LI Xiaojuan, GUAN Yong, et al. Modeling and verification for robot joint bus communication system[J]. Journal of Software, 2018,29(6):1699-1715.
[17] SOUNDIRARRAJAN N, SRINIVASAN K. Performance evaluation of ant lion optimizer-based PID controller for speed control of PMSM[J]. Journal of Testing and Evaluation, 2021,49(2):1104-1118.
[18] YEAM T, LEE D C. Design of sliding-mode speed controller with active damping control for single-inverter dual-pmsm drive systems[J]. IEEE Transactions on Power Electronics, 2021,36(5):5794-5801.
doi: 10.1109/TPEL.63
[19] PETRIC I Z, VUKOSAVIC S N, DEGANO M, et al. A digital internal model current controller for salient machines[J]. IEEE Transactions on Industrial Electronics, 2021,68(6):4703-4717.
doi: 10.1109/TIE.41
[20] MO Shuai, LI Xu, YANG Zhenning, et al. Integrated design of brushless motor drive and control system for robot joints[J]. Journal of Central South University, 2021,28(12):1-11.
doi: 10.1007/s11771-020-4504-x
[1] DAI Ning, HU Xudong, PENG Laihu, ZHONG Yaosen. Control technology for density motor used in seamless underwear machines [J]. Journal of Textile Research, 2020, 41(06): 161-167.
[2] . CAN Bus scheduling simulation for computerized flat knitting machine based on network control [J]. JOURNAL OF TEXTILE RESEARCH, 2016, 37(08): 154-159.
[3] . Development of inner embeds driver forknitting mechanism's density adjustment device [J]. JOURNAL OF TEXTILE RESEARCH, 2015, 36(07): 131-135.
[4] . Design of automatic bottom thread replacing system in super multi-head embroidery machine [J]. Journal of Textile Research, 2015, 36(04): 134-139.
[5] JIN Yuzhen;WU Zhenyu;WU Chuanyu;HAN Tao;HU Xudong;ZHU Zuchao. Air-jet loom control system based on CAN bus [J]. JOURNAL OF TEXTILE RESEARCH, 2009, 30(02): 117-120.
[6] LIU Guiying;ZHOU Qin;OUYANG Santai. Design of synchronous control of frequency-conversion speed regulating for knitgoods heat setting machine [J]. JOURNAL OF TEXTILE RESEARCH, 2008, 29(3): 118-121.
[7] ZHAO Bin . Roving frame control system based on CAN bus [J]. JOURNAL OF TEXTILE RESEARCH, 2006, 27(5): 84-86.
Viewed
Full text


Abstract

Cited

  Shared   
  Discussed   
No Suggested Reading articles found!