Journal of Textile Research ›› 2023, Vol. 44 ›› Issue (04): 187-193.doi: 10.13475/j.fzxb.20211006207

• Machinery & Accessories • Previous Articles     Next Articles

Design of automated board shoveling system under non-stop-spinning condition

DING Caihong, ZUO Jinzhao(), SHI Yi   

  1. College of Mechanical Engineering, Donghua University, Shanghai 201620, China
  • Received:2021-10-26 Revised:2022-10-02 Online:2023-04-15 Published:2023-05-12

Abstract:

Objective Board shoveling is an essential process in chemical fiber spinning production, in which the shovel blade is used to clean residual polymers from the spinneret surface. Automated board shoveling operation under stop-spinning condition was prone to causing pressure fluctuations in the extrusion pump which would affect the stability of spinning quality. Therefore, an automated shoveling system under non-stop-spinning condition was proposed with no negative influence on spinning quality. It could clean the spinneret surface and at the same time collect and discharge the flowing waste wires. However, the narrow space of spinning box greatly increased the difficulty of structural design of shoveling mechanism. In this paper, the structure layout design and detailed structural design were carried out to solve the structural design problem of the automated shoveling system above.
Method Referring to the design method of mechanical power distribution, a compact structure design scheme combining two functions of board shovel and wire discharge was proposed (Fig. 1), where the structure layout was in the form of the discharge assembly in the center and the shovel assembly on the side. A cantilever beam and series-parallel spring buffer technology was applied to the offset structure design of the shovel assembly, and the slip ring design technology was applied to solve the structural connection between the rotating wire collecting funnel and the stationary wire discharging pipeline in the wire discharge assembly. Numerical calculation methods, including mechanical modeling, finite element analysis, kinematic analysis, fluid mechanics, were applied to carry out the calculation and design of specific structural parameters of the two parts. Eventually, practical test methods were used to verify the correctness of the structural design through the development of the actual experimental device.
Results The linear motion performance of the shovel assembly was investigated in details through ANSYS simulation, where a contact force of 50 N was applied to the blade. The displacement difference of the cantilever structure at the three sets of guides supported by the spring K1 was within a few micrometer(Fig. 3). It was proved that the offset shovel assembly could move smoothly in line. Through further analysis of the contact stress distribution between the scraper blade and the spinneret surface, the scraper blade could be in full contact with the spinneret surface and keep pressed upon the surface. In order to avoid the rigid impact when the blade approached fast to be pressed on the spinneret surface, the mechanical modeling of the shovel setting movement was carried out, and the numerical calculation was performed to get the elastic coefficients of springs K1 and K2 in the buffer structure of the shovel assembly as 9 N/mm and 4 N/mm. Finally, through the development of the test device, the experiments of board shoveling and wire discharge were carried out under the laboratory simulation conditions. The actual shovel force in experiment was collected in real time to learn the influence of shovel force and shovel time on shovel effect. A more reasonable experimental result was shown in Fig. 11, during the spinneret surface was scraped with a preset force of 40 N, the actual shovel force converged gradually and stabilized after 2 s, and effective cleaning was completed within 5 s. Simultaneously, the functional experiments of wire discharge were carried out with the parameters of negative pressure and flow velocity obtained through Fluent fluid simulation. The simulated spinning objects flowing out of the spinneret could be all collected in the collecting funnel with a tendency to converge towards the center and then discharged downward(Fig. 12). Later the pipeline was opened to observe that no remains were hung on the wall inside the pipe.
Conclusion Through mechanical modeling, numerical calculation, simulation analysis and experimental research, the related analysis and calculation of the automated shoveling system with integrated structure have been done for the achievability of board shoveling and wire discharge, and the correctness of the structure layout and design were verified. Thus a new automated shoveling system under non-stop-spinning condition is provided for the spinneret cleaning without stopping the extrusion pump in the fiber spinning production, and the relevant design parameters are given to guide the development of the actual system design. That will be beneficial to ensure the stability of spinning quality.

Key words: spinneret, non-stop-spinning, automated board shoveling, integrated design, buffer mechanical structure

CLC Number: 

  • TH12

Fig. 1

Diagram of automated board shoveling system under non-stop-spinning condition"

Fig. 2

Integrated structure layout of shovel and wire discharge"

Fig. 3

Influence of shovel force on movement of shoveling component"

Fig. 4

Scheme of fine-tuning structure of scraper"

Fig. 5

Stress distribution on contact surface between spinneret and blade"

Fig. 6

Parameter planning of tool setting movement. (a) Tool speed after touching; (b) Contact force upon scraper"

Fig. 7

Tool setting process of shoveling assemby"

Fig. 8

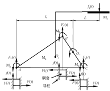
Force diagram of mass M2 and M3"

Fig. 9

Test equipment for automated board shoveling system under non-stop spinning condition"

Fig. 10

Shovel effect under different scraping forces. (a) Simulated spinning residue; (b) 20 N; (c) 30 N; (d) 40 N"

Fig. 11

Curve of scraping force during board shoveling"

Fig. 12

Simulation experiment of wire collection"

[1] 于勤, 王强, 范雪荣. 二醋酸纤维素纤维纺丝溶液的挤出胀大行为[J]. 纺织学报, 2015, 36(4): 7-10.
YU Qin, WANG Qiang, FAN Xuerong. Die swell behavior of cellulose diacetate spinning dope[J]. Journal of Textile Research, 2015, 36(4): 7-10.
doi: 10.1177/004051756603600102
[2] 周凤玲. 影响刮板质量因素的探讨[J]. 化纤与纺织技术, 2008(3): 7-8.
ZHOU Fengling. Influencing factors of spinneret cleaning[J]. Chemical Fiber and Textile Technology, 2008(3): 7-8.
[3] 王国良, 朱伟锴, 张桂萍, 等. 涤纶纺丝车间智能铲板机器人的应用[J]. 合成纤维, 2020, 49(4): 49-51.
WANG Guoliang, ZHU Weikai, ZHANG Guiping, et al. Application of intelligent scraper robot in polyester spinning workshop[J]. Synthetic Fiber in China, 2020, 49(4): 49-51.
[4] Oerlikon首台铲板机器人在印度成功投入使用[J]. 纺织导报, 2020(3): 9.
Oerlikon's first shovel robot successfully putting into use in India[J]. China Textile Leader, 2020(3): 9.
[5] 祖立武. 化学纤维成型工艺学[M]. 哈尔滨: 哈尔滨工业大学出版社, 2014: 52.
ZU Liwu. Processing technology of chemical fibers[M]. Harbin: Harbin Institute of Technology Press, 2014: 52.
[6] 宫川敬史, 川崎秀一, 本仪守之, 等. 纺丝喷嘴清理装置和纺丝机的清理方法: 200410062876.5[P]. 2004-06-29.
TAKASHI Miyagawa, MORIYUKI Motogi, SHUICHI Kawasaki, et al. Spinning nozzle cleaning device and spinning machine cleaning method: 2004100628-76.5[P]. 2004-06-29.
[7] 叶海峰, 吴维光, 方千瑞, 等. 化纤企业纺丝作业中自动铲板机的运用[J]. 合成纤维, 2020, 49(4): 52-55.
YE Haifeng, WU Weiguang, FANG Qianrui, et al. The use of automatic shovel machine in spinning operations in chemical fibre enterprises[J]. Synthetic Fiber in China, 2020, 49(4): 52-55.
[8] 李龙真, 徐锦龙, 缪国华, 等. 超大容量熔体直纺仿棉共聚酯纤维产业化工艺优化[J]. 纺织学报, 2017, 38(1): 17-22.
LI Longzhen, XU Jinlong, MIAO Guohua, et al. Cotton-like co-polyester fiber industrialization in melt direct spinning of ultra-high capacity[J]. Journal of Textile Research, 2017, 38(1): 17-22.
[9] 丁彩红, 李署程, 吴喜如. 自动化铲板的对刀运动分析及其参数设计[J]. 纺织学报, 2020, 41(9): 143-148.
DING Caihong, LI Shucheng, WU Xiru. Tool setting motion analysis and parameter design of automated scraping[J]. Journal of Textile Research, 2020, 41(9): 143-148.
[10] 丁彩红, 李署程, 季兴跃. 基于缓冲对刀策略的自动化铲板组件设计[J]. 纺织学报, 2020, 41(4): 155-160.
DING Caihong, LI Shucheng, JI Xingyue. Design of the automated scraping component based on a buffering strategy for tool setting[J]. Journal of Textile Research, 2020, 41(4): 155-160.
[11] 郝桐生. 理论力学[M]. 北京: 高等教育出版社, 2003: 106-107.
HAO Tongsheng. Theoretical mechanics[M]. Beijing: Higher Education Press, 2003: 106-107.
[1] DING Caihong, LI Shucheng, WU Xiru. Motion analysis and parameter design of tool setting process in automatic scraping [J]. Journal of Textile Research, 2020, 41(09): 143-148.
[2] DING Caihong, LI Shucheng, JI Xingyue. Design of automatic scraping component based on buffering strategy for tool setting [J]. Journal of Textile Research, 2020, 41(04): 155-160.
[3] . Route planning for concentric spinneret inspection based on improved ant colony algorithm [J]. JOURNAL OF TEXTILE RESEARCH, 2017, 38(11): 124-130.
[4] . Die swell behavior of cellulose diacetate spinning dope [J]. Journal of Textile Research, 2015, 36(04): 7-10.
[5] LI Chunlei;CUI Bin;WU Xingkuan;YANG Chongchang;FENG Pei. Study on auto-detecting of spinneret by machine vision [J]. JOURNAL OF TEXTILE RESEARCH, 2010, 31(11): 126-130.
[6] WANG Jun;WANG Zhijun;LIU Xiaogang;YUAN Rong. Study and application on fashion design process model based on the integrated environment [J]. JOURNAL OF TEXTILE RESEARCH, 2009, 30(01): 117-121.
[7] ZHANG Xiao-ying;PAN Zhi-juan;QIAN Dan-na;SHEN Wen-tao. Configuration of electrospun polycaprolactam nano-scale fibers [J]. JOURNAL OF TEXTILE RESEARCH, 2006, 27(7): 13-15.
Viewed
Full text


Abstract

Cited

  Shared   
  Discussed   
No Suggested Reading articles found!