纺织学报 ›› 2019, Vol. 40 ›› Issue (06): 97-105.doi: 10.13475/j.fzxb.20180803409

• 机械与器材 • 上一篇    下一篇

缫丝机卷绕机构参数优化及其试验验证

周贤1, 王英1(), 陈建能2, 汪锐1, 陶德华1   

  1. 1.宁波大学 机械工程与力学学院, 浙江 宁波 315211
    2.浙江理工大学 机械与自动控制学院, 浙江 杭州 310018
  • 收稿日期:2018-08-11 修回日期:2019-03-18 出版日期:2019-06-15 发布日期:2019-06-25
  • 通讯作者: 王英
  • 作者简介:周贤(1994—),男,硕士生。主要研究方向为机构分析与综合。
  • 基金资助:
    国家自然科学基金项目(51505239);浙江省自然科学基金项目(LY19E050001)

Parameter optimization and experiments for winding mechanism of silk reeling machine

ZHOU Xian1, WANG Ying1(), CHEN Jianneng2, WANG Rui1, TAO Dehua1   

  1. 1. Faculty of Mechanical Engineering and Mechanics, Ningbo University, Ningbo, Zhejiang 315211, China
    2. Faculty of Mechanical Engineering & Automation, Zhejiang Sci-Tech University, Hangzhou, Zhejiang 310018, China
  • Received:2018-08-11 Revised:2019-03-18 Online:2019-06-15 Published:2019-06-25
  • Contact: WANG Ying

摘要:

为优选缫丝机卷绕机构结构参数,首先建立不同类型非圆齿轮副驱动的卷绕机构通用运动学数学模型。进一步以生丝卷装断面的理想几何特征为目标函数,建立了通用参数优化数学模型,再通过遗传算法求解满足生丝卷绕工艺的非圆齿轮节曲线参数。选取其中的巴斯噶蜗线型卷绕机构模型为例,进行参数优化、试验台研制及生丝卷绕试验。非圆齿轮副驱动的卷绕机构试验得到的卷装断面廓线与理论计算廓线基本吻合,验证了通用数学模型的正确性,且成形的卷装表面平整度较高、平整段较宽,验证了所设计的卷绕装置在实际作业中的可行性及优越性。

关键词: 卷绕运动, 非圆齿轮, 参数优化, 缫丝机

Abstract:

In order to optimize the structural parameters of winding motion mechanism. Firstly, general kinematics mathematical models of winding motion mechanism driven by different types non-circular gears was established. Further, taking the ideal geometric characteristics of raw silk package profile curve as objective function, a general parameter optimization mathematical model was established, and then the pitch curve parameters of non-circular gears satisfying raw silk winding technique were solved by genetic algorithm. The winding motion mechanism driven by hybrid order Pascal curve non-circular gear pair was selected as an example to optimize the parameters, the test bench was developed and the raw silk winding experiment was carried out. The profile of winding mechanism driven by non-circular gear pairs basically coincides with the theoretical calculation profile, which verifies the correctness of the general mathematical model. Moreover, the package surface has a high planeness and a wide flattening area, which verifies the feasibility and superiority of the winding mechanism designed in the actual silk winding operation.

Key words: winding motion, non-circular gear, parameter optimization, silk reeling machine

中图分类号: 

  • TS103.1

图1

生丝卷绕运动"

图2

络交杆复合运动"

图3

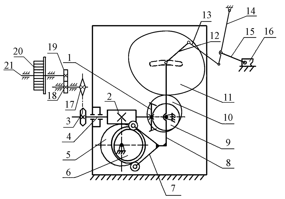
新型卷绕机构简图 1—主动锥齿轮;2—蜗杆;3—主动链轮;4—主轴;5—蜗轮;6—共轭凸轮;7—叉形摆杆;8—行星架;9—从动锥齿轮;10—一阶主动非圆齿轮;11—二阶从动非圆齿轮;12—曲柄;13—连杆;14—摆杆;15—推杆;16—络交杆;17—从动链轮;18—主动齿轮;19—从动齿轮;20—小 ;21—小 轴"

图4

一阶非圆齿轮及其二阶共轭非圆齿轮"

图5

周转轮系曲柄连杆滑块机构"

图6

卷装断面形状"

图7

生丝卷绕成形断面廓线"

图8

遗传寻优结果"

图9

理论计算卷装断面廓线"

图10

非圆齿轮副驱动的卷绕机构成形的卷装"

图11

周转轮系式卷绕机构成形的卷装"

表1

卷装断面廓线参数对比表"

类型 参数 试验卷装
断面廓线
—非圆齿
轮副驱动
的卷绕
机构
试验卷装
断面廓线
—周转轮
系式卷绕
机构
理论计算
断面廓线
—非圆齿
轮副驱动
的卷绕
机构
峰点高
hhigh1 11.0 10.6 11.4
hhigh2 10.4 8.7 11.0
max(hhigh1,hhigh2) 11.0 10.6 11.4
凹心最低点
高度
hlow 9.4 7.8 10.6
廓线总宽
W 63.0 57.0 65.0
平整段宽
Δw 33.0 22.5 34.0
[1] 刘季平, 谭之虎. 自动缫丝机烘丝工艺及装置创新的探索与研究[J]. 纺织科技进展, 2011(3):4-6.
LIU Jiping, TAN Zhihu. Innovative research of drying process and equipment of the automatic silk reeling machine[J]. Progress in Textile Science & Technology, 2011(3):4-6.
[2] BABU K M. Silk: Processing, Properties, and Struc-ture [M]. England: Woodhead Publishing Limited, 2013: 3-5.
[3] 杭州纺织机械厂, 杭州新华丝厂. 自动缫丝机理论与管理[M]. 北京: 机械工业出版社, 1985: 5-8.
Hangzhou Textile Machinery Co. Ltd, Hangzhou Xin Hua Silk Factory. Theory and Management of Automatic Reeling Machine[M]. Beijing: China Machine Press, 1985: 5-8.
[4] 徐昳荃. 自动缫丝络交张力的降低及其对生丝的影响[D]. 苏州:苏州大学, 2013: 4-7.
XU Yiquan. Tension reduction in automatic silk reeling process and its effect on the raw silk[D]. Suzhou: Soochow University, 2013: 4-7.
[5] 王旗成, 夏斯安, 高阜生, 等. ZD721型自动缫丝机的技术改造[J]. 丝绸, 1999(12):24-27.
WANG Qicheng, XIA Sian, GAO Fusheng. et al. Technical transformation of ZD721 automatic silk reeling machine[J]. Journal of Silk, 1999(12):24-27.
[6] 黄晨, 杨甫生, 项伟, 等. 飞宇2000型与D301A自动缫丝机性能比较与分析[J]. 丝绸, 2003(7):18-20.
HUANG Chen, YANG Pusheng, XIANG Wei. et al. Comparison with analysis in performance of automatic silk reeling machine between Feiyu 2000 and D301A[J]. Journal of Silk, 2003(7):18-20.
[7] 沈明德, 凌荣根. EB型自动缫丝机络交机构剖析[J]. 浙江丝绸工学院学报, 1990(3):26-31.
SHENG Mingde, LING Ronggen. The traverse gear of EB-model automatic reeling machine[J]. Journal of Zhejiang Silk Engineering College, 1990(3):26-31.
[8] 赵匀. 农业机械分析与综合[M]. 北京: 机械工业出版社, 2009: 159-171.
ZHAO Yun. Analysis and Synthesis of Agricultural Machinery[M]. Beijing: China Machine Press, 2009: 159-171.
[9] 钱永年, 杨礼直. 应用椭圆齿轮改进自动缫丝机络交机构性能[J]. 丝绸, 2001(8):12-15.
QIAN Yongnian, YANG Lizhi. Improving the performance of traverse mechanism with elliptic gears in automatic silk reeling machine[J]. Journal of Silk, 2001(8):12-15.
[10] WANG Ying, CHEN Jianneng, TAO Honglian, et al. Modeling and analysis of traverse mechanism with eccentric gear and conjugated two-lobed non-circular gear[J]. Textile Research Journal, 2017(17):2106-2116.
[11] 陈建能, 叶军, 赵华成, 等. 高阶变性偏心共轭非圆齿轮的凹凸性及根切判别[J]. 中国机械工程, 2014,25(22):3028-3033.
CHEN Jianneng, YE Jun, ZHAO Huacheng, et al. Concavity and tooth undercutting of high-order deformed eccentric conjugate non-circular gears[J]. China Mechanical Engineering, 2014,25(22):3028-3033.
[12] 王浩程, 刘健. 毛纺针梳机导条机构的MAPLE运动仿真设计及分析[J]. 纺织学报, 2014,35(6):119-123.
WANG Haocheng, LIU Jian. Simulation design and analysis of sliver guide mechanism of gilling machine with MAPLE[J]. Journal of Textile Research, 2014,35(6):119-123.
[13] 刘永平, 孟鹏飞. 巴斯噶蜗线型齿轮的啮合特性及数字制造技术研究[J]. 制造技术与机床, 2011(12):90-93.
LIU Yongping, MENG Pengfei. Study on meshing characteristic and digital manufacturing technology of pascal curve gears[J]. Manufacturing Technology & Machine Tool, 2011(12):90-93.
[14] 徐高欢, 陈建能. 高阶变性正弦类非圆齿轮节曲线建模及仿真(英文)[J]. 机床与液压, 2013,41(6):115-118.
XU Gaohuan, CHEN Jianneng. Modeling and simulation about sinusoidal non-circular gear pitch curve of the high order and denatured feature (English)[J]. Hydromechatronics Engineering, 2013,41(6):115-118.
[15] 徐高欢, 陈建能, 童志鹏. 混合高阶傅里叶非圆齿轮驱动的差速泵多目标参数优化[J]. 农业机械学报, 2016,47(1):383-390.
XU Gaohuan, CHEN Jianneng, TONG Zhipeng. Multi-objective optimization of mixed high-order Fourier non-circular gear-driven differential pump[J]. Transactions of the Chinese Society for Agricultural Machinery, 2016,47(1):383-390.
[16] 陶德华, 王英, 陈建能, 等. 脉动血流发生器非圆齿轮-曲柄滑块式驱动机构设计与分析[J]. 中国机械工程, 2017,28(16):1914-1920, 1927.
TAO Dehua, WANG Ying, CHEN Jianneng, et al. Design and analysis of non-circular gear slider-crank mechanisms used as driver for pulsating blood flow generators[J]. China Mechanical Engineering, 2017,28(16):1914-1920, 1927.
[17] 宋礽苏. 成绞、复摇和摇纱机卷绕原理及简谐络交设计[J]. 丝绸, 2010(4):31-37.
SONG Rengsu. Principle for wingding and forming, and simple harmonic quantity traverse winding design of thread reeling machines, raw silk rereeling machines and yarn reeling machines[J]. Journal of Silk, 2010(4):31-37.
[18] 康泰. 偏心齿轮传动对非等速导丝的补偿作用[J]. 浙丝科技, 1980(1):1-10.
KANG Tai. Compensation effect of eccentric gear drive on non-constant speed guide wire[J]. Journal of Zhejiang Silk Engineering College, 1980(1):1-10.
[19] 宋楚平, 李少芹. 应用改进遗传算法的自动配棉模型优化与应用[J]. 纺织学报, 2016,37(9):151-155.
SONG Chuping, LI Shaoqin. Optimum and application of automatic cotton blending by improved genetic algo-rithm[J]. Journal of Textile Research, 2016,37(9):151-155.
[20] 吴序堂, 王贵海. 非圆齿轮及非匀速比传动[M]. 北京: 机械工业出版社, 1997: 28-86.
WU Xutang, WANG Guihai. Non-circular Gears and Non-uniform Speed Transmission[M]. Beijing: China Machine Press, 1997: 28-86.
[21] 赵雄, 崔海洋, 代丽, 等. 混合驱动五杆花卉盘栽机构的优化设计与试验[J]. 农业工程学报, 2017,33(15):34-40.
ZHAO Xiong, CUI Haiyang, DAI Li, et al. Optimal design and experiment of hybrid-driven five-bar flower potted-seeding transplanting mechanism[J]. Transactions of the Chinese Society of Agricultural Enginerring, 2017,33(15):34-40.
[1] 罗海林, 傅雅琴, 刘柯. 直接成筒缫丝的自动缫丝机结构设计[J]. 纺织学报, 2020, 41(08): 115-120.
[2] 王晓晖, 刘月刚, 孟婥, 孙以泽. 基于遗传算法和神经网络的3D增材印花工艺参数优化[J]. 纺织学报, 2019, 40(11): 168-174.
[3] 韩瑞叶 杨瑞华 薛元 高卫东. 数码转杯纺的Stearns-Noechel配色模型[J]. 纺织学报, 2017, 38(12): 27-32.
Viewed
Full text


Abstract

Cited

  Shared   
  Discussed   
No Suggested Reading articles found!