Journal of Textile Research ›› 2019, Vol. 40 ›› Issue (02): 1-7.doi: 10.13475/j.fzxb.20180800307

• Fiber Materials •     Next Articles

Preparation and waterproof and moisture-permeable properties of electrospun polyurethane/silica composite superfine fiber membrane

ZHANG Qiong1, LIU Hanlin1, LI Pingping1, LI Ni1,2()   

  1. 1. Silk Institute,College of Materials and Textiles, Zhejiang Sci-Tech University, Hangzhou, Zhejiang 310018, China
    2. Key Laboratory of Advanced Textile Materials and Manufacturing Technology, Ministry of Education, Zhejiang Sci-Tech University, Hangzhou, Zhejiang 310018, China
  • Received:2018-08-01 Revised:2018-11-11 Online:2019-02-15 Published:2019-02-01
  • Contact: LI Ni E-mail:lini@zstu.edu.cn

Abstract:

In order to prepare a superfine fiber membrane with waterproof and moisture-permeable properties, polyurethane/silica (PU/SiO2) membranes were prepared by electrospinning. The spinning solution was prepared by adding hydrophobic SiO2 to PU solution. The effects of spinning solution concentration and membranes thickness on the pore size of the membranes were analyzed by software simulation. The waterproof and moisture-permeable properties of the membranes were characterized by the water contact angle, hydrostatic pressure, air permeability and moisture permeability. The effects of different SiO2 concentrations on the waterproof and moisture-permeable properties of the PU/SiO2 composite superfine fiber membranes were studied. The results show that the pore size of membranes increase with the spinning solution concentrations, and decrease with the increase of the membranes thickness. When the concentration of SiO2 is 9% and that of PU is 18%, the composite membranes are endowed with the water contact angle of 131°, the hydrostatic pressure of 6.4 kPa, the air permeability of 33.4 mm/s and the moisture permeability up to 8.065 kg/(m2·d). Meantime, the broken stress of the PU/SiO2 composite membranes reaches 4.16 MPa, and the elongation at break reaches 184%. Therefore, the membranes have better dimensional stability than pure PU membranes.

Key words: polyurethane, silica, electrospinning, waterproof and moisture-permeable property

CLC Number: 

  • TS102.5

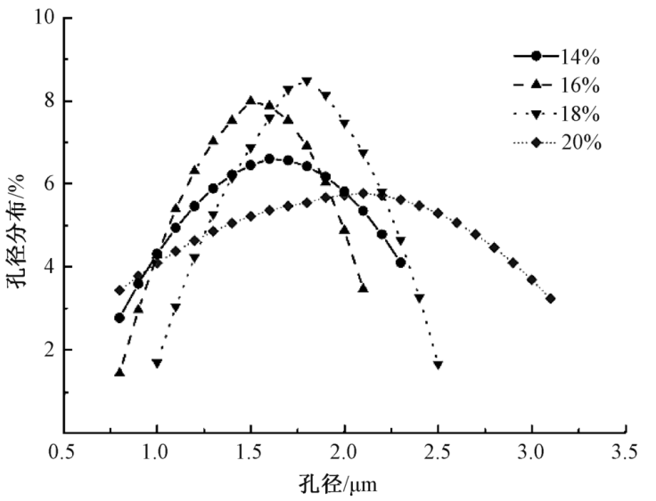
Fig.1

Pore size of PU membrane prepared with different mass fraction of PU"

Fig.2

3-D structure model of PU membrane prepared with different mass fraction of PU"

Fig.3

Pore size of PU membrane with different thicknesses"

Fig.4

Vertical view of 3-D structure model of PU membrane with different thicknesses"

Fig.5

SEM images of PU/SiO2 composite membranes"

Fig.6

TEM images of PU/SiO2 composite membranes"

Fig.7

FT-IR spectra of PU/SiO2 composite membranes prepared with different mass fraction of SiO2"

Tab.1

Pore size and porosity of PU/SiO2 composite membranes prepared with different mass fraction of SiO2"

SiO2质量分数量/% 平均孔径/μm 最大孔径/μm 孔隙率/%
0 2.273 28.256 54.20
3 2.435 41.257 53.90
6 4.218 42.850 52.70
9 3.031 35.868 52.10
12 3.423 39.714 51.03

Tab.2

Mechanical properties of PU/SiO2 composite membranes prepared with different mass fraction of SiO2"

SiO2质量
分数/%
断裂应
力/MPa
断裂伸长
率/%
初始模
量/MPa
0 6.15 238 14.72
3 5.70 216 14.53
6 4.54 203 13.62
9 4.16 184 13.61
12 3.10 162 14.21

Tab.3

Water contact angle and hydrostatic pressure of PU/SiO2 composite membranes parepared with different mass fraction of SiO2"

SiO2质量分数/% 静态水接触角/(°) 静水压/kPa
0 125 1.4
3 127 3.2
6 129 5.1
9 131 6.4
12 130 7.6

Fig.8

Air permeability and WWVT of PU/SiO2 composite membranes prepared with different mass fraction of SiO2"

[1] AHN H, PARK C, CHUNG S. Waterproof and breathable properties of nanoweb applied clothing[J]. Textile Research Journal, 2011,81(14):1438-1447.
[2] HUANG J. A new test method for determining water vapor transport properties of polymer membranes[J]. Polymer Testing, 2007,26(5):685-691.
[3] 周颖, 姚理荣, 高强. 聚氨酯/聚偏氟乙烯共混膜防水透气织物的制备及其性能[J]. 纺织学报, 2014,35(5):23-29.
ZHOU Ying, YAO Lirong, GAO Qiang. Preparation and characterization of polyurethane/polyvinylidene fluoride waterproof permeable composite fabric[J]. Journal of Textile Research, 2014,35(5):23-29.
[4] SUTON K, OMEROVIC K, KOVACEVIC M, et al. Analysis of Textile Materials Coating[M]. Zagreb: Faculty of Textile Technology, 2011: 239-249.
[5] PIOTR K, BOZENA K. Surface free energy of polyurethane coatings with improved hydrophobicity[J]. Colloid and Polymer Science, 2012,290(10):879-893.
doi: 10.1007/s00396-012-2598-x pmid: 22707844
[6] KAYAOGLU B K, OZTURK E, GUNER F S, et al. Improving hydrophobicity on polyurethane-based synthetic leather through plasma polymerization for easy care effect[J]. Journal of Coatings Technology and Research, 2013,10(4):549-558.
[7] HASHIZUME R, FUJIMOTO K L, HONG Y, et al. Morphological and mechanical characteristics of the reconstructed rat abdominal wall following use of a wet electrospun biodegradable polyurethane elastomer scaffold[J]. Biomaterials, 2015,31(12):3253-3265.
doi: 10.1016/j.biomaterials.2010.01.051 pmid: 20138661
[8] ZHANG M, SHENG J, YIN X, et al. Polyvinyl butyral modified polyvinylidene fluoride breathable-waterproof nanofibrous membranes with enhanced mechanical performance[J]. Macromolecular Materials and Engineering, 2016.DOI: org/10.1002/name.2016002/2.
pmid: 22184499
[9] 李静, 易玲敏, 王明乾, 等. 静电纺丝法制备超疏水氟硅改性纳米SiO2/PET共混膜[J]. 高分子材料科学与工程, 2016,32(12):115-120.
LI Jing, YI Lingmin, WANG Mingqian, et al. Fabrication superhydrophobic films of fluorosilicone-modified SiO2/PET by electrospinning[J]. Polymer Materials Science and Engineering, 2016,32(12):115-120.
[10] 徐旭凡. MCMC对聚氨酯膜防水透湿性能的影响[J]. 纺织学报, 2005,26(2):64-66.
XU Xufan. Effect of modified carboxymethyl cellulose on the waterproof and moisture permeability of the polyurethane film[J]. Journal of Textile Research, 2005,26(2):64-66.
[11] GU H, ZHANG Q, GU J, et al. Facile preparation of superhydrophobic silica nanoparticles by hydrothermal-assisted sol-gel process and effects of hydrothermal time on surface modification[J]. Journal of Sol-Gel Science and Technology, 2018: 87(2):478-485.
[12] 常怀云, 许淑燕, 应黎君, 等. 静电纺PAN纳米纤维多孔膜的微观结构与过滤性能[J]. 纺织学报, 2011,32(9):1-4.
CHANG Huaiyun, XU Shuyan, YING Lijun, et al. Microstructure and filtration properties of electrospun PAN nanofibrous porous membrane[J]. Journal of Textile Research, 2011,32(9):1-4.
[13] 张钊. SiO2基纤维隔热瓦热导率及压缩性能研究[D]. 哈尔滨:哈尔滨工业大学, 2014: 57-59.
ZHANG Zhao. Study on thermal conductivity and compression performance of SiO2-based fibrous insulation[D]. Harbin:Harbin Institute of Technology, 2014: 57-59.
[14] 杨友红, 王云发, 闻春香. 红外光谱法鉴别PVC革和PU革[J]. 产业用纺织品, 2010,28(2):44-47.
YANG Youhong, WANG Yunfa, WEN Chunxiang. The discrimination of PU leather and PVC leather by infrared spectroscopy[J]. Technical Textiles, 2010,28(2):44-47
[15] CORCUERA M A, RUEDA L, FEMANDEZ D, et al. Microstructure and properties of polyurethanes derived from castor oil[J]. Polymer Degradation and Stability, 2010,95(11):2175-2184.
[16] 谭晓玲, 果云, 潘肇琦, 等. 软段对水性聚氨酯结构与性能的影响[J]. 功能高分子学报, 2004(2):235-240.
TAN Xiaoling, GUO Yun, PAN Zhaoqi, et al. Influence of soft-segents on structure and properties of polyurethane emulsion[J]. Journal of Functional Polymers, 2004(2):235-240.
[1] PAN Lu, CHENG Tingting, XU Lan. Preparation of polycapne / polyethylene glycol nanofiber membranes with large pore sizes and its application for tissue engineering scaffoldrolacto [J]. Journal of Textile Research, 2020, 41(09): 167-173.
[2] YANG Kai, ZHANG Xiaomei, JIAO Mingli, JIA Wanshun, DIAO Quan, LI Yong, ZHANG Caiyun, CAO Jian. Preparation and adsorption performance of high-ortho phenolic resin based activated carbon nanofibers [J]. Journal of Textile Research, 2020, 41(08): 1-8.
[3] DUAN Hongmei, WANG Ximing, HUANG Zixin, GAO Jing, WANG Lu. Construction and drug release properties of fiber-based mesoporous SiO2 drug carrier [J]. Journal of Textile Research, 2020, 41(07): 15-22.
[4] CHEN Jiaying, TIAN Xu, PENG Jingjing, FANG Tong, GAO Weihong. Fabrication of structural colors for knitted fabrics [J]. Journal of Textile Research, 2020, 41(07): 117-121.
[5] WU Hong, LIU Chengkun, MAO Xue, YANG Zhi, CHEN Meiyu. Research progress in preparation and application of flexible zirconia nanofibers by electrospinning [J]. Journal of Textile Research, 2020, 41(07): 167-173.
[6] DING Yongsheng, DAI Yamin, ZHONG Yi, XU Hong, MAO Zhiping, ZHANG Linping, CHEN Zhize. Dyeing kinetics of reactive dye on cotton yarn in Pickering emulsion system [J]. Journal of Textile Research, 2020, 41(07): 101-108.
[7] LIU Guojin, SHI Feng, CHEN Xinxiang, ZHANG Guoqing, ZHOU Lan. Preparation of polyurethane / phase change wax functional finishing agents for heat storage and temperature regulation and their applications on cotton fabrics [J]. Journal of Textile Research, 2020, 41(07): 129-134.
[8] WANG Yating, ZHAO Jiaqi, WANG Bijia, FENG Xueling, QIAN Guochun, SUI Xiaofeng. Research progress in dyeing and functional finishing of artificial microfiber leather [J]. Journal of Textile Research, 2020, 41(07): 188-196.
[9] WANG Shubo, QIN Xiangpu, SHI Lei, ZHUANG Xupin, LI Zhenhuan. Preparation and properties of proton exchange membrane made from graphene oxide quantum dots / polyacrylonitrile nanofiber composites [J]. Journal of Textile Research, 2020, 41(06): 8-13.
[10] HAO Zhifen, XU Naiku, FENG Yan, DUAN Mengxin, XIAO Changfa. Preparation of fibrous membrane by blending polymethacrylate with polyacrylate and its oil / water separation property [J]. Journal of Textile Research, 2020, 41(06): 21-26.
[11] JIA Lin, WANG Xixian, TAO Wenjuan, ZHANG Haixia, QIN Xiaohong. Preparation and antibacterial property of polyacrylonitrile antibacterial composite nanofiber membranes [J]. Journal of Textile Research, 2020, 41(06): 14-20.
[12] WANG Tingting, LIU Liang, CAO Xiuming, WANG Qingqing. Preparation and photodynamic antimicrobial properties of hypocrellinpoly(methyl methacrylate-co-methacrylic acid) nanofibers [J]. Journal of Textile Research, 2020, 41(05): 1-7.
[13] SUN Fanchen, GUO Jing, YU Yue, ZHANG Sen. Preparation and properties of polyhydroxy fatty acid ester / sodium alginate composite electrospun nanofibers [J]. Journal of Textile Research, 2020, 41(05): 15-19.
[14] XU Daifang. Modification of aramid fiber with phosphorus acid and its effect on flammability and smoke suppression for rigid polyurethane foams [J]. Journal of Textile Research, 2020, 41(05): 30-37.
[15] WU Yingxin, HU Chengye, ZHOU Xiaoya, HAN Xiao, HONG Jianhan, GIL Ignacio. Strain sensing property of flexible wearable spandex / polyaniline / polyurethane composites [J]. Journal of Textile Research, 2020, 41(04): 21-25.
Viewed
Full text


Abstract

Cited

  Shared   
  Discussed   
No Suggested Reading articles found!