Journal of Textile Research ›› 2019, Vol. 40 ›› Issue (11): 175-181.doi: 10.13475/j.fzxb.20181104507

• Management & Information • Previous Articles     Next Articles

Prediction model and analysis of foot-ground reaction force based on pressure insole

WANG Hongcheng1, LANG Runnan1, WANG Fangfang2(), XU Fengyu1, SHEN Jingjin1   

  1. 1. College of Automation & College of Artificial Intelligence, Nanjing University of Posts and Telecommunications, Nanjing, Jiangsu 210023, China
    2. School of Textile and Clothing, Nantong University Nantong, Jiangsu 226019, China
  • Received:2018-11-15 Revised:2019-08-04 Online:2019-11-15 Published:2019-11-26
  • Contact: WANG Fangfang E-mail:wffsjj@ntu.edu.cn

Abstract:

In order to facilitate the doctor to remotely monitor the foot-ground reaction of the patient in daily life, an insole type foot pressure measurement system was designed. In the dynamic measurement of the plantar pressure, the analog signal of the pressure sensor is amplified, filtered and digital-analog converted, sent to the SQL database through the Zigbee wireless module, and the remote reading of the plantar pressure is realized by using the LabVIEW post-processing program. Based on the plantar pressure data, a multivariate linear regression model was used to establish a multivariate linear regression model of the foot-to-ground reaction. It was found that the FSR402 sensor has a high precision when measuring the pressure below 10 N, and the accuracy is significantly reduced when the pressure reaches 10 N and above. The insole pressure measurement system uses 0.248 8% and 0.731 8% of the error between the measured and predicted values measured by two comparison experiments, which is within the acceptable error range for engineering applications, the resulting error and the cause of negative predictive power is the accuracy of the sensor and the viscoelasticity between the foot and the insole.

Key words: foot-ground reaction force, insole, plantar pressure, smart wearable device, viscoelasticity

CLC Number: 

  • TS943.3

Fig.1

Voltage-pressure curve"

Fig.2

Overall layout of pressure sensor"

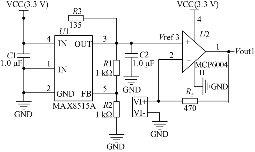
Fig.3

Signal amplification circuit diagram"

Fig.4

Wireless transmission hardware picture"

Fig.5

Flow chart of coordinator creating a network"

Fig.6

Graphical display interface diagram"

Fig.7

Experimental diagram"

Fig.8

Verification experiment 1(a) and 2(b)"

[1] 钱荷云. 基于日常生活活动的足底压力分析研究[D]. 天津:天津科技大学, 2015: 61.
QIAN Heyun. Study of plantar pressure based on activities of daily living[D]. Tianjin: Tianjin University of Science and Technology, 2015: 61.
[2] 李炜, 邱宏, 徐江, 等. 基于LabVIEW的足底压力测量系统研究[J]. 中国医疗器械杂志, 2011,35(1):19-23.
LI Wei, QIU Hong, XU Jiang, et al. Study of the plantar pressure measurement system based on LabVIEW[J]. Chinese Journal of Medical Devices, 2011,35(1):19-23.
[3] 方正, 张兴亮, 王超. 基于青年人足底压力测试的步态实验研究[J]. 生物医学工程学杂志, 2014,31(6):1278-1282,1293.
pmid: 25868244
FANG Zheng, ZHANG Xingliang, WANG Chao. Experimental study of gait based on the foot stress test of young people[J]. Journal of Biomedical Engineering, 2014,31(6):1278-1282,1293.
pmid: 25868244
[4] 李世光, 贾红毅, 赵建波. 糖尿病患者与健康人足底压力分布特征的比较[J]. 中国糖尿病杂志, 2013,21(5):439-441.
LI Shiguang, JIA Hongyi, ZHAO Jianbo. Comparison of plantar pressure distribution characteristics between diabetic patients and healthy people[J]. Chinese Journal of Diabetes, 2013,21(5):439-441.
[5] 郭彦青, 孟烈刚, 刘璐. 基于STM32的足底压力测量系统[J]. 计量与测试技术, 2015,42(7):9-11.
GUO Yanqing, MENG Liegang, LIU Lu. Plantar pressure measurement system based on STM32[J]. Measurement and Test Technology, 2015,42(7):9-11.
[6] 赵小文, 黄英, 陆伟. 一种炭黑-硅橡胶足底压力分布测量系统[J]. 华中科技大学学报(自然科学版), 2011,39(2):169-171.
ZHAO Xiaowen, HUANG Ying, LU Wei. A carbon black-silicon rubber plantar pressure distribution measuring system[J]. Journal of Huazhong University of Science and Technology(Natural Science Edition), 2011,39(2):169-171.
[7] 高琴. 基于嵌入式软核处理器技术的便携式人体足底压力分布测量系统[D]. 西安:西安工程大学, 2007: 15-25.
GAO Qin. Portable human plantar pressure distribution meas urement system based on embedded soft core processor technology[D]. Xi'an: Xi'an Polytechnic University, 2007:15-25.
[8] 赵伟博. 基于 PVDF 压电薄膜足底压力测量系统研究[D]. 哈尔滨:哈尔滨工程大学, 2016:21-25.
ZHAO Weibo. Research on plantar pressure measurement system based on PVDF piezoelectric film[D]. Harbin: Harbin Engineering University, 2016:21-25.
[9] 张凯华.基于 LabVIEW 的鞋垫式足底压力测量系统的研究[D]. 淄博:山东理工大学, 2009:22-23.
ZHANG Kaihua. Research on insole sole pressure meas-ure ment system based on LabVIEW[D]. Zibo: Shandong University of Technology, 2009:22-23.
[10] 张允泊.基于 STM32 的可穿戴鞋垫式足底压力检测系统设计[D]. 成都:电子科技大学, 2016:13-27.
ZHANG Yunbo. A design of wearable insole planter pressure measurement system based on the STM32[D]. Chengdu: University of Electronic Science and Technology of China, 2016:13-27.
[11] 金曼, 丁辛, 甘以明, 等. 足底压力分布测量鞋垫的研制[J]. 纺织学报, 2010,31(9):114-117.
JIN Man, DING Xin, GAN Yiming, et al. The develop ment of the sole pressure distribution measurement insoles[J]. Journal of Textile Research, 2010,31(9):114-117.
[12] ROUHANI H, FAVRE J, CREVOISIER X, et al. A wearable system for multi-segment foot kinetics measurement[J]. Journal of Biomechanics, 2014,47(7):1704-1711.
pmid: 24657105
[13] JUNG Y, JUNG M, LEE K. Ground reaction force estimation using an insole-type pressure mat and joint kinematics during walking[J]. Journal of Biomechanics, 2014,47, 2693-2699.
doi: 10.1016/j.jbiomech.2014.05.007 pmid: 24917473
[14] SIM T, KWON H, OH S E, et al. Predicting complete ground reaction forces and moments during gait with insole plantar pressure information using a wavelet neural network[J]. Journal of Biomechanical Engineering, 2015,137(9):693.
[15] 王兰美, 郭业民, 潘志国. 人体足底压力分布研究与应用[J]. 机械制造与研究, 2005,24(1):35.
WANG Lanmei, GUO Yimin, PAN Zhiguo. Study and application of human plantar pressure distribution[J]. Mechanical Manufacturing and Research, 2005,24(1):35.
[16] NAWATA K, NISHIHARA S, HAYASHI I, et al. Plantar pressure distribution during gait in athletes with functional instability of the ankle joint: preliminary report[J]. Journal of Orthopaedic Science, 2005,10(3):298-301.
pmid: 15928893
[17] LIPSITZ L A, KUN H, JASON L, et al. Foot pressure distribution during walking in young and old adults[J]. BMC Geriatrics, 2005,5(1):8.
doi: 10.1186/1471-2318-5-8
[18] 耿春亚, 马军, 郭忠武. 关于正常青年人不同直立方向力的检测与统计分析[J]. 航天医学与医学工程, 2003,16:364-367.
GENG Chunya, MA Jun, GUO Zhongwu. Detection and statistical analysis of different axial forces in normal young people[J]. Aerospace Medicine and Medical Engineering, 2003,16:364-367.
[19] 袁刚, 张木勋, 张建华. 足底压力分布测量系统及临床应用[J]. 中国康复, 2003,18(1):22.
YUAN Gang, ZHANG Muxun, ZHANG Jianhua. Measurement system and clinical application of plantar pressure distribution[J]. China Rehabilitation, 2003,18(1):22.
[20] FONG P, CHAN Y, HONG Y. Estimating the complete ground reaction forces with pressure insoles in walking[J]. Journal of Biomechanics, 2008,41, 2597-2601.
doi: 10.1016/j.jbiomech.2008.05.007 pmid: 18571656
[1] . Mechanical properties of basalt plain fabric reinforced hot bonded puncture-resistant insoles composites#br# [J]. Journal of Textile Research, 2019, 40(03): 54-58.
[2] YU QIN.  Dynamic viscoelasticity of cellulose diacetate fiber spinning solution [J]. JOURNAL OF TEXTILE RESEARCH, 2013, 34(3): 5-8.
[3] JIN Man;DING Xin;GAM Yiming;YANG Xudong. Research progress of wearable plantar pressure measurement technology [J]. JOURNAL OF TEXTILE RESEARCH, 2011, 32(1): 145-148.
[4] SHI Fengjun;ZHENG Dejun. Modeling the regular pattern of crease recovery angle of fabrics [J]. JOURNAL OF TEXTILE RESEARCH, 2008, 29(1): 54-57.
[5] SONG Jiangchao;LIANG Fangge;SHI Fengjun. Stress relaxation properties of yarns [J]. JOURNAL OF TEXTILE RESEARCH, 2007, 28(6): 40-44.
[6] ZHU Yongyi;LIU Xiaoming;CHEN Nanliang. Mechanical model for the stress relaxationof PVC calendered flexible composites [J]. JOURNAL OF TEXTILE RESEARCH, 2007, 28(11): 36-39.
[7] SHI Feng-jun;HU Jin-lian. Bending behavior of woven fabrics [J]. JOURNAL OF TEXTILE RESEARCH, 2005, 26(3): 15-18.
Viewed
Full text


Abstract

Cited

  Shared   
  Discussed   
No Suggested Reading articles found!