Journal of Textile Research ›› 2021, Vol. 42 ›› Issue (11): 173-178.doi: 10.13475/j.fzxb.20200605706

• Machinery & Accessories • Previous Articles     Next Articles

Force and position fuzzy impedance control of a sewing robot

WANG Xiaohua(), WANG Yuhe, ZHANG Lei, WANG Wenjie   

  1. College of Electronics and Information, Xi'an Polytechnic University, Xi'an, Shaanxi 710048, China
  • Received:2020-06-19 Revised:2021-03-07 Online:2021-11-15 Published:2021-11-29

Abstract:

The end-effector of a sewing robot needs constant force when pressing the fabric for forward movement and sewing so as to ensure wrinkle free in fabrics and uniform sewing track,the fuzzy impedance control method was used to control simultaneously the robot end position and the contact force between the robot end and the fabric. According to the actual sewing task of the sewing robot, the system model was established, and the force/impedance control strategy was adopted to control the force and position of the robot's end press on the fabric, and the optimal impedance parameters of the sewing system were selected according to fuzzy rules. The dynamic balance between the position of the robot operating the fabric and the operating force pressing the fabric at the end of the robot was established, and the simultaneous control requirements of the contact force and position during sewing achieved on the basis of ensuring the smooth movement of each joint of the robot.

Key words: sewing robot, sewing system, fuzzy impedance control, contact force, press position

CLC Number: 

  • TP242

Fig.1

Sewing robot working platform"

Fig.2

Schematic diagram of position-based impedance control structure"

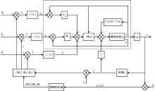
Fig.3

Block diagram of sewing robot fuzzy impedance controller"

Tab.1

ΔMd fuzzy rules table"

e ec
NB NM NS Z PS PM PB
NB PB PB PM PM PS Z Z
NM PB PB PM PS PS Z NS
NS PM PM PM PS Z NS NS
Z PM PM PS Z NS NM NM
PS PS PS Z NS NS NM NM
PM PS Z NS NM NM NM NB
PB Z Z NM NM NM NB NB

Fig.4

Comparison curve of end force and position tracking of sewing robot. (a) Force tracking curve; (b) Position tracking curve"

Fig.5

Position impedance contcol and fuzzy impedance control. (a) Force tracking curve; (b) Position tracking curve"

Fig.6

Robot operating fabric sewing"

Fig.7

X (a), Y (b) and Z (c) direction movement curve of robot end"

Fig.8

Angular displacement (a), angular speed (b) and angular acceleration (c) curves of each joint of robot"

[1] 丁敏. 缝纫机器人带来的机遇和挑战[J]. 中国纤检, 2018(2):124-125.
DING Min. Opportunities and challenges brought by sewing robots[J]. China Fiber Inspection, 2018(2):124-125.
[2] PANAGIOTIS N, KOUSTOUMPARDIS N, NIKOS A. Intelligent hierarchical robot control for sewing fabrics[J]. Robotics and Computer Integrated Manufacturing, 2014(30):34-46.
[3] 高强, 潘俊, 李震. 面向软面料自主抓取的机器人视觉检测与定位[J]. 计算机测量与控制, 2019, 27(7):20-24.
GAO Qiang, PAN Jun, LI Zhen. Visual detection and localization of robots' grasps automatically on soft fabric[J]. Computer Measurement & Control, 2019, 27(7):20-24.
[4] MARIOLIS I G, DERMATAS E S. Automated assessment of textile seam quality based on surface roughness estimation[J]. Journal of The Textile Institute, 2010, 101(7):653-659.
doi: 10.1080/00405000902732883
[5] KOUSTOUMPARDIS P N, ASPRAGATHOS N A. Fuzzy logic decision mechanism combined with a neuro-controller for fabric tension in robotized sewing process[J]. Journal of Intelligent & Robotic Systems Theory & Applications, 2003, 36(1):65-88.
[6] DIMITRA T, PANAGIOTIS N, KOUSTOUMPARDIS, et al. Model reference fuzzy learning force control for robotized sewing [C]//19th Mediterranean Conference on Control and Automation. Corfu: IEEE, 2011: 1460-1465.
[7] SHIRIN Y, JUAN D, THOMAS B. Trajectory adaptation for an impedance controlled cooperative robot according to an operator's force[J]. Automation in Construction, 2019, 103:213-220.
doi: 10.1016/j.autcon.2019.01.006
[8] LU X, ZHAO Y, LIU M. Self-learning interval type-2 fuzzy neural network controllers for trajectory control of a delta parallel robot[J]. Neurocomputing, 2018, 28(3):107-119.
doi: 10.1016/S0925-2312(98)00118-0
[9] JOHANNES S, MAGNUS B, GEIR M. Velocity coordination and corner matching in a multi-robot sewing cell [C]//IEEE/RSJ International Conference on Intelligent Robots and Systems(IROS 2014). Chicago: IEEE, 2014: 4476-4481.
[10] KUDO M, NASU Y, MITOBE K, et al. Multi-arm robot control system for manipulation of flexible materials in sewing operation[J]. Mechatronics, 2000, 103:371-402.
[11] 张建军, 刘卫东, 李乐, 等. 未知环境下水下机械手智能抓取的自适应阻抗控制[J]. 上海交通大学学报, 2019, 53(3):341-347.
ZHANG Jianjun, LIU Weidong, LI Le, et al. Adaptive impedance control for underwater manipulator intelligent grasping in unknown environment[J]. Journal of Shanghai Jiaotong University, 2019, 53(3):341-347.
[12] 杨贻俊, 侯明. 基于模糊微分先行PID的直线电机控制研究[J]. 电工技术, 2019(18):3-6.
YANG Yijun, HOU Ming. Research on linear motor control based on fuzzy differential forward PID[J]. Electric Engineering, 2019(18):3-6.
[1] WEI Zhan, JIN Guoguang, LI Bo, SONG Yanyan, LU Chunhui. Modeling and simulation of contact force generated by beating-up cam in rapier looms [J]. Journal of Textile Research, 2020, 41(03): 154-159.
Viewed
Full text


Abstract

Cited

  Shared   
  Discussed   
[1] . [J]. JOURNAL OF TEXTILE RESEARCH, 2003, 24(06): 35 -36 .
[2] . [J]. JOURNAL OF TEXTILE RESEARCH, 2003, 24(06): 107 .
[3] . [J]. JOURNAL OF TEXTILE RESEARCH, 2003, 24(06): 109 -620 .
[4] . [J]. JOURNAL OF TEXTILE RESEARCH, 2004, 25(02): 105 -107 .
[5] . [J]. JOURNAL OF TEXTILE RESEARCH, 2004, 25(02): 108 -110 .
[6] . [J]. JOURNAL OF TEXTILE RESEARCH, 2004, 25(02): 111 -113 .
[7] . [J]. JOURNAL OF TEXTILE RESEARCH, 2004, 25(02): 114 -115 .
[8] . [J]. JOURNAL OF TEXTILE RESEARCH, 2004, 25(02): 116 -118 .
[9] . [J]. JOURNAL OF TEXTILE RESEARCH, 2004, 25(02): 119 -120 .
[10] . [J]. JOURNAL OF TEXTILE RESEARCH, 2004, 25(03): 7 -8 .