纺织学报 ›› 2023, Vol. 44 ›› Issue (03): 158-167.doi: 10.13475/j.fzxb.20220102410

• 服装工程 • 上一篇    下一篇

面向服装面料自动缝合的缝纫工艺参数建模

文嘉琪1,2, 李新荣1,2(), 李兴兴1,2, 吴柳波1,2   

  1. 1.天津工业大学 机械工程学院, 天津 300387
    2.天津市现代机电装备技术重点实验室, 天津 300387
  • 收稿日期:2022-01-13 修回日期:2022-10-24 出版日期:2023-03-15 发布日期:2023-04-14
  • 通讯作者: 李新荣(1975—),男,教授,博士。主要研究方向为纺织服装装备智能化。E-mail:lixinrong7507@hotmail.com
  • 作者简介:文嘉琪(1999—),女,硕士生。主要研究方向为面向鞋服行业的机器人关键技术。
  • 基金资助:
    国家重点研发计划项目(2018YFB1308801);国家重大技术装备攻关工程项目(2021-1635-06);: 天津市131创新型人才团队项目(201916)

Parametrical modeling of sewing process for automatic stitching of garment fabrics

WEN Jiaqi1,2, LI Xinrong1,2(), LI Xingxing1,2, WU Liubo1,2   

  1. 1. School of Mechanical Engineering, Tiangong University, Tianjin 300387, China
    2. Key Laboratory of Modern Mechanical and Electrical Equipment Technology, Tianjin 300387, China
  • Received:2022-01-13 Revised:2022-10-24 Published:2023-03-15 Online:2023-04-14

摘要:

为了解决缝纫中面料性能与缝纫加工工艺参数仅依靠技术工的经验完成匹配的问题,通过建立面料在缝纫过程中的多力场耦合模型智能选择缝纫加工工艺参数。以纬编织物为例,首先建立了织物单元的三维结构模型;其次分析了穿刺过程中织物组织与纱线间的抱合力对缝纫针的影响,并对面料在缝纫过程中的运动进行分析,创新性地建立了缝纫过程中基于面料力学性能的多力场耦合模型;然后建立了织物的有限元模型和缝纫针的几何模型,分析面料在缝纫过程中应力、应变的分布情况,得到面料在缝纫过程中因受外力作用而发生的形变并验证模型的正确性;最后搭建了协同自动缝纫实验平台进行实验验证数学多力场耦合模型的正确性。结果表明,该方法相比于工人凭借着经验完成缝纫可减少面料的形变和皱缩率,提高服装缝纫质量,为下一步服装面料自动缝合提供工艺参数,并为服装智能制造提供理论及技术参考。

关键词: 织物组织, 力场耦合, 缝纫工艺, 自动缝合, 服装面料

Abstract:

Objective In order to improve the sewing quality of garments and to solve the current problem of matching fabric properties and sewing processing parameters by skilled workers in sewing relying only on experience, this research selects sewing processing parameters that match fabric properties by establishing a mathematical model of the multi-force field coupling of fabrics in the sewing process, which not only realizes an unmanned and automated production method in the garment industry, but also meets the future trend of multi-batch and multi-variety development in the garment industry.

Method In this research, a structural model of a weft knitted fabric is established followed by an investigation on the influence of the holding force between fabric tissue and yarn on the piercing process of the sewing needle. A novel force-field coupling model is developed based on the mechanical properties of the fabric during the sewing process. A finite element model of the fabric and a geometric model of the sewing needle are developed to verify the correctness of the multi-field coupling model, and a collaborative automatic sewing platform is built to verify the matching between the fabric and the sewing process parameters based on the multi-position coupling model.

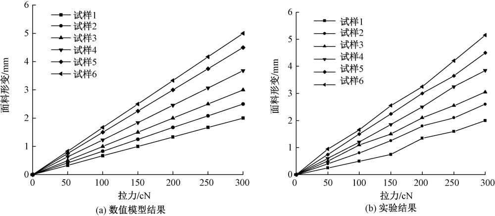
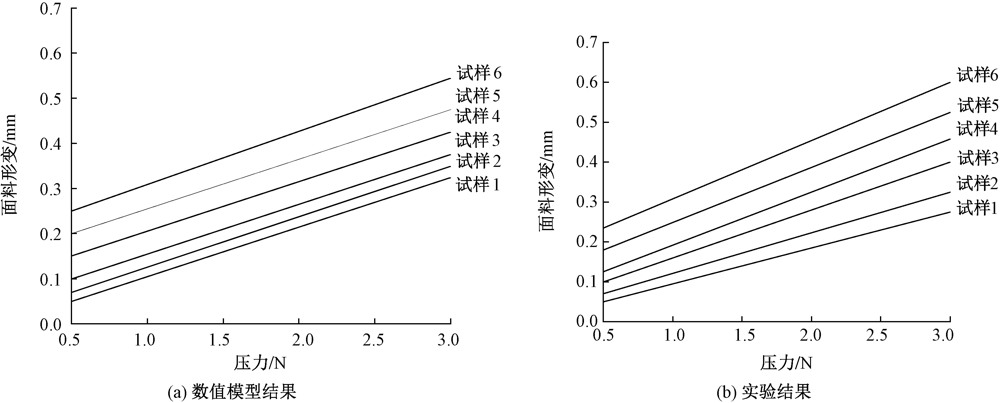
Results Larger the needle size resulted in greater frictional resistance of the fabric to the needle. It revealed the puncture force varies with the needle gauge when sewing on the same fabric (Tab.2), and with different fabrics at the same needle gauge. The strain produced by the same needle gauge when piercing fabrics varied with different Poisson's ratios (Fig.11). The strain increased with the increase in the Poisson's ratio, and the largest strain of 0.106 mm was found for a Poisson's ratio of 0.25 and the smallest strain of 0.095 mm for a size 12 needle. On the experimental platform, six knitted weft fabrics were tested using six different pressures and tensile forces, and the relationship between them was described in two sets of graphs (Fig.14(a) and Fig.15(a)), the higher the coefficient of friction, the higher the frictional force to which it is subjected. The higher the coefficient of friction of the fabric, the higher the resulting frictional force and the higher the strain that occurs when the fabric was subjected to the same pressure (Fig.14(b) and Fig.15(b)). It shows the numerical models of the relationship between the tensile force applied to the fabric and the deformation it undergoes in the form of force-deformation curve (Fig.14(c) and Fig.15(c)). As the Poisson's ratio of the fabric increases, the results indicated that the greater the amount of strain was produced for the same tensile force. The fabric sewing shrinkage curves are shown (Fig.16). When comparing the same tensile strengths, No. 12 has the greatest effect on the sewing shrinkage of the fabric and No.11 has the least effect on the sewing shrinkage of the fabric. When comparing adjacent tensile strengths, the sewing shrinkage of the fabric changes significantly when the fabric was subjected to tensile strengths between 100 cN and 150 cN, while the sewing shrinkage of the fabric changes less when the tensile strength was between 150 cN and 200 cN. The sewing crinkle rate tends to increase when the pulling force was greater than 200 cN, indicating that the use of a pulling force greater than 200 cN stretches the fabric and causes the fabric to suffer from excessive pinholes.

Conclusion The greater the radius of the sewing needle when piercing the fabric, the greater the holding force of the yarns during the sewing process, the tighter the fabric structure, and the greater the sewing resistance. Applying a certain amount of tension during the sewing process changes the density of the fabric, thus moderating the effect of the holding force of the yarns and the frictional resistance on the sewing needle. The tension applied to the fabric during the sewing process has a greater impact on the sewing quality of the fabric, and by applying different tensions to different fabrics and choosing the sewing conditions reasonably, the quality of the sewing can be improved and the shrinkage rate of the fabric reduced. In contrast to workers' experience in sewing fabrics with needles and the study of fabric stress and fabric deformation during sewing, modelling and selection of suitable processing parameters for sewing fabrics on a collaborative automatic sewing experiment platform can improve the quality of fabric sewing and provide data for future sewing processes in fully automatic and unmanned production lines.

Key words: fabric structure, force field coupling, sewing technology, automatic stitching, garment fabric

中图分类号: 

  • TP317.4

图1

基于力学的针织纬编织物线圈模型"

图2

面料在缝纫过程中的受力分析"

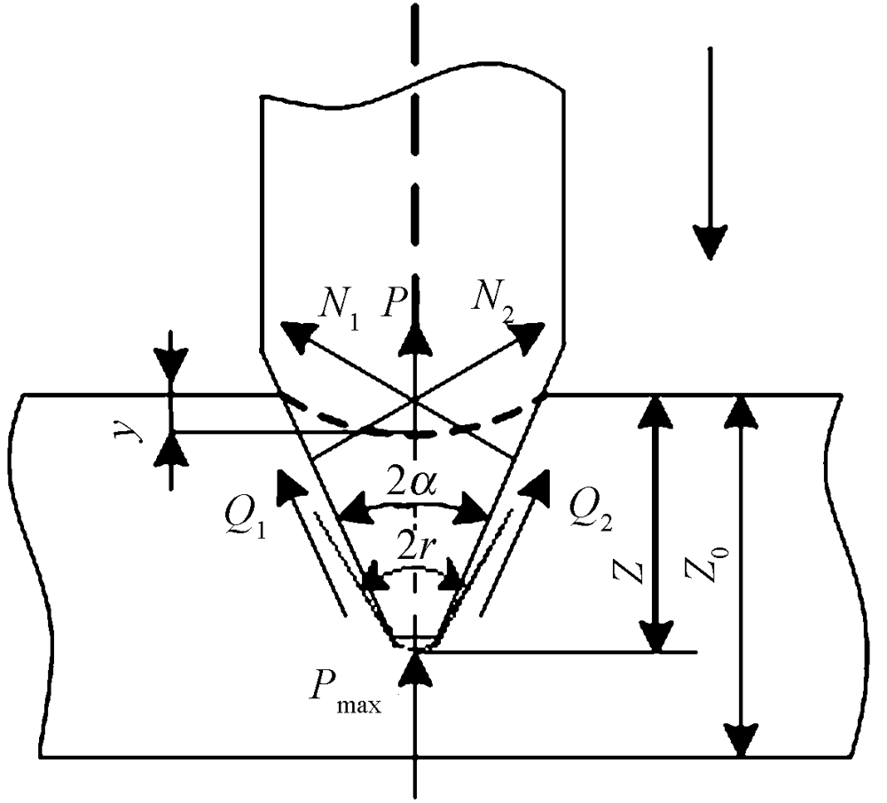
图3

缝纫针对面料穿刺时的受力分析"

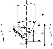
图4

缝纫针穿刺面料时受到的阻力分析"

图5

纱线受力分析图"

图6

面料缝纫过程简单示意图"

图7

针织纬编织物单元结构三维模型"

表1

缝纫加工工艺参数"

针距/
(针·cm-1)
半径/mm 拉力/
cN
车缝速度/
(针·min-1)
11号针 12号针 14号针
4.5 0.75 0.80 0.90 0~300 2100

表2

面料性能"

织物
面密度/
(g·m-2)
织物
厚度/
mm
密度/(线圈数·(5 cm)-1) 比热/
(J·
(kg·℃)-1)
泊松
断裂强度/(N·(5 cm)-1) 断裂伸
长率/
%
压力/
N
拉伸、剪
切弹性
模量之比
面料
摩擦
因数
纱线间
摩擦
因数
横密 纵密 横向 纵向
70 0.356 290 320 1 175 0.25 422.4 473.2 35.3 2 3.70 0.30 0.20

图8

有限元模型的边界条件设置"

图9

缝纫针穿刺模型网格划分图"

图10

纱线对缝纫针的摩擦阻力"

表3

缝纫针半径与缝纫穿刺力关系"

试样
编号
实验穿刺力值 模型穿刺力值
11号针 12号针 14号针 11号针 12号针 14号针
1 3.56 3.72 4.23 3.42 3.92 4.20
2 3.66 3.99 4.25 3.62 4.13 4.30
3 3.79 4.15 4.36 3.72 4.10 4.40
4 3.69 4.25 4.37 3.65 4.22 4.42
5 3.92 4.10 4.52 4.02 4.30 4.51
6 3.99 4.23 4.66 3.40 4.13 4.66

图11

不同泊松比与针号下面料产生的应变"

图12

纱线间抱合力与缝纫针穿刺半径的关系"

图13

面料所受到的拉力与缝缩率的关系"

图14

面料所受到压力与摩擦力的关系"

表4

面料材料属性参数"

试样编号 织物密度/(线圈
数·(5 cm)-1)
线密度/
tex
厚度/
mm
面密度/
(g·
m-2)
断裂强力/N
纵密 横密 纵向 横向
1 371.2 330.2 9.2 0.224 70.40 193.2 156.2
2 375.3 362.1 7.9 0.201 74.30 183.2 142.3
3 395.2 302.3 9.7 0.195 71.02 362.2 254.3
4 375.6 354.2 9.2 0.302 72.20 232.4 365.7
5 379.7 430.2 8.2 0.334 120.30 430.2 356.4
6 380.1 322.0 10.0 0.256 93.60 326.4 256.9

图15

面料所受到压力与面料形变的关系"

图16

面料所受拉力与面料形变的关系"

图17

面料缝缩率曲线"

[1] 肖平, 钱伯丹, 鲁虹, 等. 服装缝纫平整度的研究进展[J]. 纺织学报, 2019, 40(11): 182-188.
XIAO Ping, QIAN Bodan, LU Hong, et al. Research progress of garment sewing flatness[J]. Journal of Textile Research, 2019, 40(11): 182-188.
[2] MARIOLIS I G, DERMATAS E S. Automated assessment of textile seam quality based on surface roughness estimation[J]. The Journal of The Textile Institute, 2010, 101(7): 653-659.
doi: 10.1080/00405000902732883
[3] YIN R, TAO X M, XU B. Yarn and fabric properties in a modified ring spinning system considering the effect of the friction surface of the false-twister[J]. Textile Research Journal, 2020, 90(5/6): 572-580.
doi: 10.1177/0040517519873057
[4] ZHANG J, PAN R, WANG J, et al. An efficient method for density measurement for high-tightness woven fabrics[J]. Textile Research Journal, 2017, 87(3): 329-339.
doi: 10.1177/0040517516629147
[5] CHENG KP S, POON K P W. Seam properties of woven fabrics[J]. Textile Asia, 2002(3): 30-34.
[6] CHOUDHARY A K, SIKKA M P, BANSAL P. The study of sewing damage and defects in garments[J]. Research Journal of Textile and Apparel, 2018, 22(2): 109-125.
doi: 10.1108/RJTA-08-2017-0041
[7] 张旭靖, 王立川, 陈雁. 基于遗传算法的服装缝制生产线平衡优化[J]. 纺织学报, 2020, 41(2): 125-129.
ZHANG Xujing, WANG Lichuan, CHEN Yan. Balance optimization of garment sewing production line based on genetic algorithm[J]. Journal of Textile Research, 2020, 41 (2): 125-129.
[8] 丁敏. 缝纫机器人带来的机遇和挑战[J]. 中国纤检, 2018(2): 124-125.
DING Min. Opportunities and challenges brought by sewing robot[J]. China Fiber Inspection, 2018(2): 124-125.
[9] LEE S, RHO S, LIM D, et al. A basic study on establishing the automatic sewing process according to textile properties[J]. Processes, 2021, 9(7): 1206.
doi: 10.3390/pr9071206
[10] KOUSTOUMPARDIS P N, ASPRAGATHOS N A. Intelligent hierarchical robot control for sewing fabrics[J]. Robotics and Computer-Integrated Manufacturing, 2014, 30(1): 34-46.
doi: 10.1016/j.rcim.2013.08.001
[11] 吴柳波, 李新荣, 杜金丽. 基于轮廓提取的缝纫机器人运动轨迹规划研究进展[J]. 纺织学报, 2021, 42(4): 191-200.
WU Liubo, LI Xinrong, DU Jinli. Research progress of motion trajectory planning for sewing robots based on contour extraction[J]. Journal of Textile Research, 2021, 42(4): 191-200.
[12] PAN R, GAO W, LI W, et al. Image analysis for seam-puckering evaluation[J]. Textile Research Journal, 2017, 87(20): 2513-2523.
doi: 10.1177/0040517516673330
[13] 姚晓林, 姜亚明, 邱冠雄, 等. 纬编针织物刺物穿刺过程纱线张力变化特性[J]. 针织工业, 2006(5): 16-18.
YAO Xiaolin, JIANG Yaming, QIU Guanxiong, et al. Characteristics of yarn tension changes during the puncture process of weft knitted knitted fabrics[J]. Knitting Industries, 2006(5): 16-18.
[14] 邹奉元, 全小凡, 方丽英. 丝绸面料缝口性能与缝纫条件的关系[J]. 纺织学报, 2002, 23(1): 53-55.
ZOU Fengyuan, QUAN Xiaofan, FANG Liying. The relationship between sewing performance and sewing conditions of silk fabrics[J]. Journal of Textile Research, 2002, 23(1): 53-55.
doi: 10.1177/004051755302300109
[1] 薛宝霞, 史依然, 张凤, 秦瑞红, 牛梅. 无卤氧化铁改性涤纶阻燃织物的制备及其性能[J]. 纺织学报, 2022, 43(05): 130-135.
[2] 刘汉邦, 李新荣, 冯文倩, 吴柳波, 袁汝旺. 面向服装面料的柯恩达效应式非接触夹持器吸附性能[J]. 纺织学报, 2022, 43(02): 208-213.
[3] 左亚君, 蔡赟, 王蕾, 高卫东. 纯棉纱线合股数对织物性能的影响[J]. 纺织学报, 2021, 42(04): 74-79.
[4] 金耀, 蔡腾皓, 李彩曼, 胡雅丽, 鲁佳亮, 王怡. 基于椅子铺砌方法的织物组织设计[J]. 纺织学报, 2020, 41(09): 54-58.
[5] 吴莹, 占竹, 汪军. 基于通用字典的局部机织物纹理稳定表征[J]. 纺织学报, 2019, 40(11): 45-49.
[6] 张苏道, 薛文良, 魏孟媛, 周黄鹂. 眼动仪在服装面料色彩视觉评价中的应用[J]. 纺织学报, 2019, 40(03): 139-145.
[7] 杨文权 蒋金华 陈南梁. 玻璃纤维织物在剪切变形作用下的渗透率[J]. 纺织学报, 2018, 39(08): 58-62.
[8] 李敏 赵影 张丽平 张奕 付少海. 涤纶针织物数码印花清晰度的影响因素[J]. 纺织学报, 2018, 39(05): 62-66.
[9] 蒋志青 马延涛 郭亚 马建伟 陈韶娟. 仿针织牛仔面料的开发及性能评价[J]. 纺织学报, 2018, 39(03): 45-49.
[10] 黄帅 张毅 周志华. 采用因子分析法的服用织物电磁屏蔽性能影响因素分析[J]. 纺织学报, 2016, 37(2): 149-154.
[11] 段永洁 谢春萍 刘新金. 棉/不锈钢长丝机织物的电磁屏蔽及折皱回复性能[J]. 纺织学报, 2016, 37(09): 31-36.
[12] 周小溪 梁惠娥. 服装面料感性意象的评价与分析[J]. 纺织学报, 2015, 36(03): 99-104.
[13] 吕钊 王婷. 服装面料缺陷肌理的内涵与应用设计[J]. 纺织学报, 2013, 34(12): 101-0.
[14] 张江丰 樊臻 张森林. 基于核模糊聚类的机织物组织自动识别[J]. 纺织学报, 2013, 34(12): 131-0.
[15] 罗炳金. 棉织锦3 种色彩组织模型设计与应用[J]. 纺织学报, 2012, 33(7): 37-42.
Viewed
Full text


Abstract

Cited

  Shared   
  Discussed   
No Suggested Reading articles found!