Journal of Textile Research ›› 2020, Vol. 41 ›› Issue (06): 153-160.doi: 10.13475/j.fzxb.20190706708

• Machinery & Accessories • Previous Articles     Next Articles

Improvement scheme and practice of weft-straightening machine

LIU Jianbao1, LI Ping1,2(), JIN Fujiang3, MEI Xiaohua1,2   

  1. 1. College of Information Science and Engineering, Huaqiao University, Xiamen, Fujian 361021, China
    2. Fujian Engineering Research Center of Motor Control and System Optimal Schedule, Xiamen, Fujian 361021, China
    3. College of Mechanical Engineering and Automation, Huaqiao University, Xiamen, Fujian 361021, China
  • Received:2019-07-26 Revised:2019-11-20 Online:2020-06-15 Published:2020-06-28
  • Contact: LI Ping E-mail:pingping_1213@126.com

Abstract:

The existing weft-straightening machine for woven fabrics has poor corrective effect on common types of weft skewness such as double bow and double hook, and computation for readjustment of rotating speed is complex for the weft-straightening machine. Accordingly, an improved scheme of weft-straightening machine was designed and experimented. Firstly, an improved structure of multi-roll weft straightener was proposed after analyzing the principle of weft straightening of roller weft straightener. The equation was used to simulate the common weft skew types, and the initial weft shape was obtained for calculating the weft slope of the fabric before weft correction. Eight points on the weft was used to describe the weft slope, and the simulation database of weft skew detection was thus established. Finally, a method was designed to obtain the adjustments of each weft roll by using the least square method based on the detected weft inclination data, reducing the computational complexity and enabling the calculation of the weft slope after weft rectification according to the final orientation of the weft. Experimental results show that the effect of weft-straightening machine is improved by readjusting the weft straightener, leading to a 100% first-class fabric qualification rate for different types of weft skew problems.

Key words: fabric weft skewness, weft-straightening machine, data simulation, data interpolation, least squares method

CLC Number: 

  • TS195.3

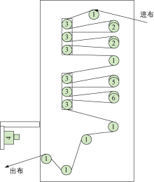
Fig.1

Camera weft-straightening diagram"

Fig.2

Fabric image collection"

Fig.3

Weft processing based on camera weft-straightening"

Fig.4

Relationship between straight roll angle and adjustment amount"

Fig.5

Relationship between bending angle and adjustment amount"

Fig.6

Correction of weft deformation. (a) Correction for weft skew only; (b) Correction for weft bend only; (c) Correction with both weft skew and weft bend"

Fig.7

Double bow weft and double reverse bow weft"

Fig.8

Left bending roll and right bending roll"

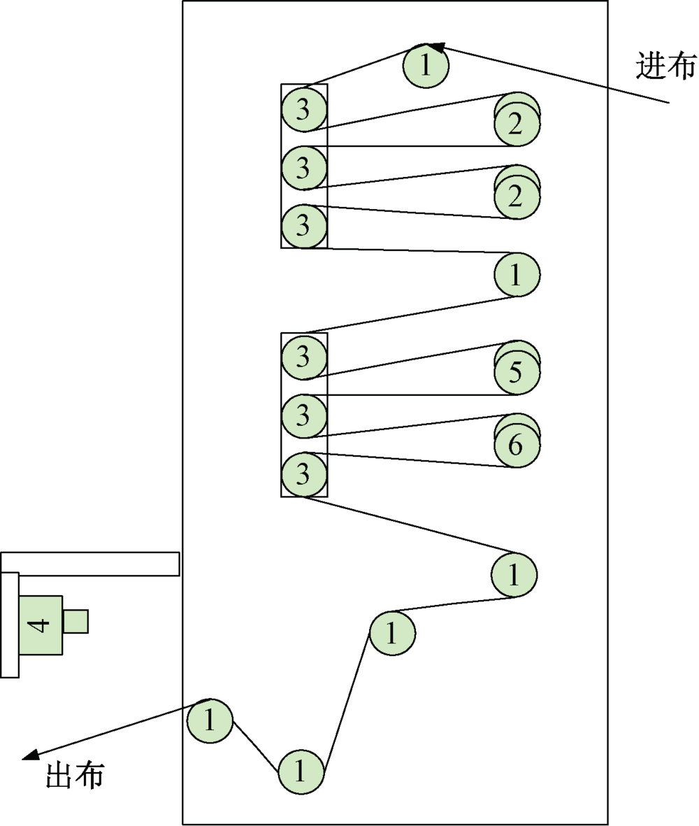
Fig.9

Improved structure of weft-straightening"

Fig.10

Several weft patterns in national standards"

Tab.1

Cubic spline interpolation result"

纬纱形态 最大值 平均值 标准差
斜纬 0.062 2 0.014 4 0.011 0
单弓纬 0.068 6 0.017 6 0.012 5
双弓纬 0.816 3 0.113 4 0.140 4
双反弓纬 1.084 2 0.108 0 0.186 6
钩弓 0.907 0 0.137 5 0.169 2
双钩弓纬 1.030 5 0.230 3 0.167 8

Tab.2

Results after using different interpolation methods"

纬纱形态 最大值 平均值 标准差
斜纬 0.024 6 0.005 4 0.004 1
单弓纬 0.052 3 0.010 5 0.008 4
双弓纬 0.258 6 0.029 5 0.040 8
双反弓纬 0.187 9 0.025 0 0.031 3
钩弓 0.230 9 0.031 6 0.035 5
双钩弓纬 0.247 7 0.047 9 0.042 1

Tab.3

Result before improved latitude"

纬纱
形态
最大
平均
标准
优等
品/%
一等
品/%
二等
品/%
斜纬 0.024 2 0.005 1 0.004 0 100 100 100
单弓纬 0.049 0 0.009 9 0.008 2 100 100 100
双弓纬 0.402 0 0.051 5 0.053 5 88 98 100
双反弓纬 0.532 7 0.064 4 0.054 7 89 94 99
钩弓 0.324 8 0.049 6 0.047 5 98 100 100
双钩弓纬 0.453 5 0.083 9 0.073 2 74 94 100

Tab.4

Result after improved latitude"

纬纱
形态
最大
平均
标准
优等
品/%
一等
品/%
二等
品/%
斜纬 0.023 7 0.005 3 0.004 0 100 100 100
单弓纬 0.047 5 0.010 1 0.008 2 100 100 100
双弓纬 0.316 4 0.033 8 0.044 7 95 100 100
双反弓纬 0.303 4 0.033 0 0.038 3 99 100 100
钩弓 0.249 3 0.033 0 0.037 4 100 100 100
双钩弓纬 0.349 0 0.050 9 0.050 8 91 100 100
[1] 曾林泉. 纺织品热定型整理原理及实践1[J]. 染整技术, 2011,33(12):1.
ZENG Linquan. Principle and practice of textile thermosetting finishing:1[J]. Textile Dyeing and Finishing Journal, 2011,33(12):1-6.
[2] 刘洲峰, 王龙, 赵亚茹, 等. 摄像整纬控制系统的设计[J]. 自动化应用, 2016(7):69-71.
LIU Zhoufeng, WANG Long, ZHAO Yaru, et al. Design of camera weft rectification control system[J]. Automation Application, 2016(7):69-71.
[3] 张峰. 虚拟仪器在织物纬斜检测中的应用[J]. 纺织学报, 2007,28(1):105-107.
ZHANG Feng. Application of virtual instrument in weft inclination detection of fabrics[J]. Journal of Textile Science, 2007,28(1):105-107.
[4] 邓玉. 新型光电整纬装置的设计与研究[D]. 青岛:青岛理工大学, 2010: 9-46.
DENG Yu. Design and research of new photoelectric weft-rectifying device[D]. Qingdao: Qingdao University of Technology, 2010: 9-46.
[5] 张伟强. 一种针轮式整纬装置: 204325791U[P]. 2015-05-13.
ZHANG Weiqiang. A needle-wheel weft rectifying device: 204325791U [P]. 2015-05-13.
[6] 王龙. 摄像式整纬器控制系统研究[D]. 郑州:中原工学院, 2016: 12-39.
WANG Long. Research on the control system of camera weft rectifier[D]. Zhengzhou: Zhongyuan Institute of Technology, 2016: 12-39.
[7] 楼越升, 祝成炎. 一种链条传动的差速整纬器[J]. 中国科技纵横, 2015(18):64.
LOU Yuesheng, ZHU Chengyan. A chain-driven differential weft rectifier[J]. China Science and Technology Vertical and Horizontal, 2015 (18):64.
[8] 李佳彦. 面向摄像整纬器的织物纹理图像识别方法[J]. 计算机工程与应用, 2006,43(13):214-216.
LI Jiayan. Fabric texture image recognition method for camera weft integrator[J]. Computer Engineering and Application, 2006,43(13):214-216.
[9] 汪宏. 面向摄像整纬装置的以太网智能控制节点研究[D]. 上海:东华大学, 2007: 1-36.
WANG Hong. Research on intelligent control node of ethernet for camera weft integration device[D]. Shanghai: Donghua University, 2007: 1-36.
[10] 索昂代吉. 三次样条插值在通信工程中的应用[J]. 电信科学, 2017,33(1):159-164.
SUOANG Daiji. Application of sondegi cubic spline interpolation in communication engineering[J]. Telecommunications Science, 2017,33(1):159-164.
[11] 张天亮, 姚庆梅, 许夫明, 等. 基于分段线性插值法的高精度测温研究[J]. 信息技术与信息化, 2012(1):70-72.
ZHANG Tianliang, YAO Qingmei, XU Fuming, et al. High precision temperature measurement based on piecewise linear interpolation[J]. Information Technology and Informatization, 2012 (1):70-72.
[12] 刘长安. 分段三次Hermite插值多项式的收敛性[J]. 西安工业大学学报, 1994(2):151-154.
LIU Changan. Convergence of piecewise cubic Hermite interpolation polynomials[J]. Journal of Xi'an University of Technology, 1994(2):151-154.
[13] 于亚龙, 穆远彪. 插值算法的研究[J]. 现代计算机(专业版), 2014(5):32-35.
YU Yalong, MU Yuanbiao. Research on interpolation algorithms[J]. Modern Computer (Professional Edition), 2014 (5):32-35.
[14] 周建伟, 张娟. 拉格朗日插值模型与统计数据检验及应用[J]. 统计与决策, 2016(5):78-80.
ZHOU Jianwei, ZHANG Juan. Lagrange interpolation model and statistical data examination and applica-tion[J]. Statistics and Decision-making, 2016 (5):78-80.
[15] 迟国泰, 刘轶芳, 冯敬海. 基于牛顿插值原理的期货价格波动函数及保证金随动模型[J]. 数量经济技术经济研究, 2005,22(3):150-160.
CHI Guotai, LIU Yifang, FENG Jinghai. Futures price fluctuation function and margin follow-up model based on Newton interpolation principle[J]. Quantitative Economic, Technological and Economic Research, 2005,22(3):150-160.
[16] 李佳彦. 面向摄像整纬装置的多源图像处理与融合的研究[D]. 上海:东华大学, 2007: 11-41.
LI Jiayan. Research on multi-source image processing and fusion for camera weft rectification device[D]. Shanghai: Donghua University, 2007: 11-41.
[1] . Fast extraction method of main structure of textile patterns [J]. JOURNAL OF TEXTILE RESEARCH, 2018, 39(04): 137-143.
Viewed
Full text


Abstract

Cited

  Shared   
  Discussed   
No Suggested Reading articles found!