Journal of Textile Research ›› 2021, Vol. 42 ›› Issue (01): 154-161.doi: 10.13475/j.fzxb.20200403008

• Machinery & Accessories • Previous Articles     Next Articles

Reverse modeling and kinematics simulation of new weft insertion mechanism for rapier looms

YU Chennan1, JIA Jiangming1,2, CHEN Zhiwei1, CHEN Jianneng1,2(), CHEN Jiayou3, LU Wentao1   

  1. 1. Faculty of Mechanical Engineering & Automation, Zhejiang Sci-Tech University, Hangzhou, Zhejiang 310018, China
    2. Key Laboratory of Transplanting Equipment and Technology of Zhejiang Province, Zhejiang Sci-Tech University, Hangzhou,Zhejiang 310018, China
    3. Fujian Jiayou Tea Machinery Intelligent Technologies Inc., Quanzhou, Fujian 362400, China
  • Received:2020-04-13 Revised:2020-10-04 Online:2021-01-15 Published:2021-01-21
  • Contact: CHEN Jianneng E-mail:jiannengchen@zstu.edu.cn

Abstract:

To improve the design flexibility and motion performance of the weft insertion mechanism in the rapier looms, a new type of eccentric circular and non-circular planetary gear train weft insertion mechanism was presented in this paper. According to the work requirements of weft insertion mechanism, ideal rapier movement was put forward and a mathematical model for calculating the mechanism parameters from the characteristics of proposed weft insertion motion was established. The reverse design and simulation procedure of the weft insertion mechanism were compiled using MatLab, and the parameter optimization and motion simulation of the weft insertion mechanism were performed to obtain the most suitable mechanism parameters. A three-dimensional model of the weft insertion mechanism was established accordingly, and a virtual prototype kinematic simulation test was carried out using automatic dynamic analysis of mechanical systems (ADAMS). It was revealed that the kinematic curves of the rapier head based on the theoretical calculation and simulation are basically the same, which verifies the correctness of the modeling and analysis of the weft insertion mechanism.

Key words: weft insertion mechanism, planetary gear train, reverse modeling, kinematics simulation, rapier loom

CLC Number: 

  • TS103.1

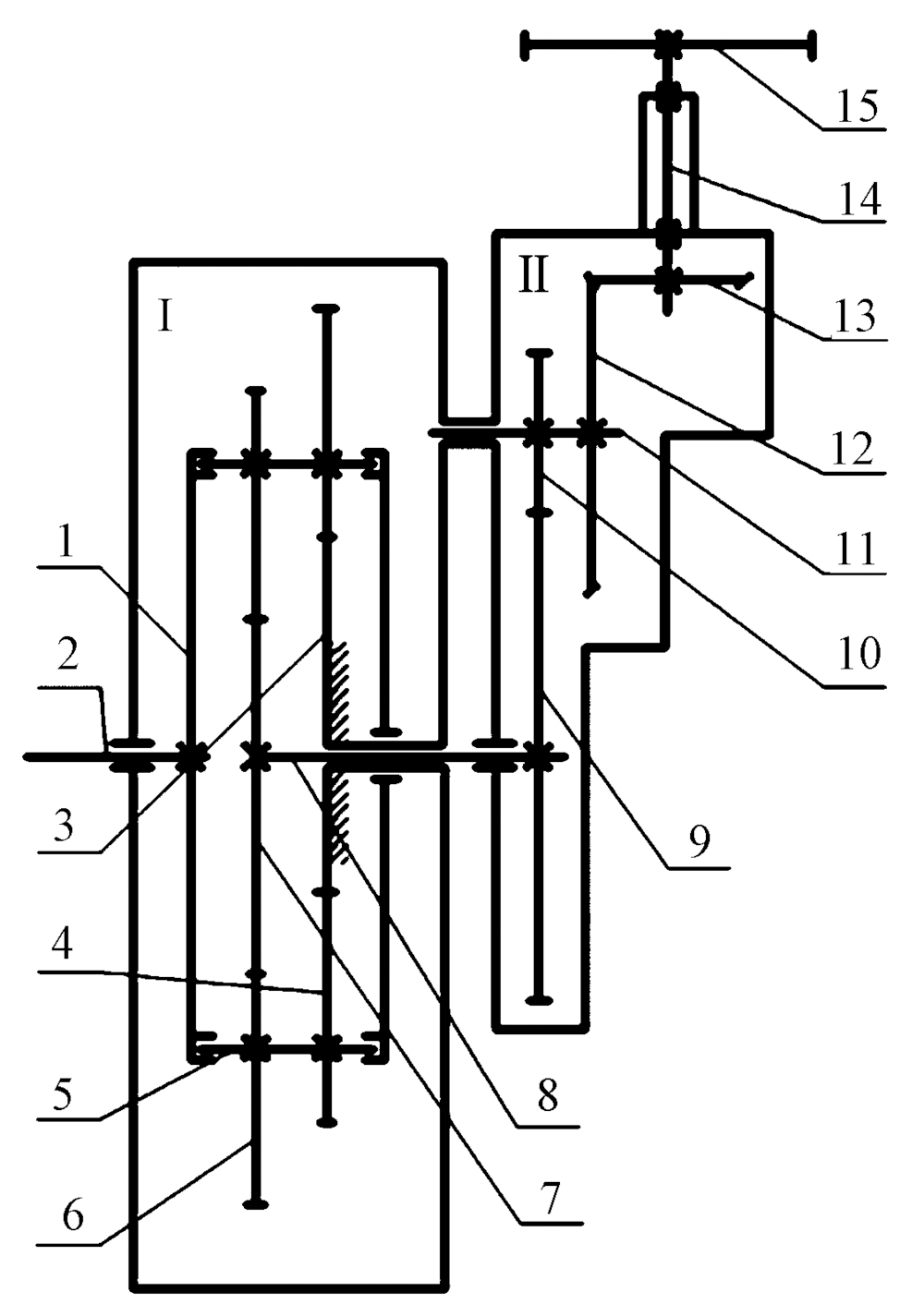
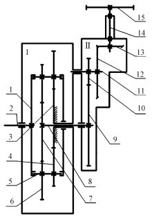
Fig.1

Diagram of eccentric circular and non-circular planetary gear train weft insertion mechanism"

Fig.2

Weft insertion movement law"

Fig.3

Diagram of first stage eccentric circular and conjugate non-circular transmission"

Fig.4

Diagram of second stage non-circular planetary gear train transmission"

Fig.5

Diagram of software structure"

Fig.6

Software interface"

Fig.7

Comparison of non-circular gear pitch curves with different eccentricities"

Fig.8

Comparison of non-circular gear pitch curves with different amplified gear ratios"

Fig.9

Three-dimensional model of two-stage non-circular gears. (a) Model of the first stage non-circular gears; (b) Model of the second stage non-circular gears"

Fig.10

Three-dimensional diagram of the transmission part of eccentric circular and non-circular planetary gear train"

Fig.11

Comparison of theory and simulation movement law of weft insertion sword head. (a) Displacement of sword head; (b) Speed of sword head;(c) Acceleration of sword head"

Tab.1

Comparison of theoretical and simulated peak value of sword head movement law"

指标 smax/
m
s·max/
(m·s-1)
s·min/
(m·s-1)
s¨max/
(m·s-2)
s¨min/
(m·s-2)
理论值 1.40 25.78 -25.78 566.00 -610.48
仿真值 1.39 24.82 -23.31 555.18 -581.33
[1] 雷利照. 双侧剑杆织机中央交接纬合理性的探讨[J]. 纺织学报, 2010,31(10):124-128.
LEI Lizhao. Investigation into rationality of weft handover at center of shed on a rapier loom with two rapiers[J]. Journal of Textile Research, 2010,31(10):124-128.
[2] 赵雄, 徐宾, 陈建能, 等. 几种典型的剑杆织机引纬机构及其机构创新[J].纺织机械, 2008(2):48-51.
ZHAO Xiong, XU Bin, CHEN Jianneng, et al. Several typical weft insertion mechanism of rapier loom and its mechanism innovation[J]. Textile Machinery, 2008(2):48-51.
[3] 张雷, 苏宗帅, 季祖鹏, 等. 共轭凸轮引纬机构的凸轮轮廓线光顺与反求[J]. 纺织学报, 2017,38(12):141-149.
ZHANG Lei, SU Zongshuai, JI Zupeng, et al. Smooth and reverse design of conjugated cams of weft inser-tion[J]. Journal of Textile Research, 2017,38(12):141-149.
[4] 张小德. 剑杆织机引纬机构共轭凸轮的设计及研究[D]. 杭州:浙江工业大学, 2009: 8-10.
ZHANG Xiaode. Design and research of conjugate cam of weft insertion mechanism of rapier loom[D]. Hangzhou: Zhejiang University of Technology, 2009: 8-10.
[5] 张雷, 孔佳元, 雷炳杰, 等. 变导程螺旋引纬机构剑杆位移曲线的设计[J]. 纺织学报, 2017,38(4):121-126.
ZHANG Lei, KONG Jiayuan, LEI Bingjie, et al. Design of displacement diagram for rapier in variable lead screw weft insertion mechanism[J]. Journal of Textile Research, 2017,38(4):121-126.
[6] 徐永康. 空间四连杆引纬机构优化及动力学仿真[D]. 杭州:浙江理工大学, 2012: 5-8.
XU Yongkang. Optimization and dynamic simulation of spatial four-bar linkage weft insertion mechanism [D]. Hangzhou: Zhejiang Sci-Tech University, 2012: 5-8.
[7] RECEP Eren, MESRUR Erturk, BARIS Hascelik. Kinematic design and motion analysis of spatial rapier drive mechanisms used in weaving machines[J]. Textile Research Journal, 2014,84(19):2065-2073.
[8] 陈建能, 王英, 任根勇, 等. 非圆齿轮行星轮系引纬机构的反求设计与运动学分析[J]. 中国机械工程, 2012,23(20):2405-2409.
CHEN Jianneng, WANG Ying, REN Genyong, et al. Reverse design and kinematic analysis of non-circular planetary gear trains weft insertion mechanism[J]. China Mechanical Engineering, 2012,23(20):2405-2409.
[9] CHEN Jianneng, YU Chennan, TONG Lin, et al. Design and experiment of non-circular combined gear train beating-up mechanism[J]. Journal of Donghua University (English Edition), 2019,36(01):8-14.
[10] 任根勇. 剑杆织机非圆齿轮行星轮系引纬机构的反求设计与仿真分析[D]. 杭州:浙江理工大学, 2012: 12-29.
REN Genyong. Reverse design and simulation analysis of the planetary non-circular gears trains weft insertion mechanism applied on rapier loom [D]. Hangzhou: Zhejiang Sci-Tech University, 2012: 12-29.
[11] 陈元甫, 洪海沧. 剑杆织机原理与使用[M]. 2版.北京: 中国纺织出版社, 2005: 114-117.
CHEN Yuanfu, HONG Haicang. Principle and use of rapier loom [M]. 2nd ed. Beijing: China Textile & Apparel Press, 2005: 114-117.
[12] 陈普生, 何敏英. 动态综合时剑杆运动规律的选择[J]. 东华大学学报, 1987,13(1):35-43.
CHEN Pusheng, HE Minying. The selection of rapier motion law in dynamic synjournal[J]. Journal of Donghua University, 1987,13(1):35-43.
[13] 郭宏亮, 王青, 叶国铭. 修正梯形加速度运动规律中过渡曲线的设计[J]. 纺织学报, 2007,28(8):100-101.
GUO Hongliang, WANG Qing, YE Guoming. Design of transitional curve of modified trapezoid acceleration motion[J]. Journal of Textile Research, 2007,28(8):100-101.
[14] 赵雄, 胡宇龙, 林万焕, 等. 剑杆织机新型引纬运动学曲线的构造及应用[J]. 浙江理工大学学报, 2010,27(4):556-560.
ZHAO Xiong, HU Yulong, LIN Wanhuan, et al. Establishment and application of new weft insertion kinematics curves on rapier loom[J]. Journal of Zhejiang Sci-Tech University, 2010,27(4):556-560.
[15] 吴序堂, 王贵海. 非圆齿轮及非匀速比传动[M]. 北京: 机械工业出版社, 1997: 31-33.
WU Xutang, WANG Guihai. Non-circular gear and non-uniform ratio drive [M]. Beijing: China Machine Press, 1997: 31-33.
[1] LI Bo, HU Kai, JIN Guoguang, WEI Zhan, CHANG Boyan. Research on dynamic characteristics of spatial-linkage weft insertion mechanism considering flexible hinge clearance [J]. Journal of Textile Research, 2021, 42(01): 145-153.
[2] ZHANG Zhuhui, ZHANG Diantang, QIAN Kun, XU Yang, LU Jian. Weaving process and off-axial tensile mechanical properties of wide-angle woven fabric [J]. Journal of Textile Research, 2020, 41(08): 27-31.
[3] WEI Zhan, JIN Guoguang, LI Bo, SONG Yanyan, LU Chunhui. Modeling and simulation of contact force generated by beating-up cam in rapier looms [J]. Journal of Textile Research, 2020, 41(03): 154-159.
[4] ZHOU Xiangqin, GU Yeqin, WU Zhenyu. Parameter characteristics of weft insertion mechanism of rapier loom capable of simply adjusting reed width [J]. Journal of Textile Research, 2019, 40(09): 173-179.
[5] . Design method for weft insertion mechanism of super width automatic loom based on electromagnetic launch [J]. JOURNAL OF TEXTILE RESEARCH, 2018, 39(07): 130-136.
[6] . Smooth and reverse design of conjugated cams of weft insertion [J]. JOURNAL OF TEXTILE RESEARCH, 2017, 38(12): 141-149.
[7] . Inertial load change rule and speed increasing test of rapier loom [J]. JOURNAL OF TEXTILE RESEARCH, 2017, 38(08): 144-149.
[8] . Design of displacement diagram for rapier in variable lead screw weft insertion mechanism [J]. JOURNAL OF TEXTILE RESEARCH, 2017, 38(04): 121-126.
[9] . Design of 3-D woven fabric selvage modeling process [J]. JOURNAL OF TEXTILE RESEARCH, 2017, 38(04): 50-54.
[10] . Comprehensive analysis of motion accuracy for spatial linkage weft insertion mechanism with clearance and dimensional errors [J]. JOURNAL OF TEXTILE RESEARCH, 2016, 37(06): 124-129.
[11] . Grass cloth with traditional characteristic produced by modern technology [J]. Journal of Textile Research, 2016, 37(05): 37-41.
[12] . Dynamic analysis of flexible follower conjugate cams beating-up mechanism in rapier loom [J]. Journal of Textile Research, 2016, 37(05): 137-142.
[13] . Flexible dynamics simulation for space four bar linkage weft insertion mechanism based on ANSYS and ADAMS [J]. JOURNAL OF TEXTILE RESEARCH, 2013, 34(5): 116-120.
[14] SONG Ya-Nan, XU Rong-Hua, WANG Qin-Ruo. Design and analysis on filter of rapier Loom’s warp tension control [J]. JOURNAL OF TEXTILE RESEARCH, 2012, 33(2): 115-120.
[15] . Noise Estimation and Filter Design of Rapier Loom’s Tension Control [J]. JOURNAL OF TEXTILE RESEARCH, 2011, 32(8): 128-132.
Viewed
Full text


Abstract

Cited

  Shared   
  Discussed   
No Suggested Reading articles found!