Journal of Textile Research ›› 2022, Vol. 43 ›› Issue (04): 167-173.doi: 10.13475/j.fzxb.20210404007

• Machinery & Accessories • Previous Articles     Next Articles

Sensorless parameter adaptive tension control method of winding yarns

JIANG Linjun1,2, ZHANG Hua1,2()   

  1. 1. School of Mechanical Engineering and Automation, Zhejiang Sci-Tech University, Hangzhou, Zhejiang 310018, China
    2. Key Laboratory of Modern Textile Machinery & Technology of Zhejiang Province, Zhejiang Sci-Tech University, Hangzhou, Zhejiang 310018, China
  • Received:2021-04-14 Revised:2021-08-25 Online:2022-04-15 Published:2022-04-20
  • Contact: ZHANG Hua E-mail:zhanghua@zstu.edu.cn

Abstract:

In order to keep the tension stable in yarn winding system, in view of the nonlinear and time-dependent parameters in the system, this paper proposed a sensorless tension control method based on tension monitoring and parameter self-adaptation. According to the principle of torque balance, a mathematical model of the yarn winding system was established, a reduced-order tension monitoring device was designed, and the data obtained were used as the system pre-feedback compensation value to avoid measurement delay caused by the tension sensor. The Landau discrete-time recursive algorithm was then used to identify the moment of inertia of the winding system, and the identified moment of inertia was used to modify the PI parameters of the speed controller, which was used to improve the dynamic performance of the winding system. Comparison between the general PI parameter control and proposed sensorless parameter adaptive control shows that the proposed control method significantly reduces the influence of the change in the moment of inertia on the tension, and has good robustness, dynamic response performance and high steady-state accuracy.

Key words: tension monitoring device, adaptive control, tension control, yarn winding system, Landau discrete-time recursive algorithm

CLC Number: 

  • TP273

Fig.1

Structure schematic diagram of yarn winding system"

Fig.2

Structure schematic diagram of winding and overfeeding system"

Fig.3

Closed loop tension control system based on tension sensor"

Tab.1

System simulation parameters"

参数 单位 仿真参考值
E MPa 17.927
η MPa·s 15.295
S mm2 0.023 1
R1 m 0.05
J1 kg·m2 0.027 2
B1 N·m·s/rad 0.000 4
Tc1 s 0.1
Tc2 s 0.1
R2 m 0.2
J2 kg·m2 0.003 3/0.005 2
B2 N·m·s/rad 0.000 4
l0 m 0.2

Fig.4

Different input signals follow simulation curve. (a) Square wave following curve; (b) Sine wave following curve"

Fig.5

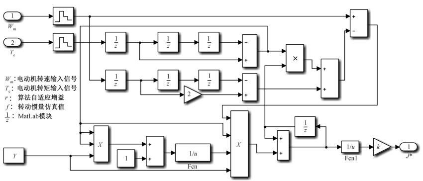
Block diagram of simulation of moment of inertia identification based on Landau's discrete-time recursive algorithm"

Fig.6

Identification result of moment of inertia of winding system. (a) Identification inertia of empty volume; (b) Identification inertia of full volumes"

Fig.7

Yarn winding system experimental platform"

Fig.8

Experimental test waveforms. (a)Linear velocity with 400 m/min;(b) Linear velocity with 800 m/min: (c) Constant PI parameter;(d) Changble PI adaptive parameter"

[1] SHANKAM V, OXENHAM W, SEYAM A, et al. Wireless yarn tension measurement, and control in direct cabling process[J]. Journal of The Textile Institute, 2009, 100(5): 400-411.
doi: 10.1080/00405000701830318
[2] SHI T, LIU H, GENG Q, et al. An improved relative coupling control structure for multi-motor speed synchronous driving system[J]. Iet Electric Power Applications, 2016, 10(6): 451-457.
doi: 10.1049/iet-epa.2015.0515
[3] FENG P, LIU D, YANG C. High efficiency covering technology for covered yarn production: controlling the spandex yarn draw ratio[J]. Fibres & Textiles in Eastern Europe, 2020, 28(6): 24-28.
[4] 瞿成明, 王建平, 凌有铸, 等. 卷绕系统中一种张力智能观测器的设计[J]. 仪器仪表学报, 2012, 33(10): 2349-2355.
QU Chengming, WANG Jianping, LING Youzhu, et al. Design of an intelligent tension observer in winding systems[J]. Chinese Journal of Scientific Instrument, 2012, 33(10): 2349-2355.
[5] 陈久伟, 童朝南. 基于智能负荷观测器的无张力控制系统[J]. 电气传动, 2016, 46(11): 7-10.
CHEN Jiuwei, TONG Chaonan. Without tension control system based on intelligent load observer[J]. Electric Drive, 2016, 46(11): 7-10.
[6] KANG H, SHIN K H. Precise tension control of a dancer with a reduced-order observer for roll-to-roll manufacturing systems[J]. Mechanism and Machine Theory, 2018, 122: 75-85.
doi: 10.1016/j.mechmachtheory.2017.12.012
[7] HOU H, NIAN X, CHEN J, et al. Decentralized coordinated control of elastic web winding systems without tension sensor[J]. ISA Transactions, 2018, 80: 350-359.
doi: 10.1016/j.isatra.2018.06.006
[8] BETTENDORF R. Winder software testing with real-time dynamic simulation[J]. IEEE Transactions on Industrial Electronics, 2005, 52(2): 489-498.
doi: 10.1109/TIE.2005.844228
[9] 符燕辉, 陈刚, 柴明. 纱线恒张力喂送系统的设计[J]. 纺织机械, 2014(1): 11-14.
FU Yanhui, CHEN Gang, CHAI Ming. Design of yarn constant tension feeding system[J]. Textile Machinery, 2014(1): 11-14.
[10] 陈志翔, 高钦和. 自适应扩张状态观测器收敛性分析与应用[J]. 控制理论与应用, 2018, 35(11): 1697-1702.
CHEN Zhixiang, GAO Qinhe. Convergence analysis and application of adaptive extended state observer[J]. Control Theory & Applications, 2018, 35(11): 1697-1702.
[11] 李志斌, 赵金, 刘洋. 基于高精度朗道离散时间法的转动惯量辨识[J]. 电气传动, 2013, 43(11): 58-60.
LI Zhibin, ZHAO Jin, LIU Yang. Inertia identification based on high precision landau discrete time recursive algorithm[J]. Electric Drive, 2013, 43(11): 58-60.
[12] HARNEFORS L, SAARAKKALA S E, HINKKANEN M. Speed control of electrical drives using classical control methods[J]. IEEE Transactions on Industry Applications, 2013, 49(2): 889-898.
doi: 10.1109/TIA.2013.2244194
[13] YAN Y, JI B, SHI T, et al. Two-degree-of-freedom proportional integral speed control of electrical drives with Kalman-filter-based speed estimation[J]. Iet Electric Power Applications, 2015, 10(1): 18-24.
doi: 10.1049/iet-epa.2014.0516
[1] LUO Hailin, FU Yaqin, LIU Ke. Structural design of automatic silk reeling machine for direct silk winding [J]. Journal of Textile Research, 2020, 41(08): 115-120.
[2] ZHOU Hu, LIU Tao, GAO Jinjie, ZHOU Qiang, LUO Binhong, YOU Zheng, SU Bingwang, BA La. Planning of trajectory and optimization of speed control of hand-made tufting machine [J]. Journal of Textile Research, 2019, 40(10): 177-182.
[3] . Innovative design of jig dyeing machine automatic control system [J]. Journal of Textile Research, 2015, 36(03): 121-127.
[4] . Mechanical analysis of loom's roll-up mechanism and its tension control system [J]. JOURNAL OF TEXTILE RESEARCH, 2013, 34(11): 141-0.
[5] SONG Ya-Nan, XU Rong-Hua, WANG Qin-Ruo. Design and analysis on filter of rapier Loom’s warp tension control [J]. JOURNAL OF TEXTILE RESEARCH, 2012, 33(2): 115-120.
[6] LI Ge;JIA Yuanwu;ZHANG Hua;ZHAO Yun. Application of integral-separation PID control algorithm in PLC-based tension control system [J]. JOURNAL OF TEXTILE RESEARCH, 2008, 29(8): 109-112.
[7] LI Ge;JIA Yuanwu;ZHANG Jianxin;ZHAO Yun. Tension control system based on fuzzy-neural network PID [J]. JOURNAL OF TEXTILE RESEARCH, 2008, 29(6): 109-112.
[8] SHEN Danfeng;YE Guoming . Application of programmable weft tension controller [J]. JOURNAL OF TEXTILE RESEARCH, 2008, 29(2): 90-93.
[9] PAN Xianggao;LI Xiaofeng. DCS of multi-drive variable frequency adjusting speed synchronization system for weaving and dyeing machines [J]. JOURNAL OF TEXTILE RESEARCH, 2007, 28(4): 116-120.
[10] GE Suoliang;MENG Wei;CHEN Man. Application of the speed control technique by frequency conversion on the acrylic fiber production line [J]. JOURNAL OF TEXTILE RESEARCH, 2007, 28(3): 104-106.
[11] PAN Xianggao;LI Xiaofeng. Dyeing and printing machine synchronization system based on network and frequency conversion technologies [J]. JOURNAL OF TEXTILE RESEARCH, 2007, 28(1): 108-111.
[12] LI Ge;MEI Jing;ZHAO Yun;PAN Hai-peng. Fuzzy self-adjusting PID controller for affixture machine tension control [J]. JOURNAL OF TEXTILE RESEARCH, 2006, 27(6): 41-43.
Viewed
Full text


Abstract

Cited

  Shared   
  Discussed   
No Suggested Reading articles found!