纺织学报 ›› 2020, Vol. 41 ›› Issue (11): 143-149.doi: 10.13475/j.fzxb.20200307607

• 服装工程 • 上一篇    下一篇

具有实时瓦斯监测功能的新型智能矿工服设计

金鹏1, 薛哲彬2(), 戈垚2   

  1. 1.江南大学 纺织科学与工程学院, 江苏 无锡 214122
    2.江南大学 设计学院, 江苏 无锡 214122
  • 收稿日期:2020-03-27 修回日期:2020-08-06 出版日期:2020-11-15 发布日期:2020-11-26
  • 通讯作者: 薛哲彬
  • 作者简介:金鹏(1996—),男,硕士生。主要研究方向为服装设计与工程。
  • 基金资助:
    国家自然科学基金青年科学基金项目(61503154);国家留学基金项目(201806795029);“龙城英才计划”第八批领军人才优先支持项目(2016111412);教育部人文社会科学研究规划基金项目(20YJAZH087)

New intelligent mining clothing design with real-time gas monitoring function

JIN Peng1, XUE Zhebin2(), GE Yao2   

  1. 1. College of Textile Science and Engineering, Jiangnan University, Wuxi, Jiangsu 214122, China
    2. School of Design, Jiangnan University, Wuxi, Jiangsu 214122, China
  • Received:2020-03-27 Revised:2020-08-06 Online:2020-11-15 Published:2020-11-26
  • Contact: XUE Zhebin

摘要:

针对现有矿工服舒适性与安全性不足等问题,从服装材料、结构以及功能模块等方面提出改良设计。从抗静电、阻燃等角度出发,选用银纤维混纺面料作为新型矿工服的主要材料。基于人体工学对影响穿着舒适性的服装部位进行重新设计。并从井下工作安全性需求出发,在矿工服右前胸位置加入瓦斯监测及警示模块。研究结果显示:通过模拟井下高温高湿(温度为35 ℃,湿度为70%)环境,在七分制主观评价中该新型矿工服比传统矿工服高1.32分,且皮肤表面平均温度上升速度更慢;同时其配备的瓦斯监测系统可实时移动测量井下瓦斯浓度,可改善井下工作人员的舒适性及安全性。

关键词: 矿工服, 结构设计, 瓦斯监测, 智能服装

Abstract:

In view of the existing problems in the lack of comfort and safety for mining clothing, a improved design was put forward from the perspectives of clothing materials, structure and functional modules. From the perspectives of antistatic and flame retardant, silver fiber blended fabric was chosen as the main material for the new mining clothing. Based on ergonomics, the clothing parts that affect wearing comfort were redesigned. In addition, based on the safety requirements of underground work, a gas monitoring and warning module is added to the right chest position of the mine clothing. The test results show that by simulating the underground environment with high temperature and humidity (35 ℃, 70% humidity), the newly designed mining clothing obtained 1.32 points higher than that of the traditional mining suits in subjective evaluation according to the new 7-point system, and the average skin surface temperature is proven to rise more slowly. Meanwhile, the gas monitoring system is able to measure the gas concentration in real time, ensuring the safety of the underground workers.

Key words: mining clothing, structural design, gas monitoring, intelligent clothing

中图分类号: 

  • TS941.731

图1

技术路线图"

图2

荧光条粘贴部位"

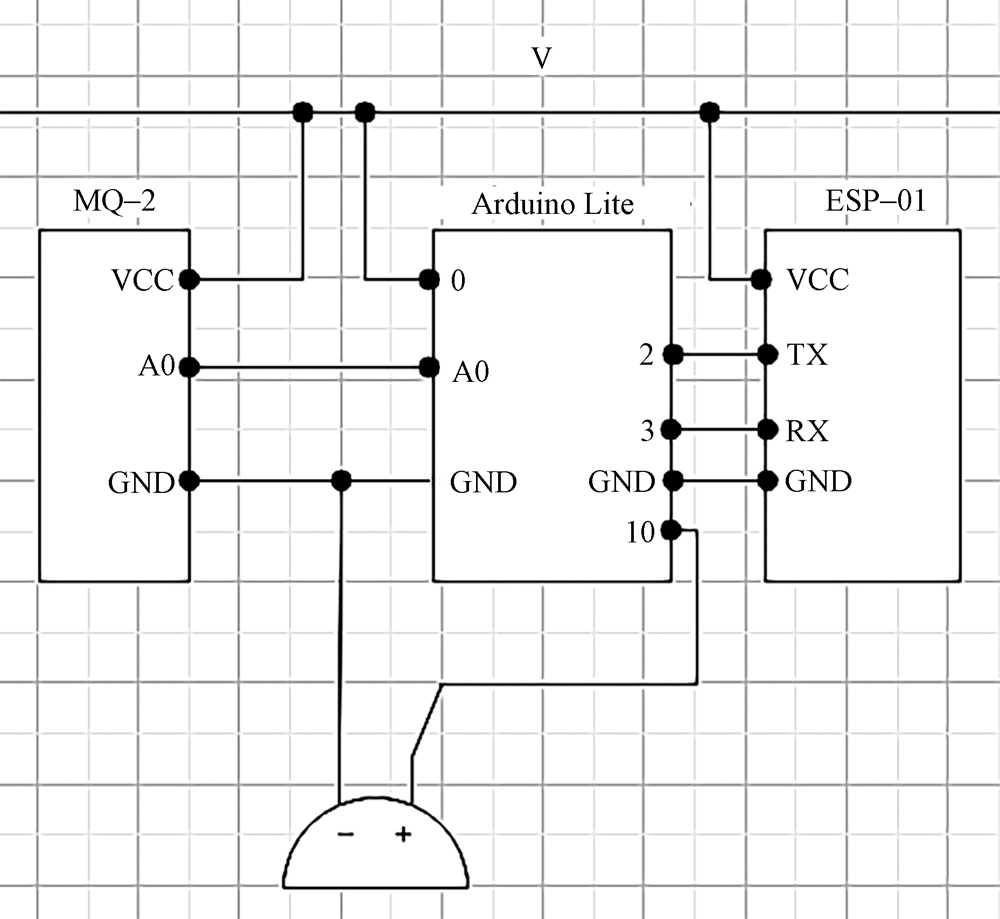
图3

连接示意图"

图4

终端网页示意图"

图5

瓦斯监测模块运行流程"

表1

前5 min主观测评平均值"

时间 1 min 2 min 3 min 4 min 5 min
组1 6.8 6.4 6.1 5.1 4.0
组2 6.9 6.6 6.4 6.0 5.8

表2

后5 min主观测评平均值"

时间 6 min 7 min 8 min 9 min 10 min
组1 3.3 2.8 3.0 2.2 2.0
组2 5.4 5.1 4.8 4.1 3.4

图6

人体皮肤表面温度变化值"

[1] 吴建松, 付明, 童兴, 等. 基于暖体假人实验的煤矿工作服热阻和湿阻测量与分析[J]. 煤矿安全, 2015,46(12):196-199.
WU Jiansong, FU Ming, TONG Xing, et al. Measurement and analysis of thermal and wet resistance of coal mine overalls based on warm body dummy experiment[J]. Coal Mine Safety, 2015,46(12):196-199.
[2] 张春堂, 管利聪. 基于SSD-MobileNet的矿工安保穿戴设备检测系统[J]. 工矿自动化, 2019,45(6):96-100.
ZHANG Chuntang, GUAN Licong. Detection system of miners' security wearable devices based on SSD-MobileNet[J]. Industrial and Mining Automation, 2019,45(6):96-100.
[3] 朱珍钰, 高亢, 李翠圆. 关于阻燃纤维的研究与发展[J]. 辽宁丝绸, 2019(4):40-42.
ZHU Zhenyu, GAO Kang, LI Cuiyuan. About the research and development of flame retardant fiber[J]. Journal of Liaoning Silk, 2019(4):40-42.
[4] 李营建, 肖丰, 余秀艳. 芳纶1313纯纺消防服面料的生产工艺[J]. 棉纺织技术, 2018,46(6):52-55.
LI Yingjian, XIAO Feng, YU Xiuyan. Production technology of aramid 1313 pure textile fabric for fire protection clothing[J]. Cotton Textile Technology, 2018,46(6):52-55.
[5] 崔晓静, 孙潜, 张华川, 等. 中国芳纶1414纤维及其复合材料的发展[J]. 塑料工业, 2017,45(9):12-14,23.
CUI Xiaojing, SUN Qian, ZHANG Huachuan, et al. Development of aramid 1414 fiber and its composites in China[J]. Plastics Industry, 2017,45(9):12-14,23.
[6] 侯豪情, 许文慧, 丁义纯. 高性能聚合物电纺纳米纤维最新进展[J]. 江西师范大学学报(自然科学版), 2018,42(6):551-564.
HOU Haoqing, XU Wenhui, DING Yichun. Recent advances in electro-spinning of high performance polymer nanofibers[J]. Journal of Jiangxi Normal University (Natural Science Edition), 2018,42(6):551-564.
[7] 沈莉莉. 尤尼吉卡开发阻燃型PLA[J]. 合成纤维, 2005,34(8):32-32.
SHEN Lili. Development of flame-retardant PLA by unijica[J]. Synthetic Fiber in China, 2005,34(8):32-32.
[8] 李啊强, 陈奇海, 霍绍新, 等. PEEK导热性能研究进展[J]. 工程塑料应用, 2019,47(5):144-147,158.
LI Aqiang, CHEN Qihai, HUO Shaoxin, et al. Research progress of PEEK thermal conductivity[J]. Application of Engineering Plastics, 2019,47(5):144-147,158.
[9] 赵兴旺, 薛利敏, 张金利, 等. 抗静电面料的研究进展与发展前景[J]. 天津纺织科技, 2019(2):55-58.
ZHAO Xingwang, XUE Limin, ZHANG Jinli, et al. Research progress and development prospect of antistatic fabrics[J]. Tianjin Textile Science & Technology, 2019(2):55-58.
[10] 胡智文, 傅雅琴, 陈文兴. 化学镀镍涤纶抗静电纤维研究[J]. 纺织学报, 2000,21(5):45-47.
HU Zhiwen, FU Yaqin, CHEN Wenxing. Research on electroless nickel-plated polyester antistatic fiber[J]. Journal of Textiles Research, 2000,21(5):45-47.
[11] WANG Haihua, SUN Liyu, FEI Guiqiang, et al. A facile approach to fabricate waterborne nanosized polyaniline-graft-(sulfonated polyurethane) as environmental antistatic coating[J]. Journal of Applied Polymer Science, 2017,134(41):10.
[12] WANG C X, LV J C, REN Y, et al, Surface modification of polyester fabric with plasma pretreatment and carbon nanotube coating for antistatic property improvement[J].Applied Surface Science, 2015(359):196-203.
[13] 徐利, 戴晋明, 昝会云. 矿工工作服研究现状及发展方向[J]. 产业用纺织品, 2013(10):1-4.
XU Li, DAI Jinming, ZAN Huiyun. The situation and development direction of miners overalls[J]. Technical Textiles, 2013(10):1-4.
[14] 王艺. 矿工防护服的模块化设计: 以煤矿为例[D]. 无锡:江南大学, 2018: 1-52.
WANG Yi. Modular design of protective clothing for miners: taking coal mine as an example[D]. Wuxi: Jiangnan University, 2018: 1-52.
[15] 李小银, 于万樵, 王立莹, 等. 一种可漂浮救生的背带式矿工工作服: 201438859[P]. 2010-04-21.
LI Xiaoyin, YU Wanqiao, WANG Liying, et al. A kind of belt miner's uniform that can float and save lives: 201438859[P]. 2010-04-21.
[16] 梁墨林. 煤矿井下瓦斯远程联网监控系统的基本要求和具体功能[J]. 煤, 2019,28(2):60,62.
LIANG Molin. Basic requirements and specific functions of remote networked monitoring system for underground gas in coal mine[J]. Coal,2019,28(2):60,62.
[17] 王英旭. 高瓦斯综采工作面瓦斯综合治理技术措施[J]. 山东煤炭科技, 2018(10):112-114.
WANG Yingxu. Technical measures for comprehensive gas control in high-gas fully mechanized mining face[J]. Shandong Coal Science and Technology, 2018(10):112-114.
[18] 钱海洪, 王鸿博, 杜金梅, 等. 基于短链含氟丙烯酸酯细乳液的棉织物拒水拒油整理[J]. 纺织学报, 2019,40(3):83-89.
QIAN Haihong, WANG Hongbo, DU Jinmei, et al. Water-repellent and oil-repellent finishing cotton fabrics based on short-chain fluoroacrylate miniemulsion[J]. Journal of Textile Research, 2019,40(3):83-89.
[19] 刘丽英, 刘林. 服装舒适性主观评价及主客观指标间的相关性研究[J]. 青岛大学学报(工程技术版), 2013,28(3):60-63,68.
LIU Liying, LIU Lin. Study on the correlation between subjective evaluation and subjective and objective indexes of clothing comfort[J]. Journal of Qingdao University (Engineering Technology Edition), 2013,28(3):60-63,68.
[20] 建信. 《煤矿安全规程执行说明(2016)》公布[J]. 建井技术, 2016,42(10):127-127.
[1] 方佳璐, 陈明艳, 黄紫荆. 漂浮自救泳衣设计开发[J]. 纺织学报, 2020, 41(12): 118-123.
[2] 闵小豹, 潘志娟. 国内外医用防护服结构与功能的比较与分析[J]. 纺织学报, 2020, 41(08): 172-178.
[3] 刘咏梅, 韩天琪, 张向辉, 吕芳澜. 无省旗袍的结构设计方法[J]. 纺织学报, 2020, 41(06): 99-104.
[4] 郑晴, 王宏付, 柯莹, 李爽. 相变降温矿工服的设计与评价[J]. 纺织学报, 2020, 41(03): 124-129.
[5] 张佳慧, 王建萍. 圆形纬编针织物电极导电性能及电阻理论模型构建[J]. 纺织学报, 2020, 41(03): 56-61.
[6] 李柽安, 鲁虹. 腰部运动损伤防护智能服装的研发[J]. 纺织学报, 2020, 41(02): 119-124.
[7] 张海棠, 王宏付, 柯莹. 应急救援类防护服装发展现状与趋势[J]. 纺织学报, 2019, 40(01): 175-181.
[8] 孙悦 范杰 王亮 刘雍. 可穿戴技术在纺织服装中的应用研究进展[J]. 纺织学报, 2018, 39(12): 131-138.
[9] 刘杰 王府梅. 单向导湿机织物结构设计[J]. 纺织学报, 2018, 39(03): 50-55.
[10] 万爱兰 缪旭红 蒋高明 马丕波 陈晴. 两面效应经编牛仔面料结构设计及其风格评价[J]. 纺织学报, 2017, 38(09): 45-50.
[11] 周赳 张萌 金诗怡. 组合半遮盖提花结构设计原理与方法[J]. 纺织学报, 2017, 38(06): 40-45.
[12] 万爱兰 缪旭红 张灵婕 王委委. 外衣用棉经编织物结构设计与生产工艺[J]. 纺织学报, 2017, 38(05): 53-57.
[13] 胡毅 刘治君. 合体袖的内旋结构原理与制板方法[J]. 纺织学报, 2016, 37(11): 109-113.
[14] 赵蒙蒙 王丽霞. 圆装袖肩部造型结构设计[J]. 纺织学报, 2015, 36(12): 109-113.
[15] 方东根 沈雷 胡哲. 智能服装材料及其在安全性服装中的应用[J]. 纺织学报, 2015, 36(12): 158-164.
Viewed
Full text


Abstract

Cited

  Shared   
  Discussed   
No Suggested Reading articles found!