纺织学报 ›› 2022, Vol. 43 ›› Issue (11): 29-34.doi: 10.13475/j.fzxb.20210800106

• 纤维材料 • 上一篇    下一篇

基于近红外光谱法的桑蚕丝接枝率快速定量测定

王瑞1,2, 司银松3, 芦浩浩3, 杲爽3, 傅雅琴3()   

  1. 1.浙江理工大学 纺织科学与工程学院(国际丝绸学院), 浙江 杭州 310018
    2.浙江机电职业技术学院, 浙江 杭州 310018
    3.浙江理工大学 材料科学与工程学院, 浙江 杭州 310018
  • 收稿日期:2021-08-02 修回日期:2022-08-25 出版日期:2022-11-15 发布日期:2022-12-26
  • 通讯作者: 傅雅琴
  • 作者简介:王瑞(1986—),女,讲师,博士。主要研究方向为蚕丝结构性能及蚕丝加工检测技术。

Rapid quantitative detection of silk grafting ratio based on near infrared spectroscopy

WANG Rui1,2, SI Yinsong3, LU Haohao3, GAO Shuang3, FU Yaqin3()   

  1. 1. College of Textile Science and Engineering (International Institute of Silk), Zhejiang Sci-Tech University, Hangzhou, Zhejiang 310018, China
    2. Zhejiang Institute of Mechanical & Electrical Engineering, Hangzhou, Zhejiang 310018, China
    3. School of Materials Science and Engineering, Zhejiang Sci-Tech University, Hangzhou, Zhejiang 310018, China
  • Received:2021-08-02 Revised:2022-08-25 Published:2022-11-15 Online:2022-12-26
  • Contact: FU Yaqin

摘要:

为解决蚕丝经化学接枝增重处理后,接枝率难以直接测定以及现有的热分析法检测耗时长、不适用于批量化快速检测等问题,提出了采用近红外光谱技术对蚕丝接枝率进行快速测定的方法。应用近红外光谱法结合化学计量学软件,选择偏最小二乘法,从光谱预处理、最佳主因子数选择以及建模谱区选择3个方面优化建立甲基丙烯酰胺接枝蚕丝的接枝率预测模型,得到所建模型的内部预测准确率为91.03%。使用19个已知参比值但未参与建模的样本对模型的稳健性进行验证,对预测值和参比值进行配对t检验,在给定显著水平α为0.05条件下,模型预测结果与称重法测试结果不存在显著性差异。结果表明,近红外光谱技术可为蚕丝接枝率的定量测定提供一种快速有效的分析方法。

关键词: 近红外光谱, 蚕丝, 接枝率, 甲基丙烯酰胺, 定量分析, 偏最小二乘法

Abstract:

The grafting ratio of silk after chemical graft weight gaining treatment is difficult to measure directly, and the existing thermogravimetric analysis method is time-consuming and not suitable for rapid mass detection. In order to solve these problems, a rapid detection method by using near infrared spectroscopy (NIRS) was proposed. Based on NIRS combined with stoichiometry software, the partial least squares was selected as a correction method to establish prediction model of grafting ratio of methylacrylamide grafted silk. The model was optimized from three aspects of spectral pretreatment, modeling bands, and the optimal numbers of principal factor. The internal prediction accuracy of the established model is 91.03%. 19 samples not involved in the modeling were used for the robustness verification,and paired t-test of predicted and reference values showed that at a given significant level α=0.05, there was no significant difference between the results obtained from model prediction and weighing method. Results show that the NIRS technique can provide a rapid and effective method for the quantitative detection of silk grafting ratio.

Key words: near infrared spectroscopy, silk, grafting ratio, methacrylamide, quantitative analysis, partial least squares

中图分类号: 

  • TS102.1

图1

接枝蚕丝样本分布"

图2

未接枝蚕丝绵和接枝蚕丝的近红外光谱"

图3

蚕丝样品的近红外光谱图"

图4

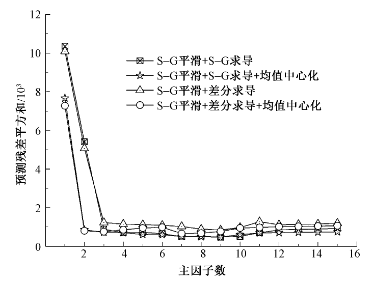
不同校正处理的预测残差平方和与主因子数关系图"

表1

不同预处理方法建立的模型参数"

预处理方法 主因子数 RC SECV RP SEP
S-G平滑+S-G求导 8 0.994 1.462 0.992 1.855
S-G平滑+S-G求导+
均值中心化
9 0.996 1.334 0.986 2.427
S-G平滑+差分求导 8 0.995 1.464 0.992 1.834
S-G平滑+差分求导+
均值中心化
7 0.995 1.470 0.991 1.946

图5

S-G平滑+差分求导预处理得到的样本光谱图"

图6

蚕丝样品光谱吸光度与接枝率的相关系数"

表2

不同阈值下定量分析模型的预测结果"

阈值 RC SECV RP SEP 预测准确率/%
0(全波段) 0.995 1.464 0.992 1.834 91.03
0.4 0.995 1.358 0.988 2.174 87.73
0.6 0.995 1.480 0.985 2.681 84.52
0.8 0.993 1.657 0.991 3.219 80.44

图7

定量模型的外部验证准确性"

[1] 王瑞. 基于蚕丝纤维绿色加工的应用基础研究[D]. 杭州: 浙江理工大学, 2020: 13.
WANG Rui. Basic research on the application of green processing of silk fibers[D]. Hangzhou: Zhejiang Sci-Tech University, 2020: 13.
[2] ZHAO C, OKADA H, ASAKAWA M, et al. Grafting methyl methacrylate onto silk via emulsion graft copolymerization using a diethylzinc complex initiator[J]. Green and Sustainable Chemistry, 2019, 9(4): 135-152.
doi: 10.4236/gsc.2019.94010
[3] 张智辉, 沈一峰, 杨雷, 等. MAA/疏水性单体与蚕丝纤维的接枝共聚合反应[J]. 丝绸, 2013, 50(7): 1-4.
ZHANG Zhihui, SHEN Yifeng, YANG Lei, et al. Graft copolymerization of MAA/hydrophobic monomer and silk fiber[J]. Journal of Silk, 2013, 50(7): 1-4.
[4] 李婷, 孙晨晓, 朱兰, 等. 基于高效液相色谱法的桑蚕丝氨基酸定量分析及其增重鉴别的研究[J]. 江苏丝绸, 2021(2):35-39.
LI Ting, SUN Xiaochen, ZHU Lan, et al. Quantitative analysis of amino acids and weight gain identification of mulberry silk by high performance liquid chromato-graphy[J]. Jiangsu Silk, 2021(2):35-39.
[5] 钱红飞, 程双娟. 一种蚕丝接枝率的检测方法: ZL 201510303852.2[P]. 2015-11-04.
QIAN Hongfei, CHENG Shuangjuan. A test method of silk grafting ratio: ZL 201510303852.2[P]. 2015-11-04.
[6] 方帅军, 陈梦婕, 舒可人, 等. 基于DSC技术构建甲基丙烯酰胺接枝蚕丝的接枝率定量检测方法[J]. 丝绸, 2022, 59(1): 20-24.
FANG Shuaijun, CHEN Mengjie, SHU Keren, et al. Quantitative detection method for the grafting rate of methylacrylamide grafted silk based on DSC tech-nology[J]. Journal of Silk, 2022, 59(1): 20-24.
[7] 方帅军, 郑培晓, 程双娟, 等. 甲基丙烯酰胺接枝桑蚕丝接枝率的数学模型构建与定量分析[J]. 纺织学报, 2022, 43(2): 156-161.
FANG Shuaijun, ZHENG Peixiao, CHENG Shuangjuan, et al. Establishment of mathematical model and quantitative analysis for grafting rate of methylacrylamide grafted silk[J]. Journal of Textile Research, 2022, 43(2): 156-161.
[8] DE A N R, RAMALHO F M G, COSTA L R, et al. Estimating hardness and density of wood and charcoal by near-infrared spectroscopy[J]. Wood Science and Technology, 2020, 55(1): 215-230.
doi: 10.1007/s00226-020-01232-y
[9] ANYIDOHO E K, TEYE E, AGBEMAFLE R, et al. Application of portable near infrared spectroscopy for classifying and quantifying cocoa bean quality para-meters[J]. Journal of Food Processing and Preservation, 2021, 45(5): 1-13.
[10] DU W, ZHENG J, LI W, et al. Efficient recognition and automatic sorting technology of waste textiles based on online near infrared spectroscopy and convolutional neural network[J]. Resources, Conservation and Recycling, 2022. DOI: 10.1016/j.resconrec.2022.106157.
doi: 10.1016/j.resconrec.2022.106157
[11] CURA K, RINTALA N, KAMPPURI T, et al. Textile recognition and sorting for recycling at an automated line using near infrared spectroscopy[J]. Recycling, 2021. DOI: 10.3390/recycling6010011.
doi: 10.3390/recycling6010011
[12] BLANCO M, PAGÈS J. Classification and quantitation of finishing oils by near infrared spectroscopy[J]. Analytica Chimica Acta, 2002, 463(2): 295-303.
doi: 10.1016/S0003-2670(02)00382-3
[13] CHEN H, TAN C, LIN Z. Quantitative determination of the fiber components in textiles by near-infrared spectroscopy and extreme learning machine[J]. Analytical Letters, 2019, 53(6): 844-857.
doi: 10.1080/00032719.2019.1683742
[14] 魏子涵, 李文霞, 杜宇君, 等. 织物傅里叶变换衰减全反射红外光谱库的建立及应用[J]. 纺织学报, 2019, 40(8): 64-68.
WEI Zihan, LI Wenxia, DU Yujun, et al. Establishment and application of fabrics attenuated total reflection fourier transform infrared spectroscopy spectrum library[J]. Journal of Textile Research, 2019, 40(8): 64-68.
[15] HUANG J, YU C. Fiber content determination of linen/viscose blends using NIR spectroscopy[J]. Bioresources, 2020, 15(2): 3006-3016.
doi: 10.15376/biores.15.2.3006-3016
[16] 江崃, 朱小行, 沈一峰, 等. 过硫酸钾连二亚硫酸钠氧化还原体系在蚕丝接枝增重上的应用[J]. 纺织学报, 2013, 34(1): 50-55.
JIANG Lai, ZHU Xiaoxing, SHEN Yifeng, et al. Application of potassium persulfate/sodium dithionate redox system in graft weighting of silk[J]. Journal of Textile Research, 2013, 34(1): 50-55.
[17] 马月. 近红外、拉曼光谱快速无损检测技术在蚕桑产品中的应用[D]. 镇江: 江苏科技大学, 2020: 58-67.
MA Yue. Application of near-infrared and Raman spectroscopy rapid nondestructive testing technology in sericulture products[D]. Zhenjiang: Jiangsu University of Science and Technology, 2020: 58-67.
[18] 宋悦. 基于近红外光谱分析技术的纺织物纤维成分检测方法研究[D]. 太原: 中北大学, 2020: 34-38.
SONG Yue. Study on the detection method of textile fiber composition based on near infrared spectro-scopy[D]. Taiyuan: North University of China, 2020: 34-38.
[19] 韦树琛, 丁欣, 李文霞, 等. 废旧聚酯纤维制品近红外定量分析模型的建立及验证[J]. 纺织学报, 2018, 39(7): 63-68.
WEI Shuchen, DING Xin, LI Wenxia, et al. Model establishment and validation of waste polyester fiber products based on near infrared quantitative analysis[J]. Journal of Textile Research, 2018, 39(7): 63-68.
[1] 程绿竹, 王宗乾, 盛红梅, 钟辉, 夏丽萍. 锦纶织物中氯菊酯含量测试方法比较[J]. 纺织学报, 2022, 43(09): 143-148.
[2] 李艾元, 施心雨, 岳万福, 游卫云. 丝素蛋白水凝胶支架的制备及其性能[J]. 纺织学报, 2022, 43(06): 44-48.
[3] 雷彩虹, 俞林双, 朱海霖, 郑涛, 陈建勇. 不同水解方式下蚕丝丝素蛋白材料的止血性能[J]. 纺织学报, 2022, 43(04): 15-19.
[4] 方帅军, 郑培晓, 程双娟, 李欢欢, 钱红飞. 甲基丙烯酰胺接枝桑蚕丝接枝率的数学模型构建与定量分析[J]. 纺织学报, 2022, 43(02): 156-161.
[5] 李伟, 张正桥, 徐珍珍, 张朝辉. 双亲两嵌段接枝淀粉浆料的制备及其上浆性能[J]. 纺织学报, 2022, 43(01): 141-146.
[6] 黄笛, 李芳, 李刚. 涤纶/蚕丝机织心脏瓣膜的制备及其性能[J]. 纺织学报, 2021, 42(02): 74-79.
[7] 鲁鹏, 洪思思, 林旭, 李慧, 刘国金, 周岚, 邵建中, 柴丽琴. 活性染料/聚苯乙烯复合胶体微球的制备及其在桑蚕丝织物上的结构生色[J]. 纺织学报, 2021, 42(01): 90-95.
[8] 王曙东, 马倩, 王可, 瞿才新, 戚玉. 蚕丝蛋白/明胶复合水凝胶的结构与生物相容性[J]. 纺织学报, 2020, 41(11): 41-47.
[9] 黄阳阳, 刘伟, 华英, 赵中琦, 徐劲. 幼童用智能示警蚕丝被的研发[J]. 纺织学报, 2020, 41(10): 150-157.
[10] 宋慧君, 翟亚丽, 钞意元, 朱超宇. 蚕丝织物的栀子蓝色素染色[J]. 纺织学报, 2020, 41(06): 81-85.
[11] 张炜, 毛庆楷, 朱鹏, 柴雄, 李惠军. 乙醇/水体系中改性蚕丝织物的活性染料染色动力学和热力学[J]. 纺织学报, 2020, 41(06): 86-92.
[12] 郑宏飞, 汪瑞琪, 汪庆, 朱莹, 许云辉. 氧化壳聚糖改性抗菌蚕丝织物的制备及其性能[J]. 纺织学报, 2020, 41(05): 121-128.
[13] 吴荣辉, 马丽芸, 张一帆, 刘向阳, 于伟东. 银纳米线涂层的编链结构纱线拉伸应变传感器[J]. 纺织学报, 2019, 40(12): 45-49.
[14] 涂莉, 孟家光, 李欣, 李娟子. 废旧毛/丝/棉混纺面料的组分分析及其剥色工艺[J]. 纺织学报, 2019, 40(11): 75-80.
[15] 江华, 张志恒, 蔡金芳, 陈维国, 崔志华, 孙岩峰. 芳伯胺染料对蚕丝织物的重氮化-偶合染色及工艺调控[J]. 纺织学报, 2019, 40(11): 100-105.
Viewed
Full text


Abstract

Cited

  Shared   
  Discussed   
[1] 赵良臣;闻涛. 旋转组织设计的数学原理[J]. 纺织学报, 2003, 24(06): 33 -34 .
[2] 曹建达;顾小军;殷联甫. 用BP神经网络预测棉织物的手感[J]. 纺织学报, 2003, 24(06): 35 -36 .
[3] 【作者单位】:中国纺织工程学会秘书处【分类号】:+【DOI】:cnki:ISSN:0-.0.00-0-0【正文快照】:  香港桑麻基金会设立的“桑麻纺织科技奖” 0 0 年提名推荐工作;在纺织方面院士;专家和有关单位的大力支持下;收到了 个单位 (人 )推荐的 位候选人的. 2003年桑麻纺织科技奖获奖名单[J]. 纺织学报, 2003, 24(06): 107 .
[4] 【分类号】:Z【DOI】:cnki:ISSN:0-.0.00-0-0【正文快照】:  一;纺 纱模糊控制纺纱张力的研究周光茜等 ( - )………………原棉含杂与除杂效果评价方法的研究于永玲 ( - )……网络长丝纱免浆免捻功能的结构表征方法李栋高等 ( - )……………. 2003年纺织学报第二十四卷总目次[J]. 纺织学报, 2003, 24(06): 109 -620 .
[5] 朱敏;周翔. 准分子激光对聚合物材料的表面改性处理[J]. 纺织学报, 2004, 25(01): 1 -9 .
[6] 黄立新. Optim纤维及产品的开发与应用[J]. 纺织学报, 2004, 25(02): 101 -102 .
[7] 邓炳耀;晏雄. 热压对芳纶非织造布机械性能的影响[J]. 纺织学报, 2004, 25(02): 103 -104 .
[8] 张治国;尹红;陈志荣. 纤维前处理用精练助剂研究进展[J]. 纺织学报, 2004, 25(02): 105 -107 .
[9] 秦元春. 纺织工业发展方向初探[J]. 纺织学报, 2004, 25(02): 108 -110 .
[10] 高伟江;魏文斌. 纺织业发展的战略取向——从比较优势到竞争优势[J]. 纺织学报, 2004, 25(02): 111 -113 .