纺织学报 ›› 2019, Vol. 40 ›› Issue (10): 20-25.doi: 10.13475/j.fzxb.20180905406

• 纤维材料 • 上一篇    下一篇

纤维素纳米纤丝气凝胶制备及其对亚甲基蓝的吸附性能

徐春霞1,2, 降帅1,2, 韩阜益1,2, 徐芳1,2, 刘丽芳1,2()   

  1. 1.东华大学 纺织学院, 上海 201620
    2.东华大学 纺织面料技术教育部重点实验室, 上海 201620
  • 收稿日期:2018-09-20 修回日期:2019-06-16 出版日期:2019-10-15 发布日期:2019-10-23
  • 通讯作者: 刘丽芳
  • 作者简介:徐春霞(1993—),女,硕士生。主要研究方向为纳米纤维素的制备及应用。
  • 基金资助:
    中央高校基本科研业务费专项资金项目(2232018A3-04)

Preparation of cellulose nanofibrils aerogel and its adsorption of methylene blue

XU Chunxia1,2, JIANG Shuai1,2, HAN Fuyi1,2, XU Fang1,2, LIU Lifang1,2()   

  1. 1. College of Textiles, Donghua University, Shanghai 201620, China
    2. Key Laboratory of Textile Science & Technology, Ministry of Education, Donghua University, Shanghai 201620, China;
  • Received:2018-09-20 Revised:2019-06-16 Online:2019-10-15 Published:2019-10-23
  • Contact: LIU Lifang

摘要:

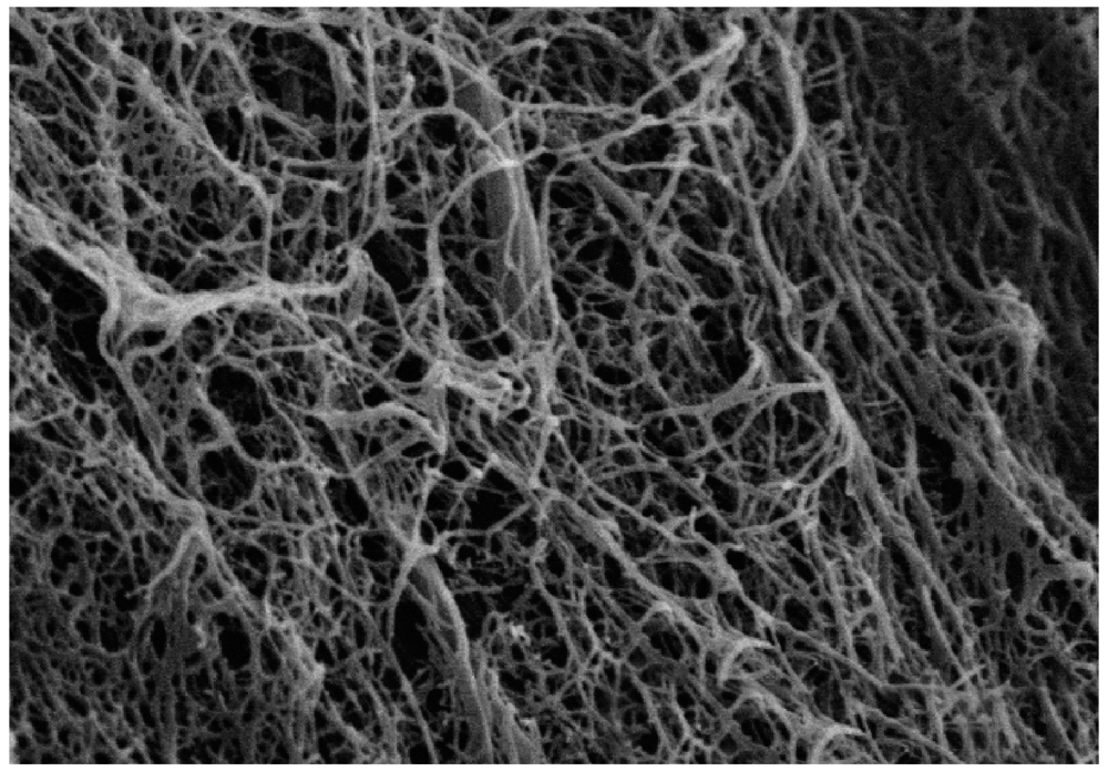
针对印染废水中的亚甲基蓝(MB)吸附问题,以水稻秸秆纤维素纳米纤丝(CNF)悬浮液为原料,通过冻融凝胶、叔丁醇溶剂置换、液氮冷冻干燥制得CNF气凝胶,对其形态结构进行表征,并研究其对MB的吸附性能;考察了吸附剂用量、溶液pH值的影响,并利用吸附动力学和吸附等温线模型对吸附机制进行探讨分析。结果表明:叔丁醇冷冻干燥得到的CNF气凝胶内分布着大量由直径6~26 nm的蛛丝状纤丝构成的三维网络结构,其比表面积为52.25 m2/g,平均孔径为28.82 nm,是多孔材料;准二级动力学模型和Freundlich吸附等温线模型能更好地描述CNF气凝胶对MB的吸附过程,计算得到理论最大吸附量为196.08 mg/g。

关键词: 印染废水, 气凝胶, 纤维素纳米纤丝, 亚甲基蓝, 吸附性能

Abstract:

In order to solve the adsorption problem of methylene blue (MB) in dyeing wastewater, a cellulose nanofiber(CNF) aerogel was prepared from rice straw CNF suspension by freezing and thawing gel, displacing with tert-butanol solvent and freeze drying with liquid nitrogen. The morphology structure of the aerogel as well as its adsorption capacity to MB was characterized. The influences of adsorbent quality and solution pH value on the adsorption performance were also investigated. The adsorption mechanism was discussed by adsorption kinetics and adsorption isotherm model. The results show that the CNF aerogel obtained by freeze-drying of tert-butanol has a three-dimensional network structure which contains a large number of spider-like fibers with a diameter of 6-26 nm. The aerogel exhibits a porous structure with a specific surface area of 52.25 m2/g, and an average pore size of 28.82 nm. The pseudo-second-order adsorption kinetic and Freundlich adsorption isothermal model are more suitable for describing the adsorption process of methylene blue on CNF aerogel, with the theoretical maximum adsorption of 196.08 mg/g.

Key words: dyeing wastewater, aerogel, cellulose nanofiber, methylene blue, adsorption

中图分类号: 

  • O647.32

图1

CNF气凝胶形貌照片(×50 000)"

图2

CNF气凝胶的氮气吸附-脱附曲线和孔径分布图"

图3

吸附剂质量对CNF气凝胶吸附性能的影响"

图4

溶液pH值对CNF气凝胶吸附性能的影响"

图5

吸附时间对CNF气凝胶吸附性能的影响"

图6

CNF气凝胶吸附MB的准一级动力学和准二级动力学吸附拟合曲线"

表1

CNF气凝胶吸附MB的动力学模型参数"

MB质量浓度/
(mg·L-1)
实际测量
值/(mg·g-1)
准一级动力学 准二级动力学
qe/(mg·g-1) k1/min-1 R2 qe/(mg·g-1) k2/min-1 R2
10 49.12 25.53 0.032 8 0.932 6 51.02 0.003 046 0.999 8
50 195.90 271.65 0.041 4 0.939 1 222.22 0.000 195 0.996 7

图7

25 ℃下CNF气凝胶吸附MB的Langmuir和Freundlich 吸附等温线"

表2

CNF气凝胶吸附MB的等温线模型参数"

Langmuir模型 Freundlich模型
qmax/
(mg·g-1)
KL/
(L·mg-1)
R2 1/n KF/
(mg·g-1)
R2
196.08 0.772 7 0.925 0 0.291 7 7.007 6 0.942 8
[1] GUPTA V K, SUHA S. Application of low-cost adsorbents for dye removal: a review[J]. Journal of Environmental Management, 2009,90(8):2313-2342.
doi: 10.1016/j.jenvman.2008.11.017 pmid: 19264388
[2] ABITBOL T, RIVKIN A, CAO Yifeng, et al. Nanocellulose: a tiny fiber with huge applications[J]. Current Opinion in Biotechnology, 2016,39:76-88.
doi: 10.1016/j.copbio.2016.01.002 pmid: 26930621
[3] LI Ziyu, JIA Zhigang, NI Tao, et al. Adsorption of methylene blue on natural cotton based flexible carbon fiber aerogels activated by novel air-limited carbonization method[J]. Journal of Molecular Liquids, 2017,242:747-756.
[4] MAATAR W, BOUFI S. Microporous cationic nanofibrillar cellulose aerogel as promising adsorbent of acid dyes[J]. Cellulose, 2017,24(2):1001-1015.
[5] FENG J, DINH D M, HSIEH Y L. Adsorption and desorption of cationic malachite green dye on cellulose nanofibril aerogels[J]. Carbohydrate Polymers, 2017,173:286-294.
doi: 10.1016/j.carbpol.2017.05.097 pmid: 28732868
[6] 徐春霞, 降帅, 韩阜益, 等. TEMPO氧化体系协同超声波法纤维素纳米纤丝的制备及表征[J]. 纺织科学与工程学报, 2018,35(4):102-107.
XU Chunxia, JIANG Shuai, HAN Fuyi, et al. Preparation and characterization of cellulose nanofibrils by TEMPO oxidation system combined with ultrasonication[J]. Journal of Textile Science & Engineering, 2018,35(4):102-107.
[7] FENG J, HSIEH Y L. Super water absorbing and shape memory nanocellulose aerogels from TEMPO-oxidized cellulose nanofibrils via cyclic freezing-thawing[J]. Journal of Materials Chemistry A, 2014,2(2):350-359.
[8] 万才超, 卢芸, 孙庆丰, 等. 新型木质纤维素气凝胶的制备、表征及疏水吸油性能[J]. 科技导报, 2014,32(4/5):79-85.
WAN Caichao, LU Yun, SUN Qingfeng, et al. Preparation and characterization of novel lignocellulose aerogel with hydrophobicity and oil absorption properties[J]. Science and Technology Review, 2014,32(4/5):79-85.
[9] THOMMES M, KANEKO K, NEIMARK A V, et al. Physisorption of gases, with special reference to the evaluation of surface area and pore size distribu-tion (IUPAC Technical Report)[J]. Pure & Applied Chemistry, 2015,87(9/10):1051-1069.
[10] 邹晶晶. 利用粉煤灰提铝酸渣合成孔材料和纤维材料[D]. 长春:吉林大学, 2016: 62.
ZOU Jingjing. Synthesis of porous and fibrous materials based on acid-extraction residues of fly ash[D]. Changchun:Jilin University, 2016: 62.
[11] 王小娟. 基于微晶纤维素的跨尺度气凝胶的制备及吸附性能研究[D]. 苏州:苏州大学, 2017: 38-43.
WANG Xiaojuan. The preparation and absorption performance of cross-scale aerogel based on microcrystalline cellulose[D]. Suzhou:Soochow University, 2017: 38-43.
[12] HO Y S, MCKAY G. Pseudo-second order model for sorption processes[J]. Process Biochemistry, 1999,34(5):451-465.
doi: 10.1016/S0032-9592(98)00112-5
[13] ZHOU Chengjun, LEE Sunyoung, DOOLEY K, et al. A facile approach to fabricate porous nanocomposite gels based on partially hydrolyzed polyacrylamide and cellulose nanocrystals for adsorbing methylene blue at low concentrations[J]. Journal of Hazardous Materials, 2013,263:334-341.
doi: 10.1016/j.jhazmat.2013.07.047 pmid: 23958139
[14] 焦晨璐. 微晶纤维素基气凝胶的制备及对重金属、染料的吸附降解性研究[D]. 苏州:苏州大学, 2017: 58-60.
JIAO Chenlu. Preparation of microcrystalline cellulose based aerogel and its application for adsorption of heavy metals and degradation of dyes[D]. Suzhou: Soochow University, 2017: 58-60.
[15] SHIRSATH S R, PATIL A P, PATIL R, et al. Removal of Brilliant Green from wastewater using conventional and ultrasonically prepared poly(acrylic acid) hydrogel loaded with kaolin clay: a comparative study[J]. Ultrasonics Sonochemistry, 2013,20(3):914-923.
doi: 10.1016/j.ultsonch.2012.11.010 pmid: 23266437
[1] 李庆, 管斌斌, 王雅, 刘天卉, 张洛红, 樊增禄. 光敏剂敏化Cu-有机骨架对活性深蓝K-R 的高效光催化降解[J]. 纺织学报, 2020, 41(10): 87-93.
[2] 唐峰, 余厚咏, 周颖, 李营战, 姚菊明, 王闯, 金万慧. 聚(3-羟基丁酸-co-3-羟基戊酸共聚酯)复合膜的制备及其性能[J]. 纺织学报, 2020, 41(09): 8-15.
[3] 杨凯, 张啸梅, 焦明立, 贾万顺, 刁泉, 李咏, 张彩云, 曹健. 高邻位酚醛基纳米活性碳纤维制备及其吸附性能[J]. 纺织学报, 2020, 41(08): 1-8.
[4] 张凌云, 钱晓明, 邹驰, 邹志伟. SiO2气凝胶/ 聚酯-聚乙烯双组分纤维复合保暖材料的制备及其性能[J]. 纺织学报, 2020, 41(08): 22-26.
[5] 方舟, 宋磊磊, 孙保金, 李文肖, 张超, 闫俊, 陈磊. 碳纳米纤维结构设计及其对水污染物吸附机制的研究进展[J]. 纺织学报, 2020, 41(08): 135-144.
[6] 赵芷芪, 李秋瑾, 孙月静, 巩继贤, 李政, 张健飞. 磁性氧化石墨烯/ 聚丙烯胺盐酸盐微胶囊在染料吸附中的应用[J]. 纺织学报, 2020, 41(07): 109-116.
[7] 刘雷艮, 沈忠安, 林振锋, 陶金. 聚乳酸/ 壳聚糖/ Fe3 O4 超细纤维膜对酸性蓝MTR 的吸附性能及机制[J]. 纺织学报, 2020, 41(05): 20-24.
[8] 高珊, 卢业虎, 张德锁, 吴雷, 王来力. 石墨烯气凝胶复合防火织物的热防护性能[J]. 纺织学报, 2020, 41(04): 117-122.
[9] 王宗乾, 杨海伟, 周剑, 李长龙. 尿素脱胶对丝素蛋白气凝胶力学性能的影响[J]. 纺织学报, 2020, 41(04): 9-14.
[10] 王世贤, 降帅, 李萌萌, 刘丽芳, 张丽. 硅烷偶联剂改性纳米纤维素气凝胶的制备及其表征[J]. 纺织学报, 2020, 41(03): 33-38.
[11] 党丹旸, 崔灵燕, 王亮, 刘雍. 纤维素纳米纤维/ 纳米蒙脱土复合气凝胶制备及其结构与性能[J]. 纺织学报, 2020, 41(02): 1-6.
[12] 陈冬芝, 杨晓刚, 陈艳霞, 刘琳, 陈彬, 崔科丛, 张勇. 亚麻废纱制备纤维素基絮凝材料及其混凝工业废水性能 [J]. 纺织学报, 2020, 41(01): 88-95.
[13] 王杰, 汪滨, 杜宗玺, 李从举, 李秀艳, 安泊儒. 磺胺化聚丙烯腈纳米纤维膜的制备及其对Cr( VI) 和Pb( II) 的吸附性能[J]. 纺织学报, 2020, 41(01): 1-7.
[14] 李阵群, 许多, 魏春艳, 钱永芳, 吕丽华. 棉秆皮纤维素/ 氧化石墨烯纤维的制备及其力学性能和吸附性能 [J]. 纺织学报, 2020, 41(01): 15-20.
[15] 王璐, 丁笑君, 夏馨, 王虹, 周小红. SiO2气凝胶/芳纶非织造布复合织物的防护功能[J]. 纺织学报, 2019, 40(10): 79-84.
Viewed
Full text


Abstract

Cited

  Shared   
  Discussed   
No Suggested Reading articles found!