Journal of Textile Research ›› 2025, Vol. 46 ›› Issue (03): 49-55.doi: 10.13475/j.fzxb.20240100201

• Textile Engineering • Previous Articles     Next Articles

Mechanical properties of cotton/polyester staple sheath-core yarns and its corresponding fabrics

JIANG Wenjie, GUO Mingrui, GAO Weidong()   

  1. College of Textile Science and Engineering, Jiangnan University, Wuxi, Jiangsu 214122, China
  • Received:2024-01-02 Revised:2024-04-09 Online:2025-03-15 Published:2025-04-16
  • Contact: GAO Weidong E-mail:gaowd@163.com

Abstract:

Objective In order to give full play to the performance advantages of composite staple yarn, a new method of spinning staple sheath-core yarn based on ring spinning machine was developed. Meanwhile, tensile properties and abrasion resistance are important evaluation indicators of textiles, which are directly related to production efficiency and product quality. Therefore, the tensile properties and abrasion resistance of pure cotton ring-spun yarns and cotton-polyester staple sheath-core yarns and their corresponding fabrics were also compared.

Method The conventional front roller was replaced with the coaxial front roller of different diameters. The two fiber bundles were simultaneously fed into the back roller. After drafting, they were output with different speeds at the front roller nip. Under the action of spinning tension, the slow fiber bundle was output perpendicular to the front roller nip, while the fast fiber bundle was output from the front roller nip at a certain inclination angle and converged with the slow fiber bundle at the twisting point. As the twist was transferred to the spinning triangle, the slow fiber bundle was twisted around its axis, while the fast fiber bundle was spirally wrapped around the outside of the slow fiber bundle, thus forming staple sheath-core yarn.

Results The breaking strength and breaking elongation of the cotton-polyester staple sheath-core yarn are better than those of the ring-spun cotton yarn. And as the core proportion increases, the breaking strength and breaking elongation of the staple sheath-core yarn increase. This is because the tensile properties of polyester fiber are better than those of cotton fiber. As the core proportion increases, the polyester fiber content increases, so the tensile properties of the sheath-core yarn are improved. The tensile properties of staple fiber sheath-core yarn and ring-spun cotton yarn improve as the twist increases. Meanwhile, the abrasion resistance of ring-spun cotton yarn is better than that of cotton-polyester sheath-core yarn. The reason is that internal and external transfer exist between the fibers of ring-spun cotton yarn, and the binding force between fibers is strong and difficult to be extracted. While, the sheath-core yarn has an obvious layered structure, and the cohesive force between the core layer and the sheath layer is insufficient, making the fibers easier to peel off. Therefore, the abrasion resistance of cotton-polyester staple sheath-core yarn is worse than that of ring-spun cotton yarn. Similar to the law of yarn tensile properties, the tensile properties of knitted fabrics woven from polyester-cotton staple sheath-core yarns are superior to than those woven from ring-spun cotton yarns. This is because the fiber strength determines the tensile properties of the yarn, which in turn affects the tensile properties of the fabric. Therefore, an increase in the polyester fiber content is beneficial to improving the tensile breaking strength and breaking elongation of the knitted fabric. The strength loss proportion of the knitted fabric woven form ring-spun cotton yarn is much greater than that woven from sheath-core yarn fabric. This is because the strength of the sheath-core yarn is mainly provided by the core layer. During friction, the core layer is covered by the sheath layer and suffers little friction, resulting in less strength loss of the sheath-core yarn. Therefore, the strength loss proportion of the knitted fabric woven from staple sheath-core yarn is much smaller than that woven from ring-spun cotton yarn.

Conclusion A new method of spinning staple sheath-core yarn based on ring spinning machine was developed. the two fiber bundles were output at different speeds at the nip of the front roller by modifying the front roller on the ring spinning machine. Under the action of spinning tension and twisting, the slow fiber bundle was covered by the fast fiber bundle, forming a sheath-core structure. This method has the advantages of high spinning efficiency and good yarn spun properties. In addition, the tensile properties and abrasion resistance of ring-spun cotton yarn and cotton-polyester sheath-core staple fiber yarn were compared. The results show that the tensile properties of cotton-polyester staple sheath-core yarn were better than those of ring-spun cotton yarn; However, the abrasion resistance of cotton-polyester staple sheath-core yarn is worse than that of ring-spun cotton yarn; and the tensile properties of knitted fabric woven from cotton-polyester staple sheath-core yarn were better than that woven from ring-spun cotton yarn.

Key words: new spinning technology, cotton/polyester staple sheath-core yarn, coaxial front roller of different diameters, sheath-core proportion, tensile property, abrasion resistance property, weft-knitted fabric

CLC Number: 

  • TS104.1

Fig.1

Schematic diagram of spinning device"

Fig.2

Expanded view of staple sheath-core yarn"

Tab.1

Experimental scheme of spinning"

纱线类型 皮芯比 粗纱定量/
(g·(10 m)-1)
捻度/(捻·m-1)
皮层 芯层
棉/涤纶短纤
皮芯纱
75∶25 12.3 3.8 430/460/490/520
70∶30 9.6 3.8
65∶35 7.6 3.8
纯棉环锭纱 / 9.6

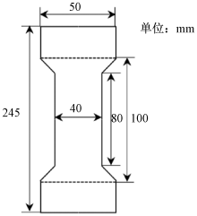
Fig.3

Size diagram of knitted fabric sample"

Fig.4

Appearance of Wyenbeek oscillatory wear tester"

Fig.5

Comparison of tensile properties of cotton yarn and cotton/polyester staple sheath-core yarn with different sheath-core proportions. (a) Breaking strength; (b) Breaking elongation"

Fig.6

Comparison of abrasion resistance of cotton yarn and cotton/polyester staple sheath-core yarn with different sheath-core proportions"

Fig.7

Comparison of tensile properties of fabrics. (a) Breaking strength; (b) Breaking elongation"

Fig.8

Comparison of strength loss proportion of fabrics"

[1] 周蛟, 王际平, 冯新星, 等. 线密度和组织结构对牛仔面料保型性的影响[J]. 纺织学报, 2010, 31(1):44-47.
ZHOU Jiao, MANG Jiping, FENG Xinxing, et al. Jean fabric shape retention as affected by yarn linear density and fabric structure[J]. Journal of Textile Research, 2010, 31(1):44-47.
[2] 蒋志青, 马延涛, 郭亚, 等. 仿针织牛仔面料的开发及性能评价[J]. 纺织学报, 2018, 39(3): 45-49.
JIANG Zhiqing, MA Yantao, GUO Ya, et al. Development and property evaluation of fake knitted denim fabric[J]. Journal of Textile Research, 2018, 39(3): 45-49.
[3] 万爱兰, 缪旭红, 蒋高明. 纬编牛仔面料的设计及其弹性回复性[J]. 纺织学报, 2017, 38(10): 38-43.
doi: 10.13475/j.fzxb.20161105606
WAN Ailan, MIAO Xuhong, JIANG Gaoming. Structure design and elastic resilience of weft knitted denim fabric[J]. Journal of Textile Research, 2017, 38(10): 38-43.
doi: 10.13475/j.fzxb.20161105606
[4] 张海焕, 张毅, 童胜昊, 等. 牛仔布用多芯包芯纱强伸性能研究[J]. 棉纺织技术, 2023, 51(4): 53-56.
ZHANG Haihuan, ZHANG Yi, TONG Shenghao, et al. Study on tensile property of multi-core spun yarn for denim[J]. Cotton Textile Technology, 2023, 51(4): 53-56.
[5] 肖红, 齐元章, 施楣梧, 等. 棉涤包芯纱衬衣面料低负荷下的力学性能研究[J]. 棉纺织技术, 2013, 41(1): 21-25.
XIAO Hong, QI Yuanzhang, SHI Meiwu, et al. Cotton polyester core spun yarn shirt fabric under lower load[J]. Cotton Textile Technology, 2013, 41(1): 21-25.
[6] 倪俊瑶, 李煜斌, 范杰, 等. 含涤纶长丝包芯纱织物的折痕回复性能[J]. 毛纺科技, 2021, 49(7): 1-6.
NI Junyao, LI Yubin, FAN Jie, et al. Crease recovery performance of fabric with polyester filament core-spun yarn[J]. Wool Textile Journal, 2021, 49(7): 1-6.
[7] XIA Z, GUO Q, YE W, et al. Comparative study of fiber trapping by filaments in conventional and diagonal sirofil systems[J]. Textile Research Journal, 2018, 88(14): 1581-1592.
[8] 郭明瑞, 顾银华, 高卫东. 棉/涤皮芯结构粗纱参数对其细纱结构与性能的影响[J]. 纺织学报, 2022, 43(6): 57-62.
GUO Mingrui, GU Yinhua, GAO Weidong. Influencen of cotton/polyester sheath-core structure roving parameters on structure and performance of spun yarn[J]. Journal of Textile Research, 2022, 43(6): 57-62.
[9] SAWHNEY A, ROBERT K, RUPPENICKER G. Device for producing staple-core / cotton-wrap ring spun yarns[J]. Textile Research Journal, 1989, 59(9): 519-524.
[10] SAWHNEY A, ROBERT K, RUPPENICKER G, et al. Improved method of producing a cotton covered/polyester staple-core yarn on a ring spinning frame[J]. Textile Research Journal, 1992, 62(1): 21-25.
[1] AO Limin, PAN Liufei, TANG Wen, FANG Ruifeng. Composite structures and properties of quadratically-fed covered yarns [J]. Journal of Textile Research, 2025, 46(01): 52-61.
[2] MU Xiuping, JIANG Gaoming, CHEN Yushan, LI Bingxian. Digital design method for multi-needle bed weft-knitted fabric [J]. Journal of Textile Research, 2024, 45(11): 106-113.
[3] ZHANG Qi, TU Jiani, ZHANG Yanting, DING Ningyu, HAO Jiashu, PENG Shiyu. Influence of jacquard layer structure of warp knitted jacquard spacer shoe-upper materials on tensile properties [J]. Journal of Textile Research, 2024, 45(08): 150-157.
[4] HU Xudong, TANG Wei, ZENG Zhifa, RU Xin, PENG Laihu, LI Jianqiang, WANG Boping. Structure classification of weft-knitted fabric based on lightweight convolutional neural network [J]. Journal of Textile Research, 2024, 45(05): 60-69.
[5] LI Jiugang, JIN Xinpeng, DENG Wentao, QIN Xue, ZHANG He, HUANG Cong, LIU Keshuai. Influence of number and twist of alumina yarn on its tenacity [J]. Journal of Textile Research, 2023, 44(10): 48-52.
[6] ZHANG Hua, LIU Shuai, YANG Ruihua. Tensile property modelling of composite core/sheath yarn with double filaments [J]. Journal of Textile Research, 2023, 44(08): 57-62.
[7] ZHOU Mengmeng, JIANG Gaoming. Preparation and tensile properties of glass fiber weft-knitted biaxial tubular fabrics [J]. Journal of Textile Research, 2023, 44(07): 132-140.
[8] CHENG Yue, ZUO Han, AN Qi, LI Dawei, ZHANG Wei, FU Yijun. Holding force of non-absorbable barbed sutures and its influencing factors [J]. Journal of Textile Research, 2023, 44(06): 66-71.
[9] CHEN Xiaoming, REN Zhipeng, ZHENG Hongwei, WU Kaijie, SU Xingzhao, CHEN Li. A method for improving mechanical properties of needled fabrics based on synergy of pre-needling and main needling [J]. Journal of Textile Research, 2023, 44(04): 100-107.
[10] SUN Xiaolun, CHEN Li, ZHANG Yifan, LI Mohan. Tensile properties of 3-D woven composites with holes [J]. Journal of Textile Research, 2022, 43(08): 74-79.
[11] LIU Junling, SUN Ying, CHEN Li. Axial tensile properties of three-dimensional woven composites with variant structure [J]. Journal of Textile Research, 2019, 40(12): 162-168.
[12] HAN Xiaoxue, MIAO Xuhong. Longitudinal electrical physical properties of spandex weft-knitted conductive fabric [J]. Journal of Textile Research, 2019, 40(04): 60-65.
[13] WANG Xinmiao, CHEN Li, ZHANG Diantang, CHEN Dong. Micro-structure and properties of multilayer multiaxial woven composites [J]. Journal of Textile Research, 2019, 40(02): 45-52.
[14] . Control of physical and chemical properties of oxidation degummed ramie fiber with 1, 8-dihydroxyanthraquinone [J]. JOURNAL OF TEXTILE RESEARCH, 2018, 39(02): 78-85.
[15] . Tesile properties of carbon-aramid hybrid 3-d braided composites [J]. JOURNAL OF TEXTILE RESEARCH, 2018, 39(02): 49-54.
Viewed
Full text


Abstract

Cited

  Shared   
  Discussed   
No Suggested Reading articles found!