Journal of Textile Research ›› 2023, Vol. 44 ›› Issue (08): 57-62.doi: 10.13475/j.fzxb.20220308801

• Textile Engineering • Previous Articles     Next Articles

Tensile property modelling of composite core/sheath yarn with double filaments

ZHANG Hua1, LIU Shuai2, YANG Ruihua2()   

  1. 1. Institute of Quartermaster Engineering & Technology, Institute of Engineering, Academy of Military Science, Beijing 100088, China
    2. Key Laboratory of Eco-Textiles (Jiangnan University), Ministry of Education, Wuxi, Jiangsu 214122, China
  • Received:2022-03-25 Revised:2023-02-27 Online:2023-08-15 Published:2023-09-21

Abstract:

Objective In order to analyze and predict the tensile stress-stain relationship of core/sheath composite yarn with double filaments, a viscoelastic tensile model needs to be developed, which would enable numerical prediction of tensile strength of this composite yarn.

Method The yarn was regarded as a viscoelastic body and its tensile property was shown in the form of the stress-strain corresponding to time. The models commonly used for the research of the tensile fracture mechanism of yarn are varied, such as linear spring, nonlinear spring, nonlinear dashpot, and Maxwell and Kelvin models. Some models above are selected in series or parallel configuration to establish suitable tensile model for core/sheath composite yarn with double filament. Additionally, experimental tests are conducted to verify the correctness of the viscoelastic model.

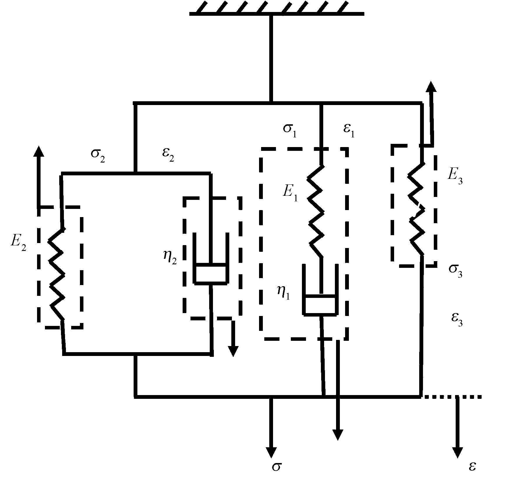
Results In this study, a nonlinear viscoelastic model was established to predict the tensile stress-strain relationship of core/sheath composite yarn with double filaments. The tensile properties of the yarn were tested, and different stages of the tensile curve were analyzed. The tensile properties of the composite yarns were simulated and calculated by employing the developed model, and the stress-strain relationship was fitted by applying a polynomial on the foundation of the proposed model. According to the results of tensile tests, the strength of the composite yarn was the highest in comparison with filament and staple yarn. Nevertheless, Young's modulus of composite yarn was the lowest among three types of yarns. In terms of elongation, the fracture elongation of staple yarn was much lower than that of the filament and the composite yarn (Fig. 2). The experimental results revealed that the tensile fracture curve of the composite yarn comprised three stages (Fig. 3). In the first stage, the stress and strain of the yarn showed a linear relationship when only staple yarn understood the load. In the second stage, the stress increased rapidly, and the sheath filament began to be stressed. In the final stage, some monofilaments started to fracture and the strength fluctuated, but the overall strength increased slowly. In accordance with the tensile fracture characteristics, a five-element nonlinear viscoelastic model composed of Kelvin element, Maxwell element, and linear springs were established (Fig.4). Thus, the equation of stress-strain relationship on the core/sheath composite yarn with double filaments was attained based on the model. Then, a scipy.optimize.root function in Python was employed to make a solution to the equation and several parameters were calculated. The viscoelastic tensile model can decently explain the three-stage stress-strain characteristics of the composite yarn tensile curve. The theoretical results were consistent with the experimental results, and the pearson correlation coefficient was greater than 0.999 (Fig. 5).

Conclusion This paper presented a five-element nonlinear viscoelastic mechanical model to forecast the tensile properties of core/sheath composite yarn with double filaments, according to an experimental and analytical study of the composite yarn. A polynomial function corresponding to the stress-strain relationship of the composite yarn was constructed to analyze and predict the practical tensile curve. The theoretical predictions showed good consistency with the experimental results. The yield stress derived from the model accurately reflected the different stages of the experimental tensile curve. The proposed five-element viscoelastic tensile model can provide theoretical and experimental reference values for the tensile fracture mechanism of core/sheath composite yarn with double filament. Moreover, a novel concept for research on the yarn tensile fracture mechanism is proposed.

Key words: composite yarn, tensile property, fracture characteristic, viscoelastic mechanical model, strength prediction, composite core/sheath yarn

CLC Number: 

  • TS104

Fig. 1

Schematic of composite yarn spinning"

Fig. 2

Strength and elongation curves of composite yarn, nylon filament and staple yarn"

Fig. 3

Tensile stress-strain curves of composite yarn, nylon filament and staple yarn"

Fig. 4

Five-element viscoelastic tensile model"

Fig. 5

Comparison between theoretical tensile curve and experimental data of composite yarn"

[1] 李龙, 吴磊, 林思伶. 捻度对棉/氨纶/银丝包芯纱性能的影响[J]. 纺织学报, 2023, 44(1): 100-105.
LI Long, WU Lei, LIN Siling. Influence of yarn twist on properties of cotton/spandex/ silver wire core spun yarns[J]. Journal of Textile Research, 2023, 44(1): 100-105.
[2] 邹专勇, 缪璐璐, 董正梅, 等. 喷气涡流纺工艺对粘胶/涤纶包芯纱性能的影响[J]. 纺织学报, 2022, 43(8): 27-33.
ZOU Zhuanyong, MIAO Lulu, DONG Zhengmei, et al. Effect of air-jet vortex spinning process on properties of viscose/polyester core-spun yarns[J]. Journal of Textile Research, 2022, 43(8): 27-33.
[3] 吴佳庆, 王迎, 郝新敏, 等. 长丝喂入位置对赛络纺包芯纱结构与性能影响[J]. 纺织学报, 2021, 42(8): 64-70.
WU Jiaqing, WANG Ying, HAO Xinmin, et al. Effect of filament feeding positions on structure and properties of siro-spinning core-spun yarns[J]. Journal of Textile Research, 2021, 42(8): 64-70.
[4] 王建坤, 郭晶, 郑帼, 等. 全包覆包芯纱的纺制及工艺研究[J]. 纺织科学与工程学报, 2018, 35(2): 1-6, 15.
WANG Jiankun, GUO Jing, ZHENG Guo, et al. Study on the spinning and process of full-coated core-spun yarn[J]. Journal of Textile Science and Engineering, 2018, 35(2): 1-6, 15.
[5] 李保荣, 朱乐乐, 王军庆, 等. 包覆纺纱技术发展、现状及存在的问题[J]. 纺织科技进展, 2020(8): 8-11.
LI Baorong, ZHU Lele, WANG Junqing, et al. Development, present situation and problems of cover-spinning technology[J]. Progress in Textile Science & Technology, 2020(8): 8-11.
[6] 缪璐璐, 孟小奕, 虞美雅, 等. 弹力包芯纱产品的开发与应用进展[J]. 棉纺织技术, 2021, 49(1): 76-80.
MIU Lulu, MENG Xiaoyi, YU Meiya, et al. Development and application progress of elastic core-spun yarn product[J]. Cotton Textile Technology, 2021, 49(1): 76-80.
[7] 敖利民, 唐雯, 王爱林. 亚麻/有色涤纶长丝包缠复合纱的外观与性能[J]. 纺织学报, 2019, 40(8): 40-47.
AO Limin, TANG Wen, WANG Ailin. Appearance and performance of linen/colored polyester wrapping composite yarn[J]. Journal of Textile Research, 2019, 40(8): 40-47.
[8] 储才元, 钟瑜. 纱线的粘弹性力学性能探讨[J]. 上海纺织科技, 1998: 18-20.
CHU Caiyuan, ZHONG Yu. Discussion on viscoelastic mechanical properties of yarn[J]. Shanghai Textile Science & Technology, 1998: 18-20.
[9] COCOO A, MASIN S C. The law of elasticity[J]. Psicologica, 2010, 31: 647-657.
[10] SU X L, CHEN W, XU W X. Characterizing the rheological behaviors of non-Newtonian fluid via a viscoelastic component: fractal dashpot[J]. Advances in Mechanical Engineering, 2017. DOI:10.1177/1687814017699765.
doi: 10.1177/1687814017699765
[11] MANICH A M, MARINO P N, DE CASTELLAR M D, et al. Viscoelastic modeling of natural and synthetic textile yarns[J]. Journal of Applied Polymer Science, 2000, 76: 2062-2067.
doi: 10.1002/(ISSN)1097-4628
[12] ASAYESH A, JEDDI A A A. Modeling the creep behavior of plain woven fabrics constructed from textured polyester yarn[J]. Textile Research Journal, 2010, 80: 642-650.
doi: 10.1177/0040517509343816
[13] VANGHELUWE L, KIEKENS P. Modelling relaxation behaviour of yarns:1: extended, nonlinear Maxwell model[J]. Journal of the Textile Institute, 1996, 87: 296-304.
doi: 10.1080/00405009608659082
[14] CHEN Y J, WU C A, FU Y M. Rheological characteristics of soft rock structural surface[J]. Journal of Central South University of Technology, 2008, 15: 374-380.
doi: 10.1007/s11771-008-0383-2
[15] 石风俊. 拉伸速度对纱线拉伸实验结果的影响[J]. 纺织学报, 2003: 29-30, 34.
SHI Fengjun. The influence of drawing speed on tensile test results of yarns[J]. Journal of Textile Research, 2003: 29-30, 34.
[16] 肖丰, 李营建. 氨纶包芯纱和棉纱粘弹性力学性能的研究[J[. 江苏纺织, 2007(9): 37-38, 51.
XIAO Feng, LI Yingjian. Study on viscoelastic mechanical properties of spandex core-spun yarn and cotton yarn[J]. Jiangsu Textile, 2007(9): 37-38, 51.
[17] 杨英贤, 石风俊. 牛奶纤维拉伸性能建模的研究[J]. 合成纤维, 2005(7): 24-26.
YANG Yingxian, SHI Fengjun. Research on the mechanical properties model of casein protein fiber[J]. Synthetic Fiber in China, 2005(7): 24-26.
[18] 崔世忠, 石风俊. 大豆蛋白质纱拉伸性质建模的研究[J]. 纺织学报, 2003(4):44-46, 5.
CUI Shizhong, SHI Fengjun. The tensile properties modeling of soybean protein yarns[J]. Journal of Textile Research, 2003(4):44-46, 5.
[19] SHI F J, JIN X L. Modelling the tensile properties of modal/polyurethane core-spun stretch yarn[J]. Fibres & Textiles in Eastern Europe, 2012, 20: 30-32.
[20] 石风俊, 刘萍, 张颖, 等. 氨纶包芯纱拉伸性能建模的研究[J]. 纺织学报, 2005, 26(2): 56-58.
SHI Fengjun, LIU Ping, ZHANG Ying, et al. Modeling the tensile properties of modal/polyurethane core spun yarn[J]. Journal of Textile Research, 2005, 26(2): 56-58.
[21] YANG H W, KIM H J, ZHU C Y, et al. Comparisons of vore-sheath structuring effects on the tensile properties of high-tenacity ring core-spun yarns[J]. Textile Research Journal, 2009, 79: 453-460.
doi: 10.1177/0040517508099912
[22] 樊理山, 来侃, 孙润军, 等. 三组分复合纱线的拉伸断裂特征与力学模型[J]. 纺织学报, 2010, 31(3): 36-39.
FAN Lishan, LAI Kan, SUN Runjun, et al. Tensile strength of tri-component composite yarn and its mechanical model[J]. Journal of Textile Research, 2010, 31(3): 36-39.
[1] LI Jiugang, JIN Xinpeng, DENG Wentao, QIN Xue, ZHANG He, HUANG Cong, LIU Keshuai. Influence of number and twist of alumina yarn on its tenacity [J]. Journal of Textile Research, 2023, 44(10): 48-52.
[2] ZHOU Mengmeng, JIANG Gaoming. Preparation and tensile properties of glass fiber weft-knitted biaxial tubular fabrics [J]. Journal of Textile Research, 2023, 44(07): 132-140.
[3] CHENG Yue, ZUO Han, AN Qi, LI Dawei, ZHANG Wei, FU Yijun. Holding force of non-absorbable barbed sutures and its influencing factors [J]. Journal of Textile Research, 2023, 44(06): 66-71.
[4] CHEN Xiaoming, REN Zhipeng, ZHENG Hongwei, WU Kaijie, SU Xingzhao, CHEN Li. A method for improving mechanical properties of needled fabrics based on synergy of pre-needling and main needling [J]. Journal of Textile Research, 2023, 44(04): 100-107.
[5] HU Chengye, ZHOU Xinru, FAN Mengjing, HONG Jianhan, LIU Yongkun, HAN Xiao, ZHAO Xiaoman. Preparation and properties of skin-core structure micro/nano fiber composite yarns [J]. Journal of Textile Research, 2022, 43(09): 95-100.
[6] SUN Xiaolun, CHEN Li, ZHANG Yifan, LI Mohan. Tensile properties of 3-D woven composites with holes [J]. Journal of Textile Research, 2022, 43(08): 74-79.
[7] WU Jiaqing, WANG Ying, HAO Xinmin, GONG Yumei, GUO Yafei. Effect of filament feeding positions on structure and properties of siro-spinning core-spun yarns [J]. Journal of Textile Research, 2021, 42(08): 64-70.
[8] MA Liyun, WU Ronghui, LIU Sai, ZHANG Yuze, WANG Jun. Preparation and electrical properties of triboelectric nanogenerator based on wrapped composite yarn [J]. Journal of Textile Research, 2021, 42(01): 53-58.
[9] WEI Yanhong, LIU Xinjin, XIE Chunping, SU Xuzhong, ZHANG Zhongxi. Shape retention and wearing properties of polyester filament/cotton composite yarn twill fabrics [J]. Journal of Textile Research, 2019, 40(12): 39-44.
[10] LIU Junling, SUN Ying, CHEN Li. Axial tensile properties of three-dimensional woven composites with variant structure [J]. Journal of Textile Research, 2019, 40(12): 162-168.
[11] AO Limin, TANG Wen, JIANG Yinling. Spinning and performance comparison of line flax/polyester multifilament composite yarns [J]. Journal of Textile Research, 2019, 40(11): 38-44.
[12] AO Limin, TANG Wen, WANG Ailin. Appearance and performance of linen/colored polyester wrapping composite yarn [J]. Journal of Textile Research, 2019, 40(08): 40-47.
[13] WANG Xinmiao, CHEN Li, ZHANG Diantang, CHEN Dong. Micro-structure and properties of multilayer multiaxial woven composites [J]. Journal of Textile Research, 2019, 40(02): 45-52.
[14] . Simulation of fluid flow in rotor composite spinning unit and analysis on yarn quality [J]. JOURNAL OF TEXTILE RESEARCH, 2018, 39(03): 26-30.
[15] . Continuous preparation and properties of conductive polyester/polyaniline composite yarns [J]. JOURNAL OF TEXTILE RESEARCH, 2018, 39(02): 20-25.
Viewed
Full text


Abstract

Cited

  Shared   
  Discussed   
No Suggested Reading articles found!