Journal of Textile Research ›› 2023, Vol. 44 ›› Issue (11): 190-198.doi: 10.13475/j.fzxb.20220601201

• Machinery & Accessories • Previous Articles     Next Articles

Optimization of detaching roller hybrid drive system for cotton comber

LIU Jinru1,2, LI Xinrong1,2(), WANG Hao3, SHI Shuaixing1,2   

  1. 1. School of Mechanical Engineering, Tiangong University, Tianjin 300387, China
    2. Tianjin Key Laboratory of Advanced Mechatronics Equipment Technology, Tianjin 300387, China
    3. School of Textile Science and Engineering, Tiangong University, Tianjin 300387, China
  • Received:2022-06-06 Revised:2023-07-03 Online:2023-11-15 Published:2023-12-25

Abstract:

Objective The detaching roller is the core mechanism of the comber. In the process of combing, it needs to complete a high-speed periodic motion that follows the "rise-return-dwell" pattern. Thus, there are stringent requirements on kinematics and dynamics performances of the transmission mechanism of the detaching roller. The conventional mechanical driving mode can generate a large impact and vibrations, and it is difficult to further improve its speed. Therefore, it is particularly important to overcome the shortcomings of the existing drive mode, including long drive chain, high vibration and noise.

Method The paper analyzed the separation and jointing process of comber, and put forward the key points in movement of detaching roller. The segmented fitting method was adopted to fit them, yielding the optimal movement law of detaching roller. The number of teeth of each gear in the system was optimized based on the dynamic analysis of the gear transmission system of detaching roller. Combined with kinematics analysis and relevant requirements, the motions of two servo motors were then planned and the speed curves of the servo motors were determined. The theoretical expectation was verified by software simulation and test evaluation.

Results The curve of displacement of the detaching roller conformed to the "rise-return-dwell" pattern with the maximum error being 0.30 mm, which satisfied the requirements of flock detachment and overlap. The velocity and acceleration at the starting and terminal points were zero, and the detaching roller did not produce rigid or a flexible impact (Fig. 2). Therefore, the fitting results of the motion curve for the detaching roller were ideal. It can be seen from transmission system that, after optimization, the vibration acceleration of most of gears was reduced to varying degrees, and the sum of root mean square vibration accelerations of all gears in the transmission system was reduced by 18.21% compared with the original, achieving the effect of vibration reduction. Vibration accelerations of some gears in the transmission system showed that the speed of the servo motor connected to the sun gear s is always positive, and the speed of the servo motor connected to gear 1 was always negative, that is, both servo motors operate in one direction. Therefore, the motion planning of the servo motor meets the design requirements. In addition, through the results of ADAMS simulation, it can be seen that the detaching roller motion curve obtained by simulation was basically consistent with the motion curve obtained by theoretical calculation. Therefore, the detaching roller drive system designed can make the movement of the detaching roller meet the process requirements. Finally, according to the experimental results, it can be seen that the overall errors between the displacement curve of the detaching roller obtained from the experiment and the theoretical calculation and simulation results was very small, which verified that the detaching roller drive system can replace the conventional mechanical structure, overcome the problems of its long transmission chain and large vibration noise, and complete the drive of the detaching roller. From displacements of different detaching rollers, displacement curves can be obtained by changing the motion law of the servo motor, verifing that the hybrid drive mode of the detaching roller can make the detaching roller meet different process requirements.

Conclusion In this paper, the hybrid drive system of the detaching roller is studied. The driving system can render the motion of the detaching roller flexible. It solves the problems of the long drive chain of the existing detaching roller drive mechanism and the difficulty in adjusting the motion law of the detaching roller. However, this study still needs to be improved. For example, this study considered only the degrees of freedom in the torsional direction in the dynamic model of the driving system of the detaching roller, which is sufficient for engineering. In future research, more factors should be considered to build a dynamic model with multiple degrees of freedom to better reflect the empirical situation.

Key words: comber, detaching roller, hybrid drive, gear transmission system, dynamic

CLC Number: 

  • TS112.2

Fig. 1

Displacement diagram of detaching roller"

Fig. 2

Movement law of detaching roller. (a) Curve of displacement and key points; (b) Curves of velocity and acceleration"

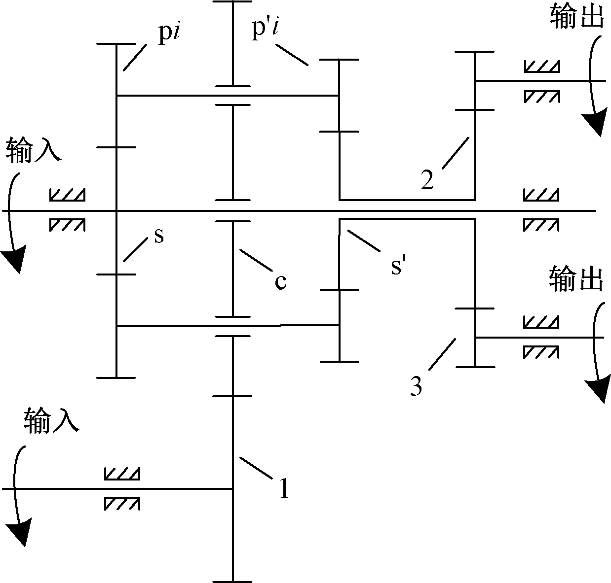
Fig. 3

Diagram of gear transmission system of detaching roller"

Fig. 4

Dynamic model of gear transmission system of detaching roller. (a) Dynamic model of differential gear train; (b) Dynamic model of fixed axle gears"

Tab. 1

Main parameters of existing gear transmission system of detaching roller"

参数 数值
齿数z zs=32,zs'=25,zpi=22,zp'i=29,zc=95,z1=80,z2=87,z3=28
模数m/mm ms=ms'=mpi=mp'i=mc=m1=2.5,m2=m3=1.25
质量/kg Ms=1.13,Ms'=0.48,Mpi=0.44,Mp'i=0.97,Mc=13.15,M1=9.30,M2=2.51,M3=0.14
齿宽/mm Ts=Ts'=35.0,Tpi=Tp'i=34.5,Tc=T1=T2=T3=40.0
啮合刚度/(N·m-1) kspi=1.08×108,ks'p'i=1.02×108,k1c=1.87×108,k23=1.48×108
扭转刚度/(N·m·rad-1) kpip'i=2.24×104,k2s'=3.24×105

Fig. 5

Comparison of vibration accelerations of some gears in transmission system before (a) and after (b) optimization"

Fig. 6

Speeds of servo motors"

Fig. 7

Comparison of motion curves of detaching roller obtained by simulation and theoretical calculation. (a) Simulated and theoretical displacements; (b) Simulated and theoretical speeds; (c) Simulated and theoretical accelerations"

Fig. 8

Test bench of comber driven by multiple shafts.(a) Overall view of test bench; (b) Partial view of test bench"

Fig. 9

Displacements of detaching roller obtained from theoretical calculation and simulation and experiment"

Fig. 10

Displacements of detaching roller with different effective output lengths"

[1] 任家智, 马驰, 张一风, 等. 高速节能精梳技术的研究与应用[J]. 纺织学报, 2013, 34(2): 141-145.
REN Jiazhi, MA Chi, ZHANG Yifeng, et al. Research and application of high-speed and energy-saving combing technology[J]. Journal of Textile Research, 2013, 34(2): 141-145.
[2] LI X R, JIANG X M, YANG J C, et al. Study on flock detaching motion of a cotton comber[J]. Journal of The Textile Institute, 2014, 105(8): 789-793.
doi: 10.1080/00405000.2013.861150
[3] 任家智, 高卫东, 谢春萍, 等. 棉精梳机分离罗拉顺转定时对棉网均匀度的影响[J]. 纺织学报, 2014, 35(3): 127-131.
REN Jiazhi, GAO Weidong, XIE Chunping, et al. Influence of forward motion timing of comber detaching roller on evenness of cotton web[J]. Journal of Textile Research, 2014, 35(3): 127-131.
[4] 李留涛, 贾国欣, 任家智. 精梳机分离罗拉传动机构的平衡优化[J]. 纺织学报, 2015, 36(8): 133-138.
LI Liutao, JIA Guoxin, REN Jiazhi. Balance optimization based on detaching roller transmission mechanism of combing machine[J]. Journal of Textile Research, 2015, 36(8): 133-138.
[5] 贾国欣, 任毅, 李留涛. 精梳机分离罗拉连杆传动机构的减振平衡优化[J]. 棉纺织技术, 2015, 43(8): 17-21.
JIA Guoxin, REN Yi, LI Liutao. Vibration damping balance optimization of comber detaching roller rod transmission mechanism[J]. Cotton Textile Technology, 2015, 43(8): 17-21.
[6] 陈佳. 纺纱设备[J]. 纺织导报, 2016(2): 28-36,38.
CHEN Jia. Spinning machinery[J]. China Textile Leader, 2016(2): 28-36,38.
[7] LI X R, JIANG X M, WANG S Z, et al. Driving mechanism of cotton comber's detaching roller based on time-sharing unidirectional drive[J]. Journal of Donghua University (English Edition), 2014, 31(4): 429-432.
[8] 刘立东, 李新荣, 杨海鹏, 等. 棉精梳机分离罗拉伺服驱动研究[J]. 纺织学报, 2020, 41(1): 158-164.
LIU Lidong, LI Xinrong, YANG Haipeng, et al. Research on servo drive of detaching roller of cotton combing machines[J]. Journal of Textile Research, 2020, 41(1): 158-164.
doi: 10.1177/004051757104100212
[9] 杨海鹏, 李新荣, 吕鹏飞, 等. 采用混合驱动的精梳机分离罗拉传动机构[J]. 纺织学报, 2019, 40(4): 122-128.
YANG Haipeng, LI Xinrong, LÜ Pengfei, et al. Detaching roller drive mechanism of a comber based on hybrid-driven[J]. Journal of Textile Research, 2019, 40(4): 122-128.
[10] 任家智, 郁崇文. E7/6型精梳机曲柄半径对工艺性能的影响[J]. 纺织学报, 2004, 25(4): 45-46,140.
REN Jiazhi, YU Chongwen. Influence of crank radius of E7/6 type comber on its process performance[J]. Journal of Textile Research, 2004, 25(4): 45-46,140.
[11] 王晓维, 周国庆, 李新荣. 棉精梳机钳板开闭口时间的研究[J]. 纺织学报, 2015, 36(7): 121-125,130.
WANG Xiaowei, ZHOU Guoqing, LI Xinrong. Study on opening and closing time of clamp plate of cotton combing machine[J]. Journal of Textile Research, 2015, 36(7): 121-125,130.
[12] 华林, 叶德金, 汪小凯, 等. 双伺服驱动高速精冲机主传动系统的运动规划[J]. 华中科技大学学报(自然科学版), 2018, 46(4): 6-11,34.
HUA Lin, YE Dejin, WANG Xiaokai, et al. Motion planning of main drive system of high speed fine blanking press by double servo drive[J]. Journal of Huazhong University of Science and Technology (Natural Science Edition), 2018, 46(4): 6-11,34.
[13] MATEJIC M S, BLAGOJEVIC M Z, MATEJIC M M. Dynamic behaviour of a planetary reducer with double planet gears[J]. Mechanical Science, 2021, 12(2): 997-1003.
doi: 10.5194/ms-12-997-2021
[14] HAN J C, LIANG L, ZHAO Y. Dynamic performance of planetary gear joint for satellite antenna driving mechanism considering multi-clearance coupling[J]. Energies, 2021, 14(4):1-8.
doi: 10.3390/en14010001
[15] FAN Z X, ZHU C C, SONG C S. Dynamic analysis of planetary gear transmission system considering the flexibility of internal ring gear[J]. Iranian Journal of Science and Technology:Transactions of Mechanical Engineering, 2020, 44(3): 695-706.
doi: 10.1007/s40997-019-00290-3
[1] XU Gaoping, SUN Yize. Dynamic modeling and control of package yarn pulled by mobile manipulator [J]. Journal of Textile Research, 2024, 45(01): 1-11.
[2] SHENG Xinyang, CHEN Xiaona, LU Yaya, LI Yanmei, SUN Guangwu. Quantitative relationship between fabric elasticity and shock absorption performance of sports bras [J]. Journal of Textile Research, 2024, 45(01): 161-167.
[3] CHANG Chenyu, WANG Yuwei, YUAN Xuyang, LIU Feng, LU Zhiwen. Dynamic deformation simulation of weft knitted fabrics based on improved mass-spring model at interlacing points [J]. Journal of Textile Research, 2024, 45(01): 99-105.
[4] SUN Yue, ZHOU Lingfang, ZHOU Qixuan, ZHANG Shichen, YICK Kit-lun. Finite element analysis of supportive performance and dynamic comfort of sports bra [J]. Journal of Textile Research, 2023, 44(09): 180-187.
[5] FENG Qingguo, WU Aofei, REN Jiazhi, CHEN Yuheng. Dynamic simulation and finite element analysis of detaching roller linkage drive mechanism for cotton comber machines [J]. Journal of Textile Research, 2023, 44(09): 197-204.
[6] YANG Jin, LI Qiyang, JI Xia, SUN Yize. Modeling and control strategy of composite braiding-winding-pultrusion system [J]. Journal of Textile Research, 2023, 44(07): 199-206.
[7] HUANG Chenjing, ZHANG Lei, SUN Xun, WANG Xiaohua. Trajectory tracking control method of cloth grabbing manipulator based on dynamic modeling [J]. Journal of Textile Research, 2023, 44(06): 207-214.
[8] XIE Penghao, LI Yong, CHEN Xiaochuan, WANG Jun. Fractal-based modeling of whiskers and simulation of drafting process [J]. Journal of Textile Research, 2023, 44(04): 55-62.
[9] SU Ziyue, SHAN Yingfa, WU Yingzhu, QIN Jieyao, PENG Meiting, WANG Xiaomei, HUANG Meilin. Preparation and properties of shape-memory composites reinforced by carbon fabrics [J]. Journal of Textile Research, 2022, 43(11): 75-80.
[10] WANG Yue, WANG Chunhong, XU Lei, LIU Shengkai, LU Chao, WANG Lijian, YANG Lu, ZUO Qi. Development of environmentally friendly knitted fabrics with 3-D moisture conductive structure and performance evaluation on moisture absorption and quick-drying [J]. Journal of Textile Research, 2022, 43(10): 58-64.
[11] DENG Zhongmin, YU Dongyang, HU Haodong, LI Tong, KE Wei. Tracking and detection hairiness path in yarns [J]. Journal of Textile Research, 2022, 43(09): 101-106.
[12] LIU Feng, XU Jie, KE Wenbo. Real-time dynamic scheduling for garment sewing process based on deep reinforcement learning [J]. Journal of Textile Research, 2022, 43(09): 41-48.
[13] CHEN Yuheng, GAO Weidong, REN Jiazhi. On-line detection and pattern analysis of separation drafting force in comber [J]. Journal of Textile Research, 2022, 43(08): 1-6.
[14] CHEN Peng, LIAO Shihao, SHEN Lanping, WANG Xuan, WANG Peng. Dyeing properties of polylactic acid/polyketone fibers with disperse dye [J]. Journal of Textile Research, 2022, 43(05): 12-17.
[15] HE Yang, ZHANG Ruiping, HE Yong, FAN Aimin. Dyeing properties of laser modified polyester fabrics with disperse dyes [J]. Journal of Textile Research, 2022, 43(04): 102-109.
Viewed
Full text


Abstract

Cited

  Shared   
  Discussed   
No Suggested Reading articles found!