纺织学报 ›› 2023, Vol. 44 ›› Issue (05): 125-131.doi: 10.13475/j.fzxb.20211202701

• 纺织工程 • 上一篇    下一篇

棉/形状记忆氨纶纬编免烫衬衫面料制备及其性能评价

王雅倩1, 万爱兰1(), 曾登2   

  1. 1.江南大学 教育部针织技术工程研究中心, 江苏 无锡 214122
    2.连云港杜钟新奥神氨纶有限公司, 江苏 连云港 222069
  • 收稿日期:2021-12-13 修回日期:2022-04-20 出版日期:2023-05-15 发布日期:2023-06-09
  • 通讯作者: 万爱兰(1976—),女,副教授,博士。主要研究方向为纺织材料与智能纺织品。E-mail: ailan.wan@jiangnan.edu.cn。
  • 作者简介:王雅倩(1996—),女,硕士生。主要研究方向为智能纺织品。
  • 基金资助:
    国家自然科学基金项目(11972172)

Preparation and performance evaluation of weft knitted ironing-free shirt fabric based on cotton/shape memory spandex

WANG Yaqian1, WAN Ailan1(), ZENG Deng2   

  1. 1. Engineering Research Center for Knitting Technology, Ministry of Education, Wuxi, Jiangsu 214122, China
    2. Lianyungang LDZ New Ao Shen Spandex Co., Ltd., Lianyungang, Jiangsu 222069, China
  • Received:2021-12-13 Revised:2022-04-20 Published:2023-05-15 Online:2023-06-09

摘要:

为改善纬编衬衫面料的折皱回复性能,利用温敏型形状记忆氨纶与棉纱设计了平纹、单珠地、双珠地3款面料,并对面料进行3种不同预定形温度处理。分别对形状记忆氨纶的转变温度、形状记忆性进行表征,同时对面料的折皱回复性、形状记忆性、弹性回复性、缩水性进行评价。结果表明,当环境温度达到32.45 ℃及以上时,即人体体温就可触发形状记忆氨纶的形状记忆功能;形状记忆氨纶的使用可改善纬编衬衫面料的折皱回复角与弹性回复率,当形状记忆氨纶含量为8.4%时,折皱回复角与弹性回复率可分别提高20.5%、14.35%。

关键词: 形状记忆氨纶, 棉纱, 纬编衬衫面料, 温敏, 转变温度, 折皱回复, 弹性回复

Abstract:

Objective Although the existing cotton shirt fabrics offer good comfort and breathability, it is difficult to meet the dimensional stability requirements for shirt end-use. It is often necessary to finish the cotton shirt fabrics for shape retention without the need of ironing. Such finishing technique often uses chemical reagents for treatment, which will not only affect the comfort and softness of cotton shirt fabrics, but also remain some chemical substances in the fabric. This paper aims to improve the wrinkle recovery performance of weft knitted cotton shirt fabrics by incorporating shape memory spandes fibers.

Method In order to improve the wrinkle recovery performance of weft knitted cotton shirt fabrics, plain, single bead and double bead fabrics were knitted by using a cotton yarn incorporating temperature-sensitive shape memory spandex. Three different predetermined temperature treatments were carried out on the fabrics. The transition temperature and shape memory performance of shape memory spandex yarn were characterized, and the wrinkle recovery, shape memory performance, elastic recovery performance and shrinkage performance of the fabrics were evaluated.

Results The results showed that when the temperature reached 32.45 ℃ and above, the shape memory function of shape memory spandex could be triggered by the body temperature. The deformation fixation rate of shape memory spandex was 93.5%, and the shape recovery rate was 91.0%, indicating good shape memory performance of the spandex fiber and the effectiveness of the shape memory spandex in improving wrinkle recovery angle and elastic recovery rate of weft knitted shirt fabric. When the content of shape memory spandex was 8.4%, the wrinkle recovery angle and elastic recovery rate were increased by 20.5% and 14.35%, respectively. The properties of fabrics with different pre-determined temperatures were also found different, and the fabrics at pre-determined temperature of 195 ℃ demonstrated the best dimensional stability.

Conclusion The human body temperature is used as the triggering temperature of shape memory spandex to trigger the characteristics of shape memory spandex, so that the weft knitted cotton shirt can be automatically smoothed after wearing, achieving the iron-free effect and providing a reference for the development of shirt fabric.

Key words: shape memory spandex, cotton yarn, weft knitted shirt fabric, thermosensitive, transition temperature, wrinkle recovery, elastic recovery

中图分类号: 

  • TS182.5

表1

棉/形状记忆氨纶纬编面料所用原料及坯布规格"

组织
结构
原料A与
B的比例
横密/(纵行·
(5 cm)-1)
纵密/(横列·
(5 cm)-1)
面密度/
(g?m-2)
平纹 8.4:91.6 80 180 158
单珠地 4.3:95.7 70 170 142
双珠地 3.1:96.9 67.5 195 166

表2

棉/形状记忆氨纶纬编面料后整理工艺参数"

组织结构 试样编号 预定形温度/℃ 预定形机速/(m·min-1)
平纹 1# 175 28
2# 185 28
3# 195 28
单珠地 4# 175 25
5# 185 25
6# 195 25
双珠地 7# 175 25
8# 185 25
9# 195 25

表3

棉/形状记忆氨纶纬编面料成品参数"

试样编号 横密/(纵行·
(5 cm)-1)
纵密/(横列·
(5 cm)-1)
面密度/
(g?m-2)
1# 90 150 176
2# 87.5 150 173
3# 90 152.5 177
4# 77.5 147.5 146
5# 77.5 150 148
6# 80 150 150
7# 67.5 175 165
8# 65 175 166
9# 65 177.5 167

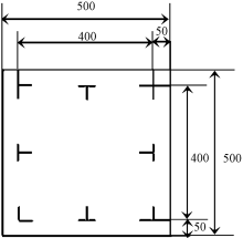
图1

折皱回复性试样尺寸形状"

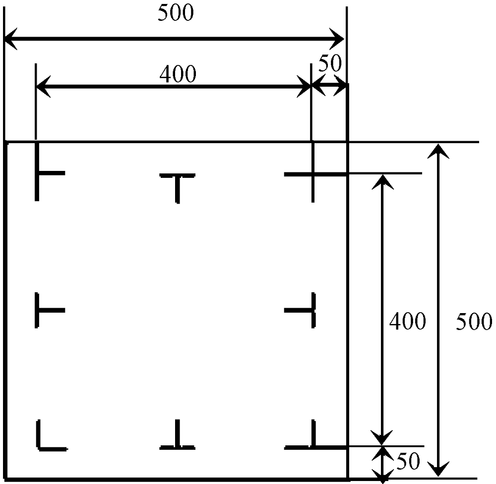
图2

缩水率试样尺寸形状 单位:mm。"

图3

形状记忆氨纶的差示扫描量热曲线"

图4

棉/形状记忆氨纶面料的折皱回复角测试结果"

表4

棉/形状记忆氨纶面料的形状记忆性能测试结果"

试样
编号
纵向 横向
形变
固定率/%
形状
回复率/%
形变
固定率/%
形状
回复率/%
1# 63.28 70.52 62.84 71.94
2# 65.87 67.38 62.59 68.89
3# 68.56 68.02 65.18 68.23
4# 70.63 63.45 69.03 65.56
5# 71.41 63.03 70.74 64.57
6# 72.03 60.57 71.38 62.46
7# 72.38 57.34 71.56 58.34
8# 73.24 56.01 72.23 57.47
9# 74.54 54.56 73.91 55.89

图5

棉/形状记忆氨纶面料的弹性回复率测试结果"

表5

棉/形状记忆氨纶面料的缩水率测试结果"

试样
编号
缩水率(21 ℃)/% 缩水率(37 ℃)/%
纵向 横向 纵向 横向
1# -3.6 -5.8 -4.5 -6.1
2# -3.3 -4.7 -4.2 -5.8
3# -2.7 -3.6 -3.8 -5.2
4# -4.3 2.2 -5.1 1.8
5# -4.5 1.3 -5.3 1.1
6# -5.9 0.9 -6.6 0.6
7# -4.2 2.0 -5.5 1.7
8# -5.1 1.6 -6.3 1.3
9# -5.8 1.0 -6.5 0.5
10# -2.0 -4.7 -2.1 -4.6
[1] 李兴建, 王亚茹, 郑朝晖, 等. 形状记忆高分子材料的网络结构化设计和性能研究[J]. 化学进展, 2013, 25(10): 1726-1738.
LI Xingjian, WANG Yaru, ZHENG Zhaohui, et al. Structural design and property study of shape memory polymer network[J]. Progress in Chemistry, 2013, 25(10): 1726-1738.
doi: 10.7536/PC130126
[2] HU J L, ZHU Y, HUANG H H, et al. Recent advances in shape-memory polymers: structure, mechanism, functionality, modeling and applications[J]. Progress in Polymer Science, 2012, 37(12): 1720-1763.
doi: 10.1016/j.progpolymsci.2012.06.001
[3] LIU F, URBAN M W. Recent advances and challenges in designing stimuli-responsive polymers[J]. Progress in Polymer Science, 2010, 35(1-2): 3-23.
doi: 10.1016/j.progpolymsci.2009.10.002
[4] 胡金莲, 刘晓霞. 纺织用形状记忆聚合物研究进展[J]. 纺织学报, 2006, 27(1): 114-116.
HU Jinlian, LIU Xiaoxia. Research and development of shape memory polymers for textile[J]. Journal of Textile Research, 2006, 27(1): 114-116.
[5] 胡金莲, 范浩军. 智能热敏形状记忆聚合物及其应用[J]. 纺织学报, 2005, 26(6):122-129.
HU Jinlian, FAN Haojun. Thermal-sensitive intelligent polymers and their application[J]. Journal of Textile Research, 2005, 26(6): 122-129.
[6] 杨书会, 王瑞. 纯棉织物折皱回复角与其组织结构参数的关系[J]. 纺织学报, 2017, 38(4):46-49.
YANG Shuhui, WANG Rui. Relationship between pure cotton fabric's wrinkle recovery angle and its organizational structure parameters[J]. Journal of Textile Research, 2017, 38 (4): 46-49.
[7] LIU X X, HU J L, MURUGESH B K, et al. Elasticity and shape memory effect of shape memory fabrics[J]. Textile Research Journal. 2008, 78(12): 1048-1056.
doi: 10.1177/0040517508087854
[8] ZHU Y, HU J L, YEUNG L Y, et al. Development of shape memory polyurethane fiber with complete shape recoverability[J]. Smart Materials & Structures, 2006, 15(5): 1385-1394.
doi: 10.1088/0964-1726/15/5/027
[9] 全琼瑛, 胡金莲, 吕晶. 高紧度形状记忆纤维/棉机织物的记忆性能[J]. 纺织学报, 2013, 34(7):57-61.
QUAN Qiongying, HU Jinlian, LÜ Jing. Memory properties of shape memory fiber/cotton woven fabrics with high tightness[J]. Journal of Textile Research, 2013, 34(7): 57-61.
[10] 刘晓霞, 胡子逢, 胡金莲, 等. 形状记忆整理织物的折皱回复角与温度的关系[J]. 纺织学报, 2008, 29(9): 91-93, 97.
LIU Xiaoxia, HU Zifeng, HU Jinlian, et al. Relationship of the wrinkle recovery angle and temperature of fabrics finished by shape memory polymer[J]. Journal of Textile Research, 2008, 29(9): 91-93, 97.
[11] HUANG W M, YANG B, ZHAO Y, et al. Thermo-moisture responsive polyurethane shape-memory polymer and composites: a review[J]. Journal of Materials Chemistry, 2010, 20(17): 3367-3381.
doi: 10.1039/b922943d
[1] 杨芸, 孙通, 梁振宇, 彭广, 鲍劲松. 基于异构集成学习的棉纱纱疵定量分析方法[J]. 纺织学报, 2023, 44(05): 93-101.
[2] 张青青, 倪远, 汪军, 张玉泽, 江慧. 转轮集聚纺纱装置与工艺设计[J]. 纺织学报, 2023, 44(02): 83-89.
[3] 杨群, 梁琦, 王黎明, 代正伟. 聚N-异丙基丙烯酰胺/聚氨酯梯度复合膜的温敏亲-疏水性及透湿性[J]. 纺织学报, 2021, 42(09): 17-23.
[4] 郭恒, 黄宏博, 姚金波, 姜会钰, 夏治刚, 王运利. 家庭洗涤对免烫棉织物性能的影响[J]. 纺织学报, 2021, 42(07): 129-136.
[5] 张华, 张杰, 高燕. 液氨处理对锦纶/棉混纺织物性能的影响[J]. 纺织学报, 2021, 42(06): 128-132.
[6] 左亚君, 蔡赟, 王蕾, 高卫东. 纯棉纱线合股数对织物性能的影响[J]. 纺织学报, 2021, 42(04): 74-79.
[7] 唐千惠, 王蕾, 高卫东. 基于图像处理的织物保形性检测[J]. 纺织学报, 2021, 42(03): 89-94.
[8] 李新彤, 高哲, 顾洪阳, 丛洪莲. 针织西服面料的挺括风格研究[J]. 纺织学报, 2020, 41(11): 53-58.
[9] 胡霄睿, 孙丰鑫, 肖彩勤, 高卫东. 基于原位力学测试的织物折皱回复性表征[J]. 纺织学报, 2020, 41(10): 41-45.
[10] 李瑞卿, 王伟, 魏炳举, 周长文, 张淑桃. 应用环保型还原剂的硫化黑染色工艺[J]. 纺织学报, 2020, 41(08): 50-54.
[11] 丁永生, 代亚敏, 钟毅, 徐红, 毛志平, 张琳萍, 陈支泽. 棉纱线在活性染料皮克林乳液体系中的染色动力学[J]. 纺织学报, 2020, 41(07): 101-108.
[12] 苏旭中, 魏艳红, 刘新金, 谢春萍. 纺纱方式对织物抗皱性能及拉伸弹性的影响[J]. 纺织学报, 2020, 41(04): 33-38.
[13] 陈慧, 王玺, 丁辛, 李乔. 基于全织物传感网络的温敏服装设计[J]. 纺织学报, 2020, 41(03): 118-123.
[14] 赵亚茹, 肖红, 陈剑英. 不锈钢短纤维/棉包覆氨纶纱的弹性与电学性能[J]. 纺织学报, 2020, 41(03): 45-50.
[15] 魏艳红, 刘新金, 谢春萍, 苏旭中, 张钟唏. 聚酯长丝/棉复合纱斜纹织物的保形性及服用性能[J]. 纺织学报, 2019, 40(12): 39-44.
Viewed
Full text


Abstract

Cited

  Shared   
  Discussed   
No Suggested Reading articles found!