Journal of Textile Research ›› 2025, Vol. 46 ›› Issue (04): 197-206.doi: 10.13475/j.fzxb.20240405801

• Machinery & Equipment • Previous Articles     Next Articles

Research on tension control system of multi-warp beam let-off mechanism of 3-D fabric loom

ZHANG Jiushang1, YANG Tao1(), ZHOU Yufeng2, TIAN Xiufeng2, SONG Liang2, LIU Chang1, LIU Jian1, DU Yu1   

  1. 1. School of Mechanical Engineering, Tiangong University, Tianjin 300387, China
    2. Wujiang Wangong Electromechanical Equipment Co., Ltd., Suzhou, Jiangsu 215000, China
  • Received:2024-04-23 Revised:2024-08-08 Online:2025-04-15 Published:2025-06-11
  • Contact: YANG Tao E-mail:yangtao@tiangong.edu.cn

Abstract:

Objective With the continuous development of three-dimensional textile technology, composite materials with three-dimensional fabric as the skeleton are increasingly emerging. The design and manufacture of 3D looms with better performance has become one of the key factors in improving the performance of composite materials reinforced with 3D fabric preforms. In the research and development of three-dimensional loom, the warp tension control is the core of the control in the weaving process, too high tension may lead to yarn breakage, and too small tension will affect the effect of fabric forming. Therefore, it is necessary to study the control of the warp tension of each layer under different yarn path conditions, as well as the corresponding control algorithm. In order to ensure the stability and uniformity of the warp tension.

Method In view of the characteristics of the multi-layer let-off system and the analysis of the main influencing factors of the warp tension, the let-off control system adopts the control concept of distributed control and centralized management, fully considers the requirements of the multi-channel multi-function and fast servo operation function of the control system, designs and adopts the combined PID (Proportional-Integral-Derivative Control) algorithm to realize the constant tension control, uses the direct control method to control the warp feed volume, and proposes a warp beam diameter estimation method for the multi-warp beam structure to ensure sufficient warp feed volume. According to the dynamic tension change, the tension pendulum and the angle sensor are combined to detect the balance position deviation, and the PID algorithm is used to control the tension of the war-off motor rewinding and unwinding speed control system in real time, so that it is in a relatively stable state. The let-off control algorithm is simulated, and the let-off control algorithm is verified and optimized through simulation analysis. Simulation simulates the response of the system under different operating conditions and evaluates the performance of the control algorithm. This process helps to identify potential problems and solve them, improving the stability and reliability of the system.

Results The fluctuation monitoring results of the tension balance pendulum rod of warp beams 1, 6 and 12 during the weaving process show that the tension curve shows a continuous change. At 28 seconds and 32 seconds (the up and down arrows indicate the disturbance of the opening motion), the effect of the opening motion of the heald frame on the tension is the most frequent, showing periodic fluctuations. Due to the different distances between the heald frame and the warp axis of each weft opening, the degree of interference between the rise and fall of the heald frame on the tension pendulum is also different. The maximum observed angle of interference is 0.47°. At 1 min and 20 s, there is a tension fluctuation caused by the beating motion, and after the interference occurs, the main controller uses the speed mode integral separation PID algorithm to quickly control the rewinding and unwinding response of the warp beam 1 motor, so that the pendulum 1 quickly returns to the set position and stabilizes within ±1°. At 1 minute and 30 seconds, there is a tension fluctuation caused by the let-off traction movement, and the basic let-off amount is compensated by the position mode, and the fluctuation of the stable tension pendulum is within ±1°. This shows that the control algorithm has a strong anti-interference ability, and in the face of various motion interferences, each warp axis can respond quickly, adjust the winding and unwinding, and send out a precise basic let-off amount to keep the tension pendulum in a dynamic equilibrium state.

Conclusion Through the analysis of tension fluctuation in the continuous weaving of No. 1, 6 and 12 warp beams, it can be seen that when disturbed, the tension fluctuation of each warp beam is consistent. When the let-off traction is synchronized, the position mode is used to calculate the influence of the tension fluctuation caused by the speed difference and the decrease in the diameter of the warp beam caused by the basic let-off amount to compensate for the speed difference, and control the synchronous movement of all warp beams. After the speed mode integral separation PID algorithm is used to adjust the tension pendulum of each warp beam to receive interference signals such as opening and weft beating, it can quickly and independently adjust each warp beam motor, so that the tension pendulum of each warp beam can be dynamically balanced and maintained near the target value. Therefore, the control system uses EtherCAT fieldbus communication and adopts the combined PID algorithm to carry out real-time synchronous control and independent control of each warp axis, and each warp axis can respond quickly to meet the tension control requirements of the angular loom.

Key words: quartz fiber, angle interlock fabric, let-off system, tension control, angle interlock loom, simulation

CLC Number: 

  • TS103.2

Fig.1

Installation diagram of warp beam"

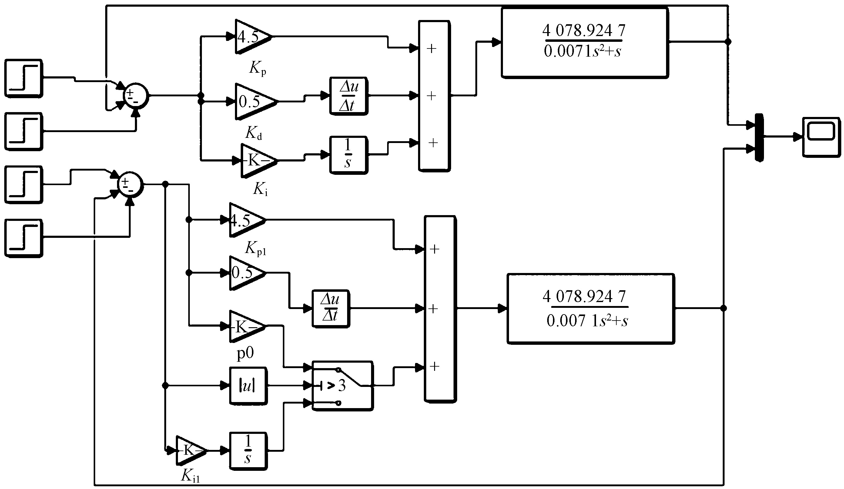
Fig.2

Tension control scheme of warp yarn"

Fig.3

Schematic diagram of integral separation PID control algorithm"

Fig.4

Schematic diagram of speed mode control"

Fig.5

Simulation diagram of PID response diagram"

Fig.6

Response diagram of step interference"

Fig.7

Electrical control principle of warp tension"

Fig.8

Experimental setup"

Fig.9

Partial process of of let-off system"

Tab.1

Experimental warp beam parameters"

经轴编号 一次阶跃/(°) 二次阶跃/(°) 经轴直径/mm 整经圈数
1 32~36 36~34 336 190
12 35.5~39 39~34 339 193

Fig.10

Warp axis 1 (a) and axis 12 (b) tension step interference"

Tab.2

Experimental warp beam parameters"

经轴
编号
目标角
度/(°)
整经
圈数
经轴直
径mm
上下限角
度/(°)
1 35.0 196 336 31、37
12 33.8 198 339 29、36

Fig.11

Warp axis 1 (a) and axis 12 (b) tension fluctuations"

[1] 屈国欣, 宋若康, 戴珍, 等. 石英纤维增强酚醛多孔复合材料的制备及性能[J]. 新技术新工艺, 2022(7):27-32.
QU Guoxin, SONG Ruokang, DAI Zhen, et al. Preparation and properties of quartz fiber reinforced phenolic porous composites[J]. New Technology and New Process, 2022(7):27-32.
[2] 卢绪凤, 杨建成. 碳纤维多层角联织机多经轴送经机构经纱张力计算及控制算法[J]. 玻璃钢/复合材料, 2017(12):14-18.
LU Xufeng, YANG Jiancheng. Calculation and control algorithm of warp tension of multi-warp beam let-off mechanism of carbon fiber multi-layer corner loom[J]. FRP/Composites, 2017(12):14-18.
[3] 韩天赐, 周其洪, 陈革, 等. 基于LabVIEW的立体织机经纱张力检测系统设计[J]. 东华大学学报(自然科学版), 2018, 44(5):762-765,771.
HAN Tianci, ZHOU Qihong, CHEN Ge, et al. Design of warp tension detection system for three-dimensional loom based on LabVIEW[J]. Journal of Donghua University(Natural Science Edition), 2018, 44(5):762-765,771.
[4] 陈家新, 赵博, 张永红. 织机经纱张力检测与控制技术[J]. 纺织机械, 2013(2):32-35.
CHEN Jiaxin, ZHAO Bo, ZHANG Yonghong. Warp tension detection and control technology of loom[J]. Textile Machinery, 2013 (2):32-35.
[5] 郑华. 电子送经卷取系统的研究与开发[D]. 上海: 东华大学, 2012:1-50.
ZHENG Hua. Research and development of electronic take-off system[D]. Shanghai: Donghua University, 2012:1-50.
[6] 夏鹏飞, 刘薇. 碳纤维角联织机经纱张力的H_∞网络化控制[J]. 科学技术与工程, 2022, 22 (20): 8771-8780.
XIA Pengfei, LIU Wei. H_∞ network control of warp tension in carbon fiber angle loom[J]. Science Technology and Engineering, 2022, 22 (20): 8771-8780.
[7] 张庆龙. 喷水织机的张力调节与控制系统设计[D]. 青岛: 青岛大学,2023:1-49.
ZHANG Qinglong. Design of tension adjustment and control system of water jet loom[D]. Qingdao: Qingdao University,2023:1-49.
[8] HUANG J, GAO M, HE Z. The application of PID controller with dead zone for yarn's constant tension control system[C]// Industrial Electronics and Application(ICIEA). Melbourne: IEEE, 2013, 348-351.
[9] 陈学军, 吴钢华, 林海波. 基于PID 积分分离算法的多线切割机恒张力控制研究[J]. 组合机床与自动化加工技术, 2012(1):81-84,92.
CHEN Xuejun, WU Ganghua, LIN Haibo. Research on constant tension control of multi-wire cutter based on pid integral separation algorithm[J]. Combined Machine Tool and Automatic Processing Technology, 2012(1):81-84,92.
[10] BECK T, LENZ C, HAMBACH L D, 等. 张力可控的自适应供纱系统[J]. 国际纺织导报, 2018, 46(9):10-12.
BECK T, LENZ C, HAMBACH L D, et al. Adaptive yarn supply system with controllable tension[J]. Melliand International Textile Reports, 2018, 46 (9): 10-12.
[11] 黄祥源. 基于积分分离PID 算法的张力控制器的设计[J]. 工业控制计算机, 2011, 24(5):36-38.
HUANG Xiangyuan. Design of tension controller based on integral separation PID algorithm[J]. Industrial Control Computer, 2011, 24(5):36-38.
[12] 李品. 积分分离PID控制算法在PLC炉温控制系统中的应用[J]. 电子设计工程, 2013, 21(24):54-55,58.
LI Pin. Application of integral separation PID control algorithm in PLC furnace temperature control Sys-tem[J]. Electronic Design Engineering, 2013, 21(24):54-55,58.
[13] 张锐, 白连平. 永磁交流伺服电机控制系统的研究[J]. 电气技术. 2011(3): 6-9.
ZHANG Rui, BAI Lianping. Research on permanent magnet AC servo motor control system[J]. Electrical Technology. 2011(3): 6-9.
[14] 施兴华, 季葛盛, 钱佶麒, 等. 基于PID的ROV运动控制仿真[J]. 中国海洋平台, 2024, 39(1):26-32,50.
SHI Xinghua, JI Gesheng, QIAN Jiqi, et al. PID-based ROV motion control simulation[J]. China Ocean Platform, 2024, 39(1):26-32,50.
[1] CHEN Xinwei, GU Bingfei, TIAN Jiali, ZHOU Sifan, LIU Yuxi, LIU Jinling, YICK Kit-lun, SUN Yue. Optimization design method for sports bra using CAD/CAE technology [J]. Journal of Textile Research, 2025, 46(04): 162-170.
[2] DU Chengjie, HONG Jianhan, ZHANG Kun, LIANG Kuan, XIE Guoyan, LIANG Xianjun. Analysis and optimization of transmission clearance between horn gear and carrier base of rotary circular braiding machine [J]. Journal of Textile Research, 2025, 46(04): 207-214.
[3] SHANG Jingyu, JIANG Gaoming, CHEN Yushan, LIU Haisang, LI Bingxian. Design and 3-D simulation of jacquard leno fabrics [J]. Journal of Textile Research, 2025, 46(04): 81-88.
[4] LIANG Jinxing, LI Dongsheng, HAN Kaifang, HU Xinrong, PENG Jiajia, LI Lijun. Dynamic deformation simulation of weft knitted fabrics based on physical constraints [J]. Journal of Textile Research, 2025, 46(03): 109-115.
[5] LI Ling, SHI Qianqian, TIAN Shun, WANG Jun. Influence of fiber channel symmetry on dual-feed-opening rotor spinning flow field and yarn characteristics [J]. Journal of Textile Research, 2025, 46(02): 69-77.
[6] MA Yunjiao, WANG Lei, PAN Ruru. Three-dimensional simulation of yarn core based on two planer mirrors [J]. Journal of Textile Research, 2025, 46(02): 86-91.
[7] ZHANG Dingtiao, WANG Qianru, QIU Fang, LI Fengyan. Simulation of flow field and fiber straightening in reconstructed fiber transport channel in rotor spinning [J]. Journal of Textile Research, 2025, 46(02): 100-105.
[8] LUO Qiaoling, FU Shaohai, WANG Dong, WANG Meihui, GUO Yafei, HAO Xinmin. Dyeing of bio-based polyamide 56 with weak acidic dyes for green vegetation imitation [J]. Journal of Textile Research, 2025, 46(02): 130-137.
[9] HUANG Xiaoyuan, WANG Qingyun, HOU Jue, YANG Yang, LIU Zheng. Skill proficiency based simulation optimization of garment assembly line and its application [J]. Journal of Textile Research, 2025, 46(01): 169-178.
[10] SHEN Min, OUYANG Can, XIONG Xiaoshuang, WANG Zhen, YANG Xuezheng, LÜ Yongfa, YU Lianqing. Prediction of fluctuation amplitude of weft yarns based on jet transient velocity variational modal decomposition [J]. Journal of Textile Research, 2025, 46(01): 187-196.
[11] SONG Kaili, GUO Mingrui, GAO Weidong. Numerical simulation and experimental investigation of lattice-apron compact spinning with airflow-guiding device [J]. Journal of Textile Research, 2025, 46(01): 34-41.
[12] LI Huimin, LIU Shuqiang, DU Linlin, ZHANG Man, WU Gaihong. Parametric modeling of basalt/polyimide three-dimensional spacer woven fabric and numerical simulation of heat transfer in high temperature environment [J]. Journal of Textile Research, 2025, 46(01): 87-94.
[13] CHEN Shichang, CAO Junhua, CHEN Wenxing. Process simulation of falling film liquid-state polymerization of polyester [J]. Journal of Textile Research, 2025, 46(01): 16-24.
[14] XI Chuanzhi, WANG Jiayuan, WANG Yongzhi, CHEN Ge, PEI Zeguang. Numerical simulation of airflow field in nozzle of vortex spinning with low energy consumption and spinning experimentation [J]. Journal of Textile Research, 2024, 45(12): 206-214.
[15] WANG Jue, YAN Shilin, LI Yongjing, HE Longfei, XIE Xiangyu, MENG Xiaoxu. Effect of shear deformation on principal permeability and infiltration characteristics of anisotropic fabrics [J]. Journal of Textile Research, 2024, 45(12): 109-117.
Viewed
Full text


Abstract

Cited

  Shared   
  Discussed   
No Suggested Reading articles found!